• Добро пожаловать на компьютерный форум Tehnari.ru. Здесь разбираемся с проблемами ПК и ноутбуков: Windows, драйверы, «железо», сборка и апгрейд, софт и безопасность. Форум работает много лет, сейчас он переехал на новый движок, но старые темы и аккаунты мы постарались сохранить максимально аккуратно.

    Форум не связан с магазинами и сервисами – мы ничего не продаём и не даём «рекламу под видом совета». Отвечают обычные участники и модераторы, которые следят за порядком и качеством подсказок.

    Если вы у нас впервые, загляните на страницу о форуме и правила – там коротко описано, как задать вопрос так, чтобы быстро получить ответ. Чтобы создавать темы и писать сообщения, сначала зарегистрируйтесь, а затем войдите под своим логином.

    Не знаете, с чего начать? Создайте тему с описанием проблемы – подскажем и при необходимости перенесём её в подходящий раздел.
    Задать вопрос Новые сообщения Как правильно спросить
    Если пришли по старой ссылке со старого Tehnari.ru – вы на нужном месте, просто продолжайте обсуждение.

Светодиодный анализатор спектра

  • Автор темы Автор темы DDREDD
  • Дата начала Дата начала
Господа, помогите пожалуйста. Собрал анализатор, подключил, но толку 0 (не работает). Если подаю сигнал в обход усилителя (сразу на 6 ногу tl071), то работает (правда хреновенько). Думал усилитель не исправен, поменял. Затем сделал уже на новой плате. Ничего не помогает. Всю голову уже сломал...

P.S. На выходы добавил оптотранзисторы, чтобы запитать светодиодные ленты
 

Вложения

  • 123.webp
    123.webp
    126.3 KB · Просмотры: 72
Зачем такое бесполезное усложнение схемы?
Что бы запитать 12в светодиодные ленты.
В стандартной же схеме светодиоды запитаны от 5в.
Каким образом светодиодные ленты соединяешь в матрицу?
Нарезаю ленту на отрезки по 3 светодиода. Один отрезок = одному светодиоду из схемы.
 
Что бы запитать 12в светодиодные ленты.
В стандартной же схеме светодиоды запитаны от 5в.
Оптроны-то зачем использовал? У них сравнительно малый рабочий ток транзистора. Достаточно изменить схему ключей в цепи анодов светодиодов.
Один отрезок = одному светодиоду из схемы.
понятно.
 
Оптроны-то зачем использовал? У них сравнительно малый рабочий ток транзистора. Достаточно изменить схему ключей в цепи анодов светодиодов.
Имеешь ввиду на коллекторы подать 12в вместо 5в? Я сначала тоже об этом думал. А на мегу 12в никак не повлияют? В оптронах всё таки гальваническая развязка. И тогда надо наверное ключи помощнее ставить? Не подскажешь какие?

И кстати... по моей проблеме никто ничего не знает?
в оптроная
 
подать 12в вместо 5в?
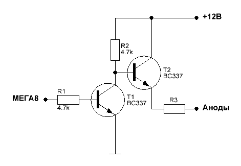
Без переделки схемы нельзя, транзисторы будут постоянно открыты, так как для их закрытия должно быть 12в на базе. Я бы использовал ключи как на приведённой схеме.
тогда надо наверное ключи помощнее ставить? Не подскажешь какие?
Ключи надо выбирать по максимальному рабочему току столбца светодиодов, + запас хотя бы 50%.
 

Вложения

  • ключи.GIF
    ключи.GIF
    3.4 KB · Просмотры: 79
По данной схеме чтобы Т1 закрылся нужно чтобы напряжение на базе почти исчезло (открываются вроде они при 600мВ) А оно там просто прыгает от 5 до 4 где-то.
Поправьте если не прав.
 
А если после меги полевики поставить вместо этой схемы?
 
Можно и полевики. Чем биполярные транзисторы не нравятся?
 
Нравятся. Это я так, для развития. А включение самое обычное будет?! Т.е.
Сток +12в; Исток светодиоды; Затвор к меге. На затвор резистор вешается на полевиках?
 
Не стоит забывать, что затвор полевика имеет сравнительно большую ёмкость и в динамическом режиме работы её необходимо быстро заряжать и самое трудное, разряжать, соответственно необходима схема простого драйвера а это усложнение схемы.
 
Разобрался я со своей проблемой. Воткнул в итоге TL081 и всё работает. Видимо в магазине была бракованная партия TL071, из 3-х штук ни один не работал.
И оптроны нормально работают.
Подскажите пожалуйста, оптронам нужно на излучатель вешать резистор ограничивающий? Я на всякий случай поставил на 100 Ом, но вот нужен ли он?
Оптрон PC817 если что.
 
И ещё вопрос. Как сделать чтобы не так чувствительна к звуку была?
А то музыка еле играет, а столбцы чуть ли не до конца прыгают...
 
А куда вы его подключаете? схема рассчитана на подключение к линейному выходу, а не к колонкам
 
Как сделать чтобы не так чувствительна к звуку была?
А на входе поставить подстроечный резистор, включенный потенциометром, чтобы загрубить вход, не судьба ? :tehnari_ru_203:
 
А куда вы его подключаете? схема рассчитана на подключение к линейному выходу, а не к колонкам
К звуковой карте компа подключаю.
А на входе поставить подстроечный резистор, включенный потенциометром, чтобы загрубить вход, не судьба ?
С подключением не поможешь?(с потенциометрами дела не имел) И какой номинал?
 
Номинал можно взять 10 ... 50 кОм.
На втором рисунке, там где написано "к усилителю", подключаешь к своей схеме.
 

Вложения

  • podstroechnye_rezistory.png.webp
    podstroechnye_rezistory.png.webp
    14.3 KB · Просмотры: 124
  • подстроечный резистор.png.webp
    подстроечный резистор.png.webp
    2.9 KB · Просмотры: 246
Назад
Сверху