Светосигнализация

А зачем это в коридоре ?... :)

хотя бы увижу что кто-то заходит (планирую вынести проводами все переключатели к рабочему месту, а вместо *сирены* светодиод через резистор)
 
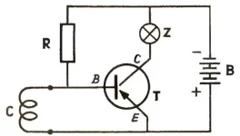
тогда на одном транзисторе только вместо сторожевого провода фотодиод например так только транзистор другой проводимости
 

Вложения

  • storozh.webp
    storozh.webp
    10.7 KB · Просмотры: 5,624
Последнее редактирование:
тогда на одном транзисторе только вместо сторожевого провода фотодиод например так

а мне еще надо с задержкой горения лампочки которая загорается когда убираем свет
 
поставь в место лампочки маломощное реле и контактами закомутируй чтоб оно включалось от транзистора а отключалось при полном отключении питания схемы
 
поставь в место лампочки маломощное реле и контактами закомутируй чтоб оно включалось от транзистора а отключалось при полном отключении питания схемы

а по подробнее
 
Вот здесь я приводила несколько схем фотореле...
http://www.tehnari.ru/f156/t34987/index8.html#post850512

Все их можно доработать под заданную задачу. Главное - использование фототранзисторов от мышки, которые у радиолюбителей всегда есть...
 
rrromannn а поподробнее -берешь пару нормально разомкнутых контактов (те что замыкаются при подаче питания) и подключаешь так чтоб при подаче питания через транзистор они замыкали между собой коллектор и эмитер
 
а как открыть тиристор ку201?подать напряжение на УЭ?(6В и 100мА)?
 
а как открыть тиристор ку201?подать напряжение на УЭ?(6В и 100мА)?
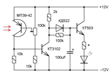
Оставь тиристор и NE555, надо делать другую схему. Я бы попробовал в качестве светоприемника старый добрый МП39-42, раньше прекрасные фотореле на них делали, его корпус со спиленной крышкой как раз очень хорошо подойдет, надев чехол можно отстроится от дневного света, будет реагировать только на лазер. Также легко можно сделать задержку отключения светодиода при кратковременном прерывании лазерного луча, хотя схемы тебе выбирать, Светлана представила еще ряд примеров изготовления фотореле ... :)

Сигнализатор_4.webp

Учитывая свойства светодиода, резистор для него можно высчитать здесь ... Расчёт резистора для светодиода ... :)

P.S. Тиристор можно открыть подать напряжение на УЭ, 6 вольт хватит, ток не причем тут ... :)
 
Назад
Сверху