• Добро пожаловать на компьютерный форум Tehnari.ru. Здесь разбираемся с проблемами ПК и ноутбуков: Windows, драйверы, «железо», сборка и апгрейд, софт и безопасность. Форум работает много лет, сейчас он переехал на новый движок, но старые темы и аккаунты мы постарались сохранить максимально аккуратно.

    Форум не связан с магазинами и сервисами – мы ничего не продаём и не даём «рекламу под видом совета». Отвечают обычные участники и модераторы, которые следят за порядком и качеством подсказок.

    Если вы у нас впервые, загляните на страницу о форуме и правила – там коротко описано, как задать вопрос так, чтобы быстро получить ответ. Чтобы создавать темы и писать сообщения, сначала зарегистрируйтесь, а затем войдите под своим логином.

    Не знаете, с чего начать? Создайте тему с описанием проблемы – подскажем и при необходимости перенесём её в подходящий раздел.
    Задать вопрос Новые сообщения Как правильно спросить
    Если пришли по старой ссылке со старого Tehnari.ru – вы на нужном месте, просто продолжайте обсуждение.

Таймер со звуковой сигнализацией

  • Автор темы Автор темы KYPA
  • Дата начала Дата начала
Я имел ввиду вместо К176ИЕ18 поставить генератор на К561ЛА7.
 
Если не требуется точность, но можно и без кварца и делителя - ИЕ18 заменить на генератор с периодом 1 минута на обычной RC цепочке. Вот тут пойдет ЛА7 или ЛЕ5.
ну тык написал же...
 
Можете помочь полной схемой таймера? :tehnari_ru_942:
 
А есть чем делить? Нужно будет 32768 Гц поделить до одного герца, а затем еще на 60, чтобы получить минутные импульсы. Тут все зависит от имеющихся в наличии счетчиков.

Вряд ли найдется готовая схема делителя частоты часового кварца до минутных импульсов на отдельных корпусах 561_й серии. ИМХО, такое делалось только до появления 176_й, на ТТЛ логике 155 и 555.
 
Ладно начерчу, только позже и от руки, (черновик) уж извините.
 
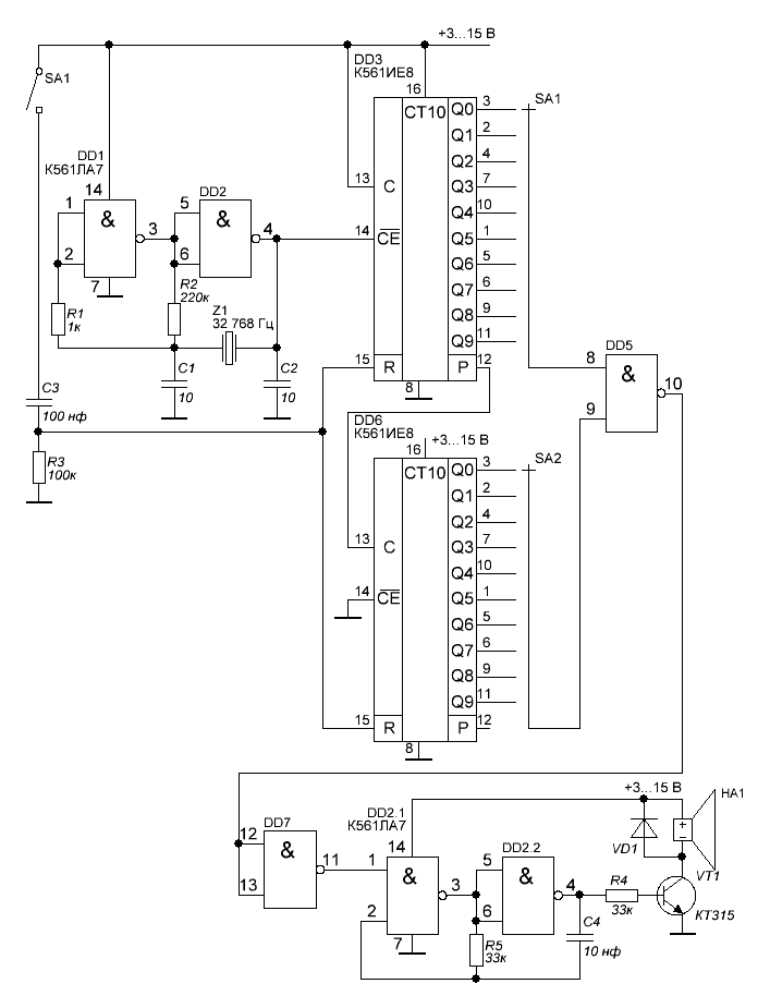
Набросал, но практически не пробовал, возможно потребуется коррекция. Да, R3 не нужен.
 

Вложения

  • Таймер.webp
    Таймер.webp
    48.5 KB · Просмотры: 407
Вот еще, может быть эти МС есть. Только питание, я бы 9 вольт подал.
 

Вложения

Набросал, но практически не пробовал, возможно потребуется коррекция. Да, R3 не нужен.

Спасибо, только я не понял... Я просил на 561 серии :tehnari_ru_325:

Здравствуйте. Подскажите схему таймера со звуковой сигнализацией на микросхемах 561 серии. После запуска таймера и истечения установленного времени должен зазвучать звуковой сигнал.

А у Вас нет схемы на К561ИЕ16, К561ЛА7 или К561ЛН2? Я много таких выпаял с плат :tehnari_ru_942:

Кто-нибудь поможет заменить здесь 176 серию на 561?

Я имел ввиду вместо К176ИЕ18 поставить генератор на К561ЛА7.


Вот еще, может быть эти МС есть. Только питание, я бы 9 вольт подал.
Там 176 серия.
 
И что? 176 серия в абсолютном большинстве один к одному меняется на 561 серию.
Практически во всех схемах, где используются микросхемы 176 серии, за исключением часовой серии, можно их менять на 561 серию
 
В той схеме, что от руки нарисована 176 можешь менять на 561 без всяких доработок. Отличия только в напряжении питания 176 нужно 9 Вольт, а 561 подойдет от 3 Вольт и до 15. Посмотри в справочнике по микросхемам у Светланы в библиотеке на ее сайте, только он последнее время что-то не работает, может потом включится.
 
Набросал, но практически не пробовал, возможно потребуется коррекция. Да, R3 не нужен.

Спасибо! Я ещё поискал немного в интернете, полистал похожие схемы, почитал про счётчики, немножко понял принцип работы и чуть-чуть стал разбираться что к чему. Рискнул попробовать нарисовать свою схему, куски на отдельных элементах брал их схем в различных источниках. Только не бейте сильно, тут наверно сплошные ошибки! :tehnari_ru_942:

Задача: после установки времени и запуска таймера, по истечении установленного времени должен зазвучать звуковой сигнал.
 

Вложения

  • таймер КУРА.GIF
    таймер КУРА.GIF
    21.5 KB · Просмотры: 6,713
должен зазвучать звуковой сигнал.

У вас ни ИЕ12/18, ни других счетчиков делителей после кварцевого генератора, поэтому сигнал прозвучит очень скоро. Глазом моргнуть не успеете.

Чем ворошить старую комплектуху, которую найти все сложнее и сложнее, проще и дешевле купить программатор и на микроконтроллерах делать все, что Вам будет угодно.
 
И ещё, таймер после "установленного" времени будет продолжать считать, поэтому время звучания будет равно периоду импульсов. (В данной схеме и пикнуть не успеет... :) ). Поэтому нужно ещё сделать остановку счётчика, после того, как разберётесь с частотой импульсов.
 
А какое время, вы предполагаете, будет "установлено"?
Доли микросекунд? :)

от 1 до 99 минут.

У вас ни ИЕ12/18, ни других счетчиков делителей после кварцевого генератора, поэтому сигнал прозвучит очень скоро. Глазом моргнуть не успеете.
А какая частота должна быть на входе К561ИЕ8?

проще и дешевле купить программатор и на микроконтроллерах делать все, что Вам будет угодно.
Ещё нужно уметь писать программы :(

И ещё, таймер после "установленного" времени будет продолжать считать, поэтому время звучания будет равно периоду импульсов. (В данной схеме и пикнуть не успеет... :) ). Поэтому нужно ещё сделать остановку счётчика, после того, как разберётесь с частотой импульсов.
А как остановить счётчик? Подать логическую 1 на вход сброса счётчика, или подать на любой элемент генератора К561ЛА7?
 
от 1 до 99 минут.
Разделить частоту кварцевого генератора до минут. Лучше всего это получится, если применить часовые микросхемы типа К176ИЕ12, К176ИЕ18. Можно использовать и многоразрядные счётчики-делители, типа CD4521...
А как остановить счётчик?
При достижении нужного времени подать запирающий сигнал на генератор, то есть остановить его или не дать прохождению импульсов на вход счётчика (например с помощью схемы 2И)
 
Последнее редактирование:
Частота на входе счетчика очень большая. Туда нужно подать импульсы с периодом 1 минута. Смотри мою схему, у меня там кварца нет, а стоит конденсатор очень большой емкости и высокоомный резистор, что должно определить время периода 1 мин, если нужно точно, то подбери эти элементы практически. Тогда процесс пойдет и счетчик не нужно будет останвливать, так как он будет звучать ровно минуту - хватит чтобы привлечь внимание и вытащить пироги из духовки. Если нужно чтобы звучал дольше, то нужно ставить память в виде триггера, но это уже последующий этап, пока разберись с этим.
Да, и еще, очень интересная схемка из Радио. Хочу все собрать...Программированием заниматься не нужно. Только залить прошиву и все. Но нужно собрать программатор - схемка простая.
 

Вложения

У неё нет отечественного аналога...
Смотри мою схему, у меня там кварца нет, а стоит конденсатор очень большой емкости и высокоомный резистор, что должно определить время периода 1 мин, если нужно точно, то подбери эти элементы практически.
У вас она:
собрана на ЛЕ5
я читал что при такой низкой частоте погрешность очень велика.

Похоже тут остаётся применить только К176ИЕ18.
А может на 555 таймере можно сделать стабильный генератор 1 Гц?
 
Смотря для какой цели таймер нужен, если для пирогов, то пойдет вполне и с такой точностью, а если для точного хронометра, то эта схема вообще не пригодна, нужна посложнее, кроме кварцевого генератора и делителя до одной минуты, нужно еще синхронизацию запуска с началом отсчета, чтобы компенсировать потери на переходные процессы в начале работы счетчика, да и в конце в исполнительном устройстве, тоже самое.
Зачем точность то нужна? Где будешь использовать?
Нужно сначала поставить задачу и потом уже искать приемлемые пути ее решения, а если так ради тренировки, так вариантов можно предлагать великое множество....
 
Не для хронометра. Для пирожков, для рукоделия, травления плат, чистки картофеля и пр. бытовых нужд. Суперточность до секунд не нужна :)
 
Назад
Сверху