• Добро пожаловать на компьютерный форум Tehnari.ru. Здесь разбираемся с проблемами ПК и ноутбуков: Windows, драйверы, «железо», сборка и апгрейд, софт и безопасность. Форум работает много лет, сейчас он переехал на новый движок, но старые темы и аккаунты мы постарались сохранить максимально аккуратно.

    Форум не связан с магазинами и сервисами – мы ничего не продаём и не даём «рекламу под видом совета». Отвечают обычные участники и модераторы, которые следят за порядком и качеством подсказок.

    Если вы у нас впервые, загляните на страницу о форуме и правила – там коротко описано, как задать вопрос так, чтобы быстро получить ответ. Чтобы создавать темы и писать сообщения, сначала зарегистрируйтесь, а затем войдите под своим логином.

    Не знаете, с чего начать? Создайте тему с описанием проблемы – подскажем и при необходимости перенесём её в подходящий раздел.
    Задать вопрос Новые сообщения Как правильно спросить
    Если пришли по старой ссылке со старого Tehnari.ru – вы на нужном месте, просто продолжайте обсуждение.

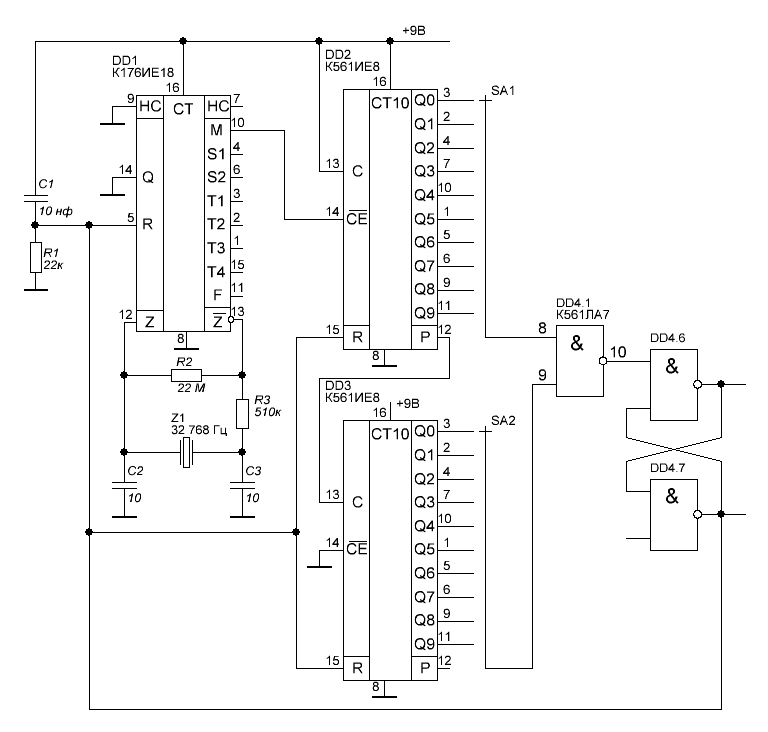
Таймер со звуковой сигнализацией

  • Автор темы Автор темы KYPA
  • Дата начала Дата начала
Схема сброса приведёт к тому, что счётчики установятся в исходное состояние и сигнала на звуковой генератор уже не будет. Нужна не схема сброса, а, как я уже говорила, схема остановки счётчиков.
В звуковом генераторе не обязательно ставить два генератора, можно обойтись одним. а для пиканья взять секундный импульс с ИЕ18. Хотя, если хочется менять частоту пиканья, то можно и так.
 
176ие18 нашел?
Ну вот, а говоришь не умеешь. Уже близко, только нужно проверить на практике. Сбрасывать для простоты ничего не нужно. если убрать сброс, то таймер, по достижении заданного времени будет звучать минуту, а потом пойдет дальше счет, этого вполне хватит. чтобы обратить внимание. Сброс нужен только для установки счетчиков в начальное положение при включении. Когда соберешь надешь ошибки и усовершенствуешь схему по желанию.
 
Нужна не схема сброса, а, как я уже говорила, схема остановки счётчиков.

При достижении нужного времени подать запирающий сигнал на генератор, то есть остановить его или не дать прохождению импульсов на вход счётчика (например с помощью схемы 2И)

Я не знаю как остановить генератор на К176ИЕ18... Возможно что-то нужно сделать с 9 ножкой...
Или поставить один элемент ЛА7 между 10 и 14 ножками и завести на него сигнал с 10 ножки DD1.4?
Наверно на след. неделе поеду на рынок и поищу там её.
Когда соберешь надешь ошибки и усовершенствуешь схему по желанию.
Я не хочу сжечь микросхемы, жалко их...
 
Я не хочу сжечь микросхемы, жалко их...
А без этого не обойтись - бери с запасом. Еще Пушкин о горьком опыте писал. Опыт неудачный, бывает полезнее, чем удачный. Слеток с ровной поверхности никогда не взлетит.
 
Ну мы уже здесь столько вариантов перебрали. Пожалуй, уж начни с какой нибудь, а не получится будем искать ошибки...
 
Схема сброса приведёт к тому, что счётчики установятся в исходное состояние и сигнала на звуковой генератор уже не будет. Нужна не схема сброса, а, как я уже говорила, схема остановки счётчиков.
Здравствуйте. Вы имеете ввиду триггер?

Подскажите, на 12 ножке К561ИЕ8 появляется логическая единица после пропадания логической единицы с 11 ножки?
 

Вложения

  • таймер КУРА.GIF
    таймер КУРА.GIF
    20.1 KB · Просмотры: 878
Советую скачать книжку Бирюков С.А. "Цифровые устройства на МОП-интегральных микросхемах"
 

Вложения

  • ИЕ8 диаграмма.webp
    ИЕ8 диаграмма.webp
    16.9 KB · Просмотры: 380
Понятно. Не суждено мне...
 
Назад
Сверху