• Добро пожаловать на компьютерный форум Tehnari.ru. Здесь разбираемся с проблемами ПК и ноутбуков: Windows, драйверы, «железо», сборка и апгрейд, софт и безопасность. Форум работает много лет, сейчас он переехал на новый движок, но старые темы и аккаунты мы постарались сохранить максимально аккуратно.

    Форум не связан с магазинами и сервисами – мы ничего не продаём и не даём «рекламу под видом совета». Отвечают обычные участники и модераторы, которые следят за порядком и качеством подсказок.

    Если вы у нас впервые, загляните на страницу о форуме и правила – там коротко описано, как задать вопрос так, чтобы быстро получить ответ. Чтобы создавать темы и писать сообщения, сначала зарегистрируйтесь, а затем войдите под своим логином.

    Не знаете, с чего начать? Создайте тему с описанием проблемы – подскажем и при необходимости перенесём её в подходящий раздел.
    Задать вопрос Новые сообщения Как правильно спросить
    Если пришли по старой ссылке со старого Tehnari.ru – вы на нужном месте, просто продолжайте обсуждение.

Таймер со звуковой сигнализацией

  • Автор темы Автор темы KYPA
  • Дата начала Дата начала
Ещё нужно уметь писать программы :(
В интернете валом готовых программ-прошивок таймеров, часов, счетчиков, частотомеров, вольтметров-амперметров, термометров и прочего, прочего, прочего. Нужно лишь зашить МК нужной программой и все.

А какая частота должна быть на входе К561ИЕ8?

В Вашем случае на входе счетчиков нужна частота 1/60 герца, то есть импульсы с периодом 1 минута. Счетчик до 100 на двух ИЕ8 как раз будет обеспечивать выдержку от 1 до 99 минут.

Разумно было бы привязаться к частоте сети 50 герц и поделить ее на 50, получив частоту 1 Гц, а затем поделить на 60, получив минутные импульсы.
 
Разумно было бы привязаться к частоте сети 50 герц и поделить ее на 50, получив частоту 1 Гц, а затем поделить на 60, получив минутные импульсы.
А что вообще нужна такая большая точность таймера или кухонный (бытовой) таймер ? ... :)
 
Честно говоря не знаю, на кухне обычными часами пользуюсь, мне хватает :)
Но KYPA хочет с кварцевой стабилизацией частоты, а я ему предлагаю упрощенный вариант, с тактированием от сети, что на мой взгляд реалистичнее, чем громоздкая линейка делителей частоты 32768 КГц до 1 Гц на рассыпухе.

P.S. А вариант на МК все равно самый реальный.
 
P.S. А вариант на МК все равно самый реальный.
Все ровно тактовая частота нужна ... :)
Для кухни вообще стабильный такт на кварце или сетевой не нужен. Будут пирожки печься 15:05 или 15:35 большой погоды не сделает духовка. И вообще таймер на кухне, это уже выпендреж, весят часы на стене и ладно. Правда если для совсем рассеянных, чтоб не забыть, что включено. Раньше в прошлом веке тоже прикалывались, делали кухонные таймеры на TTL, задающий просто мультивибратор и 555ИЕ8, выход >63 давал 1 мин. при мультивибраторе примерно <1 сек. Такой точности за глаза было ... :)
 
Все ровно тактовая частота нужна ... :)
Но делители не нужны, в современных микроконтроллерах есть и делители и аппаратные таймеры :) Один корпус микросхемы и кварц (или RC цепочка), вот и весь кухонный таймер.
 
Один корпус микросхемы и кварц (или RC цепочка), вот и весь кухонный таймер.
Это я знаю, просто я привык, чтобы все на виду было, а МК во первых шить надо, вылетел, опять по новой шить ... Ладно, это не разговор, выбирать Топикастеру ... :)
 
У вас она:
собрана на ЛЕ5
я читал что при такой низкой частоте погрешность очень велика.
Но для пирожков и травления платы вполне хватит. У меня такой генератор стоит на схеме случайного включения освещения огорода чтобы напугать непрошенных гастролеров. Так там точность повторения периода даже не позволяет обеспечить случайный процесс - счетчик после оборотов на высоких частотах встает несколько циклов в одно и то же положение.
Ну а если решил, что нужна большая точность, то выбирай схему, конечно, на кварце, но не эти схемы, нужно посложнее.
 
Конденсатор потребуется электролитический, а электролитический конденсатор во времязадающих цепях это точность плюс-минус километр. Особенно на кухне, где температура постоянно меняется.
 
Смотря какие конденсаторы. Импортные все в основном хорошо держат, стабилизации для пирожков вполне хватит. Я ставил два последовательно плюсами вместе и шунтировал диодами. Это в случае если нет неполярных кондюков. А так сейчас и неэлектролитов большой емкости полно.
 
Конденсатор потребуется электролитический, а электролитический конденсатор во времязадающих цепях это точность плюс-минус километр. Особенно на кухне, где температура постоянно меняется.
Смотря какие конденсаторы. Импортные все в основном хорошо держат, стабилизации для пирожков вполне хватит. Я ставил два последовательно плюсами вместе и шунтировал диодами. Это в случае если нет неполярных кондюков. А так сейчас и неэлектролитов большой емкости полно.
Господа, такая проблема не стоит даже обсуждения! Ну будет ± 1 сек. на 1 мин., пирожки вместо 20 мин. будут в духовке 20.20 мин. или 19.40 мин., ох и большая же беда! ... :)
 
Пусть соберет, а там и посмотрит, устроит его точность таймера или нет. Если не устроит, тогда будем дальше головы ломать над проблемой века :)
 
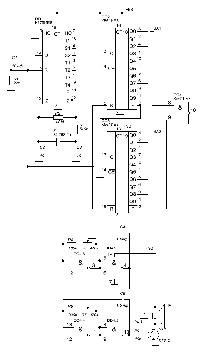
Здравствуйте. К561ИЕ11 или К561ИЕ16 смогут поделить импульсы 32768 Гц генератора на К561ЛА7 до 1 минуты? Пишут, что оба этих счётчика двоичные, а мне вроде как подходят только десятичные, зато у них есть встроенный делитель?

А как будет пищать пищалка в этой схеме? Пип-пип-пип-пип...? http://www.tehnari.ru/attachments/f117/98674d1349035772-oaeiadh-eodha.gif
 
А что решил все же с кварцем собирать?
С этого кварца 32768, навряд ли, а вот другой поставить... Посмотри по справочнику коэф. деления этих МС, да и вообще их структуру. Справочники то по МС имеются?
Пищать будент непрерывно. Только схема неверная. 32768 прямо на эти счетчики не подают, нужно поделить до 1 минуты прежде чем подать. Возврат к старому разговору. Да и нужно проверить не будет ли динамик коротить питание.
 
ИЕ16 сможет поделить только до 0,5 сек. Поэтому нужно ещё поделить на два, а потом ещё на 60. ИЕ11 - четырёхразрядный и их нужно будет несколько штук.
Если кварцевая стабильность не нужна, то можно генератор сделать на RC-цепочке и поделить счётчиком ИЕ16. При этом можно будет использовать обычные (не электролитические) конденсаторы и стабильность будет достаточная для бытового таймера.
 
К561ИЕ11 или К561ИЕ16 смогут поделить импульсы 32768 Гц генератора на К561ЛА7 до 1 минуты? Пишут, что оба этих счётчика двоичные, а мне вроде как подходят только десятичные, зато у них есть встроенный делитель?
Вам нужны в первую очередь двоичные, чтобы поделить 32768 нацело до единицы, то есть до одного герца. Потому же можно извращаться с делением 1 герца на 60, для получения минутных импульсов.
 
А что решил все же с кварцем собирать?
Если на ИЕ18 - то да, буду с кварцем.
Справочники то по МС имеются?
Нету справочников. Только интерент :) Однако я ничего не понимаю в них.
Только схема неверная. 32768 прямо на эти счетчики не подают, нужно поделить до 1 минуты прежде чем подать. Возврат к старому разговору.
Это я понял. Я ссылку на старую схему дал, чтобы понятно было о чём разговор.

Похоже буду собирать на ИЕ18.
 
Я бы собрал бы на К176ИЕ12. На ней можно как с кварцем так и без него, но кварцев 32768 навалом везде, хотя бы со старых часов взять, это не проблема. Только начальный запуск генерации на 12 Вольтах работает плохо. Но если запустится, то работает. Да и МС можно снять со старых часов "Электроника". Если найдешь К176ИЕ5, то нужно будет поделить секунду до минуты парой счетчиков К561(176)ИЕ8 с коф. 60. Один счетчик на 10 а другой на 6 с отводом от 6 на сброс.(R)
 
Здравствуйте. Поставил 176ИЕ18. Будет так работать? Добавил схему сброса. И новый звуковой сигнал у меня будет пикать вот так: пип-пип-пип-пип..? Как им управлять с выхода счётчика? Не схема, а каша какая-то :tehnari_ru_942:
 

Вложения

  • таймер КУРА.GIF
    таймер КУРА.GIF
    26.3 KB · Просмотры: 610
Назад
Сверху