• Добро пожаловать на компьютерный форум Tehnari.ru. Здесь разбираемся с проблемами ПК и ноутбуков: Windows, драйверы, «железо», сборка и апгрейд, софт и безопасность. Форум работает много лет, сейчас он переехал на новый движок, но старые темы и аккаунты мы постарались сохранить максимально аккуратно.

    Форум не связан с магазинами и сервисами – мы ничего не продаём и не даём «рекламу под видом совета». Отвечают обычные участники и модераторы, которые следят за порядком и качеством подсказок.

    Если вы у нас впервые, загляните на страницу о проекте, чтобы узнать больше. Чтобы создавать темы и писать сообщения, сначала зарегистрируйтесь, а затем войдите под своим логином.

    Не знаете, с чего начать? Создайте тему с описанием проблемы – подскажем и при необходимости перенесём её в подходящий раздел.
    Задать вопрос Новые сообщения Как правильно спросить
    Если пришли по ссылке со старого Tehnari.ru – вы на нужном месте, просто продолжайте обсуждение.

Цифровая индикация БП

может сразу подкинешь схему на амперметр Bydlokoder, если можешь?
 
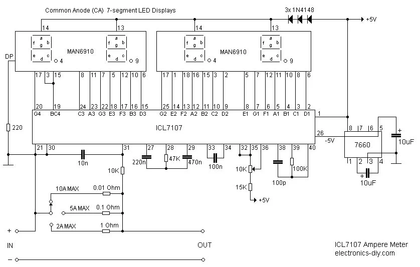
да класный блок питания ,но не мне непонятна схема,я больше скланяюсь к микросхеме ICL7107. я уже в ней разобрался осталось собрать и амперметр мне теперь нужен.
 
Нет, по амперметру ничего толкового сказать не могу, поскольку сам ICL707 для измерения тока не использовал, делал на ней только вольтметр по схеме из даташита. Но народ юзает ее и в цифровых амперметрах как на рисунке ниже, в принципе, тот же вольтметр меряющий напряжение на шунтах. Если не напрягают большие сопротивления шунтов, можно и так сделать, иначе придется сигнал с шунтов усиливать перед измерением.

Кстати, тема о вольтметре на КР572ПВ2 поднималась здесь совсем недавно, там pryanic схему предлагал, уже с делителем и со стабилизатором опорного напряжения.

Схема амперметра:
 

Вложения

  • amp7107.webp
    amp7107.webp
    30 KB · Просмотры: 1,634
Да, забыл предупредить. Для питания вольтметров или амперметров потребуется отдельный источник питания, неважно на чем будут собраны вольтметры-амперметры, на рассыпухе ли, на ПВ2 или на микроконтроллерах.
 
Назад
Сверху