• Добро пожаловать на компьютерный форум Tehnari.ru. Здесь разбираемся с проблемами ПК и ноутбуков: Windows, драйверы, «железо», сборка и апгрейд, софт и безопасность. Форум работает много лет, сейчас он переехал на новый движок, но старые темы и аккаунты мы постарались сохранить максимально аккуратно.

    Форум не связан с магазинами и сервисами – мы ничего не продаём и не даём «рекламу под видом совета». Отвечают обычные участники и модераторы, которые следят за порядком и качеством подсказок.

    Если вы у нас впервые, загляните на страницу о проекте, чтобы узнать больше. Чтобы создавать темы и писать сообщения, сначала зарегистрируйтесь, а затем войдите под своим логином.

    Не знаете, с чего начать? Создайте тему с описанием проблемы – подскажем и при необходимости перенесём её в подходящий раздел.
    Задать вопрос Новые сообщения Как правильно спросить
    Если пришли по ссылке со старого Tehnari.ru – вы на нужном месте, просто продолжайте обсуждение.

Циркуляционный насос Wilo-Star-RS 25/4

  • Автор темы Автор темы seymour
  • Дата начала Дата начала
Вот кто-то мучил аналогичный насос...
 

Вложения

  • схема.gif
    схема.gif
    21.1 KB · Просмотры: 16,890
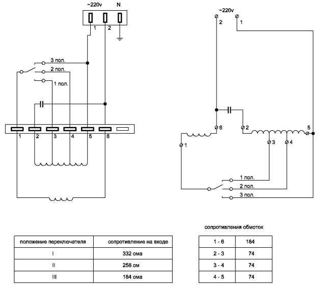
На клеммной коробке контакты замыкаются только в третьем положении между нулём и крайним справа выводом. На статоре единствннный контакт, который имеет два провода это "средний".
 
Рисуется это примерно вот так...
 

Вложения

  • 1.png.webp
    1.png.webp
    20.5 KB · Просмотры: 6,173
Вот кто-то мучил аналогичный насос...
Ну воот! В этой схеме всё понятно! :fellow:Одна рабочая обмотка, а ток в пусковой зависит от количества витков, коммутируемой переключателем... Причём исключённые витки добавляются к рабочей обмотке! Умнооо однако!
 

Вложения

  • Снимок_2015_12_16_13_39_17_971.png.webp
    Снимок_2015_12_16_13_39_17_971.png.webp
    18.2 KB · Просмотры: 15,237
А у меня похоже обрыв....
Не логично! Если обрыв то показывает бесконечность (изоляцию)... Если "0" то это "КоЗа"... Или межвитковое или выводы где-то контачат!
Вот поэтому он в обратную сторону и вращается (видимо)!
 
Как бы вытащить статор из корпуса, чёт не поддаётся?
 
Это насос с мокрым ротором. Смазывается перекачиваемой жидкостью. Перед запуском насоса нужно приоткрутить винт на корпусе и стравить воздух.
 
От этого принцип работы и регулировка оборотов двигателя не меняется!
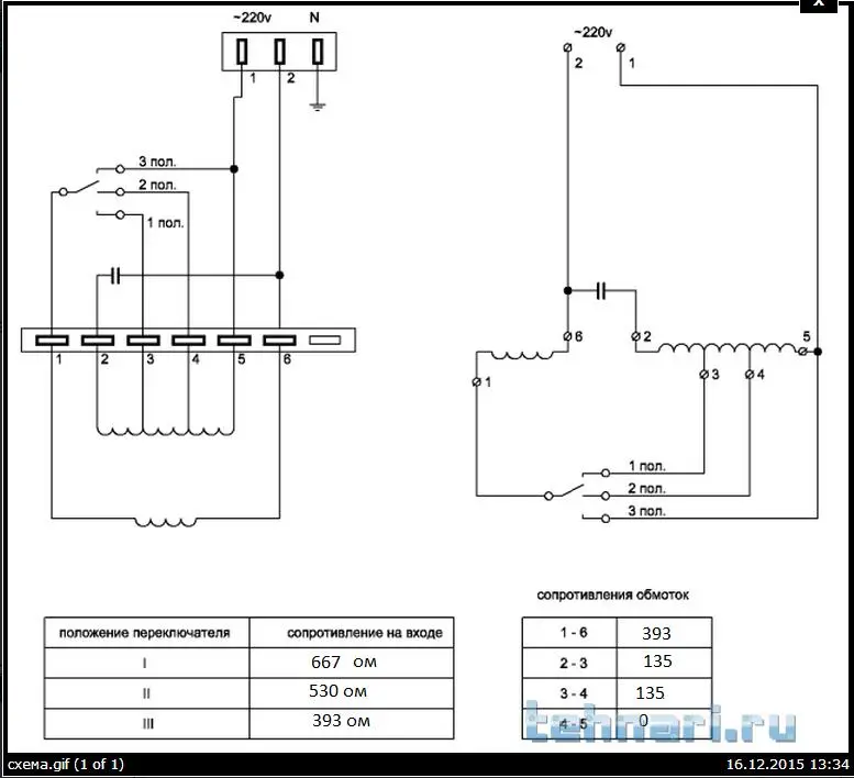
Ну тогда( если по схеме) выходит, что третьего положения у меня и нет !!!!!!!!???????????
 
Вот такая картина, маслом, у меня выходит.
 

Вложения

  • 1.png.webp
    1.png.webp
    13.9 KB · Просмотры: 12,079
Замена конденсатора ни к чему не привела.
 
1.7 мкф 400 вольт.
 
По схеме в 34 посте, 3 положение рабочее или действительно при таком включении, он работать не будет?
 
3 положение рабочее или действительно при таком включении, он работать не будет?
В паспорте на этот насос указаны 3 значения частоты вращения, значит должно работать в трёх положениях переключателя
 

Вложения

Судя по сопротивлениям в обмотках, они целые, да и если крутит в двух положениях(правда в обратную сторону), попробывать в ведро с водой его поместить. Или проводами, без клеммной коробки пробывать подключать, может в ней где обрыв.
 
Назад
Сверху