Вы используете устаревший браузер. Этот и другие сайты могут отображаться в нём некорректно. Вам необходимо обновить браузер или попробовать использовать другой.
Просто так Т-триггер на одном реле не сделать, то есть, нажал на кнопку - включилось, ещё раз нажал - выключилось.
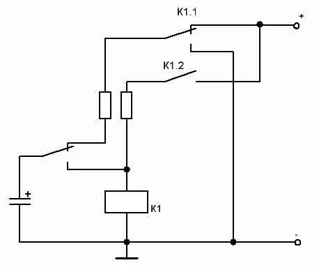
Я когда-то делала вот так, но для этой схемы нужна переключающая кнопка и две свободные группы контактов реле.
Да проще-то некуда: в цепь обмотки реле включаем один из контактов самогО этого реле, а параллельно контакту сажаем кнопку. Нажимаем кнопку, напряжение через нее поступает на обмотку, контакт замыкается и далее, когда кнопку отпускаем, обмотка реле остается запитанной уже через контакт.
Но вообще-то, вероятно, это не везде пройдет, и эмиттерный повторитель служит, скорее всего, для согласования мощности. Например, если реле не рассчитано на пропускание токов обмотки: последние слишком велики. Поэтому надо смотреть конкретные параметры конкретных реле.
А, увидел - она еще и размыкает. Ну тогда ясно. Просто в моей практике всегда существовали либо размыкающие кнопки, либо отсутствие надобности в размыкании до обесточивания.
Спасибо - теперь понял.
помогите пожалуйста...
у меня есть в машине кнопка которую приходится нажимать постоянно при вкл зажигания чтоб не включалас система старт/стоп!
есть вариант сделать так чтоб эта кнопка сама "нажималась"?
просто замкнуть лапки не помогает, она нажимается один раз, после повторного вкл зажигания она не срабатывает и машина выдаёт ошибку по данной системе =/
вот такая схема меня
ссылка: beregovsky.ru/files1/mrq5h.JPG
допишите перед ссылкой плиз www, а то не даёт мне вставлять ссылки =((
на фотке в нижнем левом углу кнопка нужная. там припаяна перемычка к ножкам, котрая не помогла (
На данном сайте используются файлы cookie, чтобы персонализировать контент и сохранить Ваш вход в систему, если Вы зарегистрируетесь.
Продолжая использовать этот сайт, Вы соглашаетесь на использование наших файлов cookie.