Ещё усилитель. Теперь на базе УМЗЧ с МПООС Зуева, версии 84 года

  • Автор темы Автор темы gluxon
  • Дата начала Дата начала
Смотря какая Муза попадется. Может и попадется такая, что мой недоделанный усилитель отправит в мусорное ведро :D
 
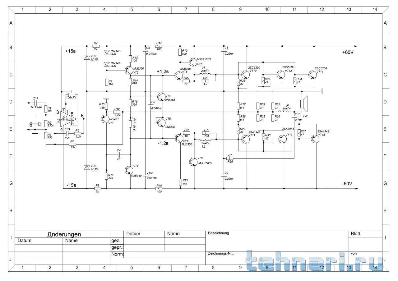
Пока работа над проектом стоит из-за болезни, продолжаю читать в инете про то и про сё... Нашел на веге пару вариантов перевода на импорт и умощнения этого усилителя, за авторством форумчанина под ником Zmeik. Защита ВК исключена из схемы, как и в моём случае. Ещё хотелось бы перевести в нормально читаемый вид схему усилителя Зуева с МПООС, 93 года, но это чуть позже
 

Вложения

  • Зуев_импорт_1.webp
    Зуев_импорт_1.webp
    52 KB · Просмотры: 215
  • Зуев_импорт_2.webp
    Зуев_импорт_2.webp
    47.1 KB · Просмотры: 208
Ещё хотелось бы перевести в нормально читаемый вид схему усилителя Зуева с МПООС, 93 года, но это чуть
У меня это плавно перетекло в полную переделку схемы )) Как ни будь обязательно соберу
 
Ты же вроде собирал его,не?
 
У меня это плавно перетекло в полную переделку схемы )) Как ни будь обязательно соберу
Неужели второй вариант хуже первого вышел? Как с усилителем Брагина 2?
 
Ты же вроде собирал его,не?
Не, Андрей, тот, что за 93-й год я не собирал, я схему 84-го в нескольких вариантах делал.
Неужели второй вариант хуже первого вышел?
Получше, но было куда расти в плане линейности
 
Эпизодически возвращаясь к полузабытому, но не заброшенному... Готов селектор входов и показометры на оба канала. На плате селектора совмещены собственно сам селектор на четыре входа, ключ подачи питания на модуль MP3, и схема отключения питания усилителя при отключении модуля MP3. Реле отключения конструктивно находится на плате БПДР. Показометры выполнены: каждый на трех LM339 и TL431 в ИОН - 12 уровней индикации + светодиод начала шкалы, горящий постоянно
 

Вложения

  • select_indic.webp
    select_indic.webp
    54.4 KB · Просмотры: 72
  • selec_top.webp
    selec_top.webp
    60.6 KB · Просмотры: 86
  • selec_bottom.webp
    selec_bottom.webp
    69.3 KB · Просмотры: 84
  • indic_top.webp
    indic_top.webp
    53.8 KB · Просмотры: 72
  • indic_bottom.webp
    indic_bottom.webp
    68.6 KB · Просмотры: 74
И вот, процесс продолжается... Плата стабилизатора питания для предусилителя, на КРЕНках. На этой же плате располагается дополнительный преобразователь напряжения 22 вольта в два по 12 вольт, с двумя гальванически развязанными выходами - для питания показометров. Преобразователь собран на SG3525. Спросите к чему такие сложности? Отвечу: есть мысль полностью избавиться от всяких земляных петель. Для этого намотан транс, с отдельными обмотками для каждого канала УМ, для предусилителя со схемой защиты АС. Детекторы постоянного напряжения схемы защиты АС каждого канала развязаны оптронами. Отдельный блок питания дежурного режима, с двумя выходами: для схемы включения кнопкой без фиксации, и для МП3 модуля - о нём уже упоминал ранее. Иииии... собственно говоря, сам предусилитель - схема за авторством Максима Васильева
 

Вложения

  • stab-top.webp
    stab-top.webp
    57.6 KB · Просмотры: 93
  • stab_bottom.webp
    stab_bottom.webp
    56.3 KB · Просмотры: 68
  • preamp_top.webp
    preamp_top.webp
    66.5 KB · Просмотры: 89
  • preamp_bottom.webp
    preamp_bottom.webp
    72.7 KB · Просмотры: 74
Красотища!tehno006:bravo:
Потом можно-ли будет попросить максимально подробно про дежурку да и про всю остальную "механизацию" в схемах, описаниях и пояснениях?tehno003
 
Потом выложу всё, включая печатные платы - может быть кому понадобится. Главное, чтобы это всё заработало... :D
 
А релюха защиты у тебя не РЭН 34 случайно?
 
У меня есть таких с нефтегазовых РРС ЗиПов, подключал к бп они на 12 вольт смутил большой ток на удержание контактов, хотел в защиту УНЧ,подумал не всякий транзисторный ключ выдержит да и от БП отдельного для защиты потреблять будет не маленько для двух ченнелов . А у тебя на 24в наверное?
 
Да, на 27 вольт у меня. С платы защиты Радиотехники У101
 
Внутреннее наполнение. Всё подключено, всё работает как задумано, за исключением схемы включения/отключения усилителя с пульта МП3 модуля. Её буду творчески переосмысливать. Внешний вид будет конечно другим, да и внутри тоже буду шкурить и красить. Предусилитель стоит в железной коробке, из достаточно толстого металла, никакого фона нет
 

Вложения

  • 0001.webp
    0001.webp
    68.3 KB · Просмотры: 104
  • 0002.webp
    0002.webp
    94 KB · Просмотры: 105
  • 0003.webp
    0003.webp
    52.8 KB · Просмотры: 87
  • 0004.webp
    0004.webp
    46 KB · Просмотры: 76
Назад
Сверху