• Добро пожаловать на компьютерный форум Tehnari.ru. Здесь разбираемся с проблемами ПК и ноутбуков: Windows, драйверы, «железо», сборка и апгрейд, софт и безопасность. Форум работает много лет, сейчас он переехал на новый движок, но старые темы и аккаунты мы постарались сохранить максимально аккуратно.

    Форум не связан с магазинами и сервисами – мы ничего не продаём и не даём «рекламу под видом совета». Отвечают обычные участники и модераторы, которые следят за порядком и качеством подсказок.

    Если вы у нас впервые, загляните на страницу о проекте, чтобы узнать больше. Чтобы создавать темы и писать сообщения, сначала зарегистрируйтесь, а затем войдите под своим логином.

    Не знаете, с чего начать? Создайте тему с описанием проблемы – подскажем и при необходимости перенесём её в подходящий раздел.
    Задать вопрос Новые сообщения Как правильно спросить
    Если пришли по ссылке со старого Tehnari.ru – вы на нужном месте, просто продолжайте обсуждение.

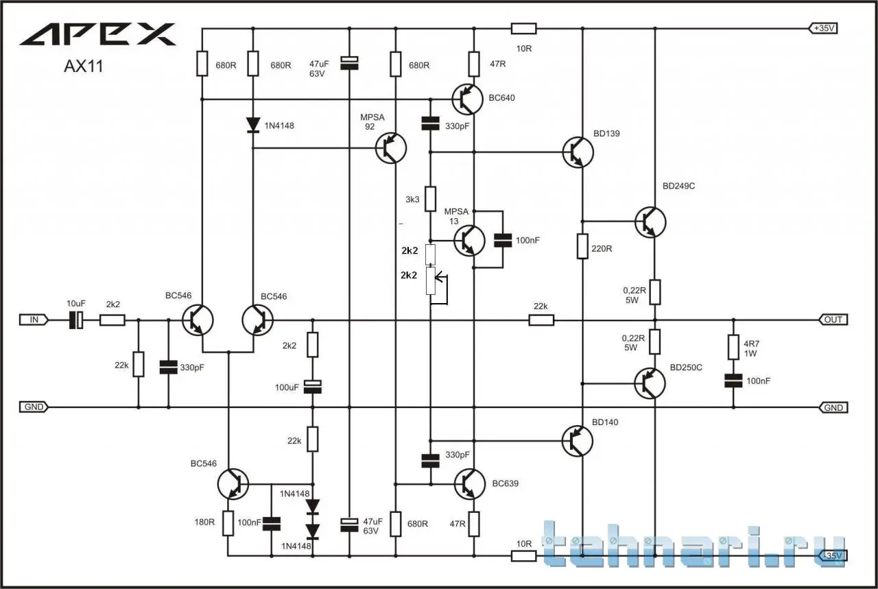
Усилитель APEX AX-11

Вложения

  • курсор.png.webp
    курсор.png.webp
    18.5 KB · Просмотры: 192
Здравствуйте laic ! Я бы с удовольствием выложил бы фотки apex 11 но я уже его поменял на деку teac,хочу в него встроить усилитель Дорофеева
 

Вложения

  • IMAG0307.webp
    IMAG0307.webp
    110.1 KB · Просмотры: 211
  • IMAG0308.webp
    IMAG0308.webp
    59.5 KB · Просмотры: 148
Здравствуйте sergeisam! Мне не понятно как сделать разрешения на ответ.
 
деку teac,хочу в него встроить усилитель Дорофеева
Желание, конечно, похвальное.
Однако, для усилителя необходимо соответствующее питание. Есть ли оно в этой деке ?

И ещё один момент.
Если в сообщении упоминается какой-либо аппарат, то есть смысл указывать не только его название, но и номер модели.
 
Последнее редактирование:
Трансформатор конечно будет другой
 
Здравствуйте. Подскажите пожалуйста как ввести регулировку коррекции ноля на выходе.
 

Вложения

  • Apex AX11 mod SCH.webp
    Apex AX11 mod SCH.webp
    33 KB · Просмотры: 307
680 ом с коллектора первого транзистора.
 
Почему-то думал с нижнего тр. по схеме на коллектор средний вывод подстроичника, а крайние на эмитера двух верхних тр.
 
Можно и так.
 
Какой номинал по советуете применить под.резистора ?
 
470 ом. Думаю хватит.
 
Решил создать тему по данному усилителю, данный усилитель не прихотлив к элементной базе ( к выбору транзисторов) усилитель не однократно собирался мною на разных комплектующих и показал себя весьма с не плохой стороны, по схеме: в целом усилитель запускается с первого раза, наладки практически не требует, но все же рекомендуется поставить подстрочный резистор для коррекции тока покоя( в родной схеме не предусмотрен) выставить ток покоя рекомендую 40-60 ма. повышать ток покоя нет особо смысла, на счёт ноля на выходе, не в одном собраном ум. не было надобности корректировать ноль, так как он в пределах разумного, а это 5-7-12 мв. Привожу фото собранных плат и схемы с печатными платами. По питанию: рекомендую на 4 ома +-27-35в. на 8 Ом от +-35 до +-45 в. в зависимости от применяемых транзисторов.Если есть какие-то вопросы задавайте.
Наверное, замечателные верха в этой конструкции. Вспоминается м\схема 140 уд1, УНЧ с малыми динамическими искажениями Бурикова Овчинникова, статьи Майорова 1976 77 гг. . Отала, одним словом( это не ругательство).
 
Наверное, замечателные верха в этой конструкции. Вспоминается м\схема 140 уд1, УНЧ с малыми динамическими искажениями Бурикова Овчинникова, статьи Майорова 1976 77 гг. . Отала, одним словом( это не ругательство).

Собери и узнаешь, какие верха и т.д.....)
 
Я до сих пор не могу понять одну вещь. Читаю сообщения в разных темах про усилки, про то, что у одного низы, у другого верха, у третьего, когда на нем Кадышеву слушаешь, она голосом Барбары Стрейзенд поет...
Американцы очень часто усилители называют не amplifire (усилитель), а gainclone (усилить-клонировать, если дословно).
Так есть ли вообще схема усилителя, который может тупо усилить входной сигнал без всякой отсебятины при работе на любую разумную реактивную нагрузку?
 
Я до сих пор не могу понять одну вещь. Читаю сообщения в разных темах про усилки, про то, что у одного низы, у другого верха, у третьего, когда на нем Кадышеву слушаешь, она голосом Барбары Стрейзенд поет...
Американцы очень часто усилители называют не amplifire (усилитель), а gainclone (усилить-клонировать, если дословно).
Так есть ли вообще схема усилителя, который может тупо усилить входной сигнал без всякой отсебятины при работе на любую разумную реактивную нагрузку?
это называется сверхлинейники и они тут не популярны
 
сигнал без всякой отсебятины
о наконец, вопрос века. В идеале нужна пара, унч и акустика, как только эту парочку подружишь все станет на свои места, только чем хвастать. Их не заметно.
Рецепт несложный, для дома. Активные колонки и для начала никаких хитрых фильтров. Это слишком просто, а мы не ищем простых решений, а раз так, то такого решения нет.
 
это называется сверхлинейники и они тут не популярны
Это требует культуры изготовления и понимания.
Здесь же (на сайте) царит примитивизм во всей красе
Рецепт несложный, для дома. Активные колонки и для начала никаких хитрых фильтров.
 
Я до сих пор не могу понять одну вещь. Читаю сообщения в разных темах про усилки, про то, что у одного низы, у другого верха, у третьего, когда на нем Кадышеву слушаешь, она голосом Барбары Стрейзенд поет...
Американцы очень часто усилители называют не amplifire (усилитель), а gainclone (усилить-клонировать, если дословно).
Так есть ли вообще схема усилителя, который может тупо усилить входной сигнал без всякой отсебятины при работе на любую разумную реактивную нагрузку?

Ты сам слушал то что говорят? Лично я слушал Американцев! И знаю чем они отличаются по звучанию от Японских и прочих! Хороший тот усилитель который нравится именно"тебе".

о наконец, вопрос века. В идеале нужна пара, унч и акустика, как только эту парочку подружишь все станет на свои места, только чем хвастать. Их не заметно.
Рецепт несложный, для дома. Активные колонки и для начала никаких хитрых фильтров. Это слишком просто, а мы не ищем простых решений, а раз так, то такого решения нет.

Рецепт один" нравится или не нравится " остальное пыль.... Подружить можно мальчика с девочкой)))))

Это требует культуры изготовления и понимания.
Здесь же (на сайте) царит примитивизм во всей красе

Каждый др. как хочит))))) каждому своё и не стоит говорить о великом.........

И как правило, в каждой теме пишим что попало, только не потеме какая есть!
 
Назад
Сверху