• Добро пожаловать на компьютерный форум Tehnari.ru. Здесь разбираемся с проблемами ПК и ноутбуков: Windows, драйверы, «железо», сборка и апгрейд, софт и безопасность. Форум работает много лет, сейчас он переехал на новый движок, но старые темы и аккаунты мы постарались сохранить максимально аккуратно.

    Форум не связан с магазинами и сервисами – мы ничего не продаём и не даём «рекламу под видом совета». Отвечают обычные участники и модераторы, которые следят за порядком и качеством подсказок.

    Если вы у нас впервые, загляните на страницу о проекте, чтобы узнать больше. Чтобы создавать темы и писать сообщения, сначала зарегистрируйтесь, а затем войдите под своим логином.

    Не знаете, с чего начать? Создайте тему с описанием проблемы – подскажем и при необходимости перенесём её в подходящий раздел.
    Задать вопрос Новые сообщения Как правильно спросить
    Если пришли по ссылке со старого Tehnari.ru – вы на нужном месте, просто продолжайте обсуждение.

Усилитель в корпусе от видеомагнитофона Sony

  • Автор темы Автор темы Ваня
  • Дата начала Дата начала
проще зашпаклевать дырки снизу, мне туды юсби не подсунуть(пробовал) а в дырке в данный момент(пишу из под стола:))) микра со светодиодом))
про накладки ищю варианты.
 
Кстати, тут недавно заходил в строительный магаз и видел там очень прикольные металлические порожки для закрывания стыков линолеума:D Может его получится использовать:D
 
Ммм....ну не знаю, не знаю, подойдут ли?:D
да...тумблеры это что-то.попробую закрепить кнопку включения под платсиковую штутку. вот эту:
 

Вложения

  • P1040912.webp
    P1040912.webp
    29.3 KB · Просмотры: 218
про динамики скажите мне пожалуйста! как подключить 2 в 1 разъем? и как скажется на мощности?
 
ну там смотря как будешь подключать.
если параллельно то вроде омы упадут, а если последовательно то они сложаться(тоесть при падении сопротивления усилок может выйти из строя(если он расчитан минимум на 4ом а ты подключил 2ом), ну а при последовательном это менее страшно-просто мощность упалдет в 2 раза(если усилок на 4ом а ты подрубил два по 4 то получаться 8 ом, мощность упадет в 2 раза).
 
тогда я думаю надо делать деревянные))
 
появилась маленькая проблема: как убрать шум от вентилятора? он гудит как паравоз:D может поставить 2 последовательно? место вроде есть, кулеры тоже.
 
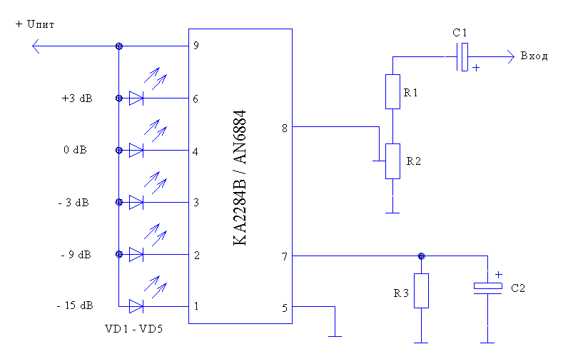
Так! правильна ли схема вот эта?
AN6884 (аналог KA2284):
Светодиодный индикатор уровня сигнала предназначен для индикации уровня переменного сигнала.
Применение: индикация настроки тюнера, индикация уровня сигнала на линейном выходе, индикация выходной мощности и.т.д.
Технические характеристики:

Напряжение питания...........................3,5 - 15 В
Ток покоя.............................................7 - 10 мА
Выходной ток.......................................7 - 10 мА
Минимальное входное напряжение......50 мВ
Частотный диапазон.............................20 - 20000 Гц
Диапазон индикации ............................18 - 20 dB

Логарифмическая шкала



Перечень элементов
R3 - 47 кОм - 100 кОм
C1 - 10 мкФ х 10 В
C2 - 1 мкФ х 10 В
VD1 - VD5 - АЛ307 (КИПМО)(светодиоды)

В зависимости от уровня входного сигнала рекомендуються номиналы R1, R2:

Uвх___________R1_______R2
100 - 500 мВ 47 кОм 47 кОм
R2 служит для регулировки чувствительности индикатора, С2 задает постоянную времени индикации С2,R2 - задают постоянную
времени
еще. как подключать светодиоды? длинной ножкой с узкой штукой внутри к плате, или на оборот?
 

Вложения

  • 3.gif
    3.gif
    7.5 KB · Просмотры: 548
Последнее редактирование:
так. ничего не работает, горят 3 лампы из 5ти, одна зеленым, хотя все красные. я выключил. может переменный резистор не так подключил?
 
Ты проверь сначала светодиоды на предмет работоспособности, и посмотри не перепутал ли ты полярность светиков.
 
с этим проблем вроде нет. меня смущяет резистор подстроечный. а так вроде правильно все.. попробую перепаять!
но светки тоже проверю тестером. полярность точно правильна:))
а может сама схема быть плохой?
ps: нашел на утилитарной станции соньку - переносной муз центр в виде приемника с кассетами и сд. буду сушить и пробовать=)
эхто уже не первый. я 3шт нашел радио...хД
 
а. не работает 1 светодиод. это может быть проблемой?
 
он горит желтым вместо красного. все перепроверил..не знаю чего....
 
Ну так поставь другой светодиод:D
 
в 9 часов вечера?:))
посоветуюсь с дядей. он технарь, если можно сказать. тут нужно видеть это дело. может сама микра паленая, не знаю. пока так соберу.
вот еще такой вопрос:
Так как делал я все вместе с форумом, и вами, то как бы это....логотип tehnari.ru мне не повредит!:D как посоветуете его сделать? крышка у видика плоская сверху, металл, в зади отверстия от вентиляции(все про верх говорю) перед пластиковый...А! придумал! светодиодный логотип технари.ру! через "трафарет"
или посоветуйте еще чего-нибудь=) также принимаются идеи по внешнему виду в целом. щя фото кину с наружи собранного.
 
Я подумал, может не делать такую штуку, а сделать вот как: на 2 канала поставить по 2 схемы(где их взять??) каждая схема усиливает сигнал до напряжения светодиода, и он просто мигает под музыку. подключить в ряд 5 таких светодиодов мигающих, в перед ними просто поставить полупрозрачную штуку, и будет как цветомузыка! .......или все таки попытаться еще раз ту сделать?
 
Я бы всё же с той попробовал ещё помудрить. По поводу твоей схемы предложенной дядей, так просто поставь транзисторы:D
 
он предложил круче(студент, чего с него взять): собрать фильтр для каждой частоты, потом усилитель сигнала и на светодиод. фильтр как для саба делают! О_о
я думаю это Очень сложно. транс нужен. еще куча всего)
 
Сделал кнопку под эту панельку(кнопка с фиксацией, а установлена туда, где нет фиксации, догло мучался:)) настраивая дальность. сделал в дырке мику со светодиодом впаянным, еще микру снизц и оргстеклом забетонировал, получилось...не совсем то, что я хотел(клею моменту спасибо .его теперь не отодрать с стекла) но тоже так получилось...загадочно)
 
Вопрос по этому усилителю:Я на 3й выход подключил саб на 10гдн-34 по моему.
Так вот когда кручу ручку резистора больше половины в динамиках начинается жуткий скрип под музыку. Судя по его характеру он не от резистора, а именно от усилка. В чем может быть проблема? Саб без фильтра. Просто большой динамик:)
 
Назад
Сверху