Смотрите видео ниже, чтобы узнать, как установить наш сайт в качестве веб-приложения на домашнем экране.
Примечание: Эта возможность может быть недоступна в некоторых браузерах.
чего-то не работает энто все....(
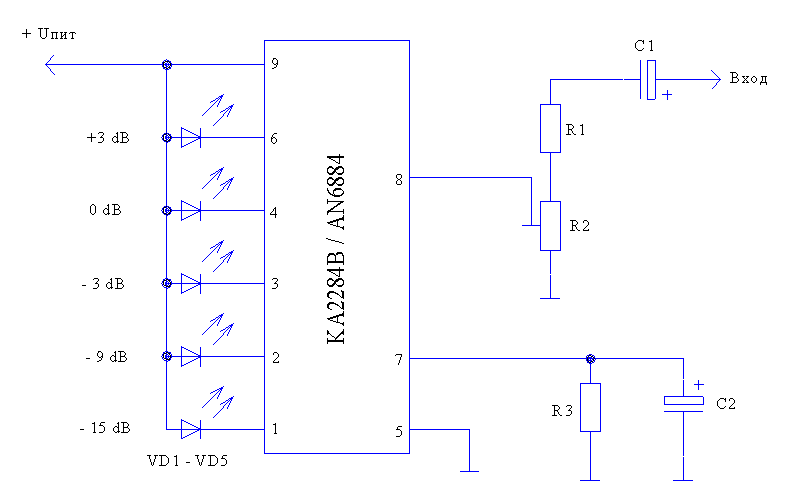
не удержался, купил таки. только там в этой плате нет R2 и нет кондеров 2х: С10 и С8
но нужны ли они?(см. вложение в посте №67)
Готовься к бОльшой критике.
А я уж думал на мне табу из-за купленной а не сделанной микры:tehnari_ru_1013:Не волнуйся, мы тут.
