- Регистрация
- 16 Июл 2016
- Сообщения
- 8,964
- Реакции
- 92
- Баллы
- 0
Смотрите видео ниже, чтобы узнать, как установить наш сайт в качестве веб-приложения на домашнем экране.
Примечание: Эта возможность может быть недоступна в некоторых браузерах.
Добро пожаловать на компьютерный форум Tehnari.ru. Здесь разбираемся с проблемами ПК и ноутбуков: Windows, драйверы, «железо», сборка и апгрейд, софт и безопасность. Форум работает много лет, сейчас он переехал на новый движок, но старые темы и аккаунты мы постарались сохранить максимально аккуратно.
Форум не связан с магазинами и сервисами – мы ничего не продаём и не даём «рекламу под видом совета». Отвечают обычные участники и модераторы, которые следят за порядком и качеством подсказок.
Если вы у нас впервые, загляните на страницу о проекте, чтобы узнать больше. Чтобы создавать темы и писать сообщения, сначала зарегистрируйтесь, а затем войдите под своим логином.
Странно. Через несколько секунд д.б. сработать автостоп.В настоящее время картина такова:
при нажатии кн. ВОСПР. каретка чётко поднимается, вращаются ролик с тонвалом, но подкатушник не вращается.
выход из этого режима-только отключением питания аппарата.
Нет, ни разу.Перемотки в обе стороны вообще ни разу не крутились?
В каких пределах оно должно быть и каким: +/- или ~?Что с управляющими напряжениями?
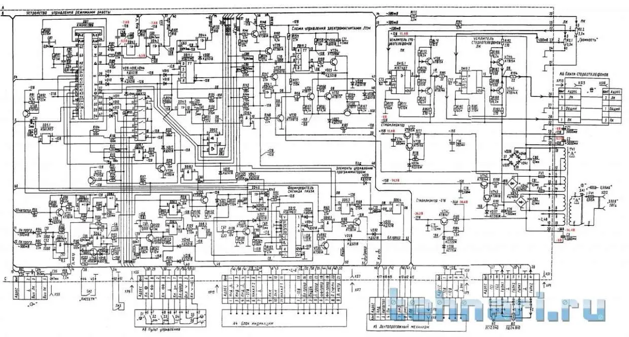
1-й контакт . давай лучше фото плат.надпись ТОЧКА
Схема тут не очень нужна. Отсчитываете на разъеме от первой ноги нужное кол-во и измеряете. Первая нога определяется по ключу - вот тут уже нужна схема.Не могли бы вы скинуть мне карту - какой точке соответствует какой номер, а то я читаю по-разному..
Да , все правильно .на указанных ножках относительно корпуса при нажатых перемотках, так?