ЗУ для АКБ

Так ребят,провода не подписаны,фото проводов какие есть я скинул,зеленого нет...микросхема (фото тоже есть) SEC K649A KA7500B
 
фото проводов какие есть я скинул,зеленого нет
Сделайте нормальные снимки (не затемненые и не засвеченые вспышкой) с обоих сторон и, чтоб видно было всю плату. И не мелкий снимок, ведь не нужное можно сперва обрезать любым редактором.
Судя по вашему БП, его уже кто то копал. Возможно на плате уже сопля висит с PS-ON на землю.
 
Значит, так.
Помахал шашкой, тему вычистил.
Причины:

1. Участник !илья! попросил о помощи/консультации по вполне конкретному и, похоже, очень важному для него вопросу. Но о нём почти в начале темы попросту забыли.
2. Дискуссия быстро перешла в писькомеряние по поводу кто более крутой водитель/механик/автоэлектрик.
3. Писькомеряние вышло на уровень перехода на личности, взаимных оскорблений и т.п.
4. Всё это было сдобрено еще и нападками на модератора - мол, не мешай нам срач разводить!
5. Один из наиболее задиристых участников был моим коллегой на несколько дней отправлен "в холодную" - остыть. Я же со своей стороны предупреждаю, что список "отдыхающих" может быть, в случае продолжения подобного базара, расширен. Александр дед, к Вам это относится в первую очередь: переходы на личности и оскорбления других участников у нас строго наказуемы.
Значит, так.
Шашки нет, пишу ручкой ответ.
1.Сопляков, пишущих чепуху, нужно банить и одёргивать, иначе они оборзеют и сядут на шею.
2.Я никогда ни на кого не нападаю, но и ТЕРПИЛОЙ никогда не был и не собираюсь быть. Просто отвечаю чудакам, которые цепляются, как банные листы.
3.Пугать меня санкциями и (строгими) наказаниями не стоит, т.к подписан на 723 сайта, забанят на 2-3 сайтах, есть сотни других.
4.Просто привык к сайту технари, который, к сожалению, не развивается, а деградирует. Особенно раздражает неудобный поисковик, нужно перерыть тонны мусора, чтобы что то найти.
 
Отвечаю по пунктам.
1.Сопляков, пишущих чепуху, нужно банить и одёргивать, иначе они оборзеют и сядут на шею.
2.Я никогда ни на кого не нападаю, но и ТЕРПИЛОЙ никогда не был и не собираюсь быть. Просто отвечаю чудакам, которые цепляются, как банные листы.
Согласен, но это - прерогатива модераторов. И только их. Прочие участники в подобных случаях могут обратиться с жалобой к модераторам/администратам, см. Правила, п.2.5. Между прочим, одним из критериев отбора членов команды форума является умение соблюдать тактичность и вежливость в ЛЮБЫХ ситуациях и не срываться на петушиные наскоки. Нарушившие этот принцип из команды исключаются без пощады и жалости. Были прецеденты.

3.Пугать меня санкциями и (строгими) наказаниями не стоит
Лично я никогда никого ничем не "пугаю", а вот предупредить - обязан. Работа такая. Между прочим, это - САМАЯ мягкая форма воздействия на нарушителей. Напоминая о последствиях нарушений, в частности касательно перехода на личности, модератор рассчитывает на то, что участник "остынет" и постарается впредь не повторять подобного, а не начнет "качать права". Дальше каждый участник решает сам.

подписан на 723 сайта
Это - прекрасно.

забанят на 2-3 сайтах, есть сотни других
О, безусловно. Вне всякого сомнения.

4.Просто привык к сайту технари, который, к сожалению, не развивается, а деградирует. Особенно раздражает неудобный поисковик, нужно перерыть тонны мусора, чтобы что то найти.
Для подобных претензий есть раздел "О сайте и форуме". Создайте тему, поставьте перед Админами конкретную задачу, тогда и разговор станет предметным. Кстати, пусть и другие участники выскажутся.
 
Спасибо за пунктуальный и подробный ответ, вступать в спор с модератором имеющим шашку-кнопку не буду, это пустая трата времени, которое очень ценю.
Всех с наступающим Новым Годом! Всем Удачи и Успехов!
 
Спасибо за пунктуальный и подробный ответ, вступать в спор с модератором имеющим шашку-кнопку не буду
Ну вот и чудесно.
Всех с наступающим Новым Годом! Всем Удачи и Успехов!
И Вам того же!
 
Так народ,я запустил данный БП,нечего замыкать не пришлось...вообщем напряжение на красном проводе +5,3 В,а на желтом 11,9В...как поднимать напряжение до 14.4В?
 
так ребята вопрос, нашел эту статью в тырнете: bp
сделал по ней,запускаю БП а он свистит и не хило так свистин,в районе трансформатора...
 
мда ребят,как флудить по всякой фигне и засирать друг-друга дак мы первые,а как помочь так тишина....круто!
 
найди зеленый, он один.
Меня тоже интересует этот вопрос.Достался блок от одного "умельца".Прежде чем проверить его работоспособность он отпаял все провода идущие к блоку. Включил,а он не работает.Забросил его на антресоли(на всякий случай).Случай подвернулся,и он отдал его мне. Не могу найти где припаивается зелёный провод.Должна быть метка (ON),но её нет. Есть только (RM) , (PG) И (3.3US). Боюсь спалить. Блок модель: 330u-SCH. ВЫРУЧАЙТЕ пожалуйста !!!
 
мда ребят,как флудить по всякой фигне и засирать друг-друга дак мы первые,а как помочь так тишина....круто!

Ты б полное имя блока дал или схему...
to Ковалев: фото можно? С двух сторон.
 
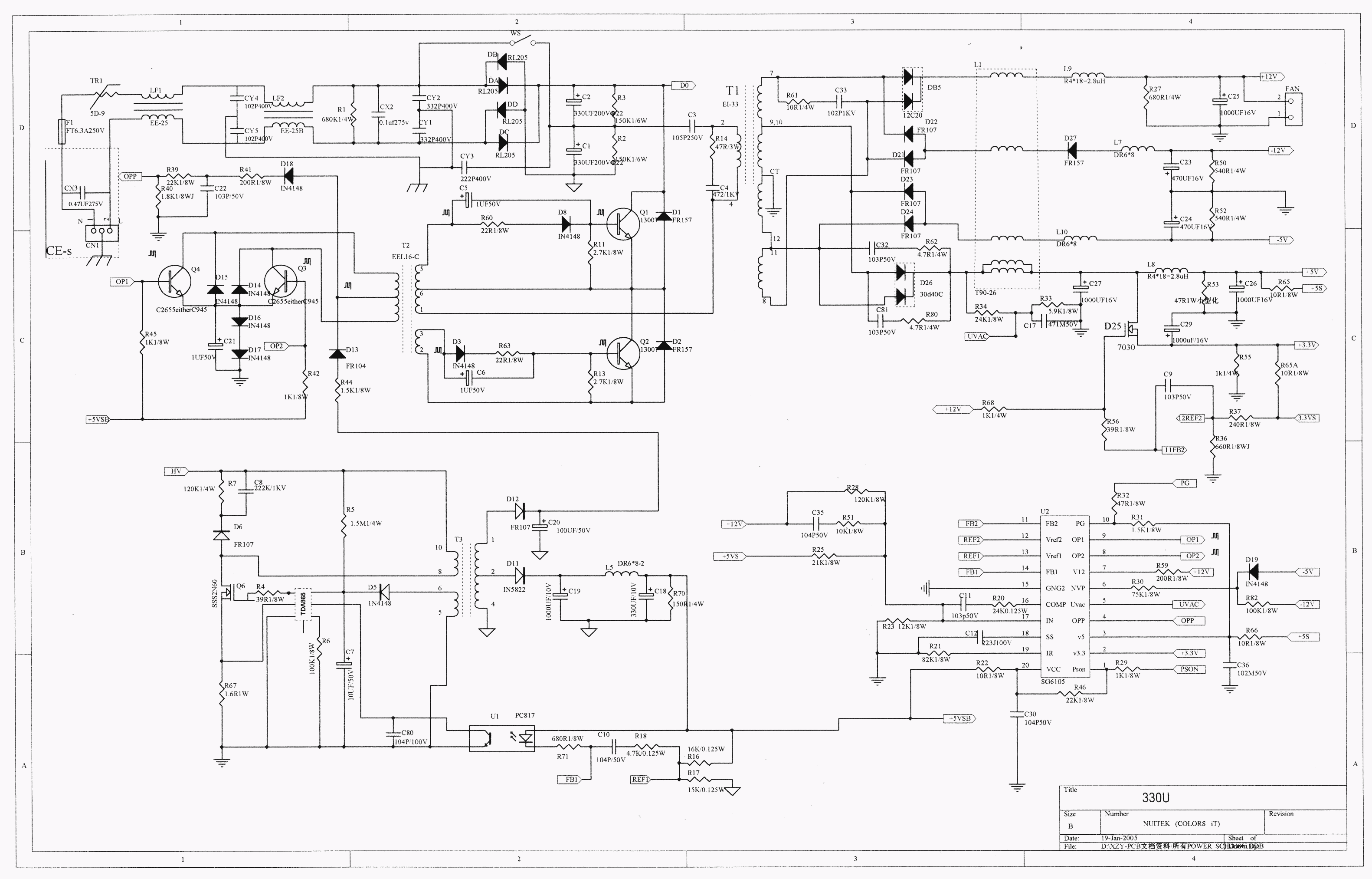
scheme-colorsit-330u-sg6105-and-tda865.gif
Посмотри эту.
 

Вложения

  • 257217d1451396046-dscn2854-1-[1].webp
    257217d1451396046-dscn2854-1-[1].webp
    69.7 KB · Просмотры: 213
  • 257218d1451396162-dscn2855-1-[1].webp
    257218d1451396162-dscn2855-1-[1].webp
    60 KB · Просмотры: 146
  • 257219d1451396238-dscn2856-1-[1].webp
    257219d1451396238-dscn2856-1-[1].webp
    64.2 KB · Просмотры: 122
свистит и не хило так свистин,в районе трансформатора..
А с напряжением на выходе все в порядке? Если так, то проблема легко решаемая - трансформатор пропитать и высушить. Удачи, Илья. И с наступающим.
 
https://www.youtube.com/watch?v=W3Lfgsjb8Dk
мда ребят,как флудить по всякой фигне и засирать друг-друга дак мы первые,а как помочь так тишина....круто!
Илья! Зачем тебе мучиться с импульсным блоком питания, сделай простейшую зарядку и за ночь он отлично зарядится током около 2 ампер.
Только форточку открой, чтобы не дышать водородом и парами свинца.
Удачи.
 
за ночь он отлично зарядится током около 2 ампер.
"За ночь" - это сколько по времени? Для аккумуляторов в лучшем случае надо влить заряд в полтора раза больше, чем потом можно забрать. Сосед машину загоняет во двор около 23, выгоняет не позже 7. 8 часов * 2 ампера - 16 А/ч дал, получил 10. Меньше 55 аккумуляторов на машинах не припоминаю. О какой "отличной" зарядке можно говорить? "Отличная компания. От других. Хопёр-инвест"
Второе: для более мощной зарядки классического типа потребуется нормальный трансформатор, изготовление или приобретение которого для многих является проблемой и/или заметными расходами. Компьютерный импульсник у Ильи уже есть.

Юрию: я просил фото с двух сторон, чтобы глянуть монтаж ;)
Раз не дали - проверьте сами по схеме, приведённой Андреем. Вывод от первой ноги микросхемы.
 
Назад
Сверху