• Добро пожаловать на компьютерный форум Tehnari.ru. Здесь разбираемся с проблемами ПК и ноутбуков: Windows, драйверы, «железо», сборка и апгрейд, софт и безопасность. Форум работает много лет, сейчас он переехал на новый движок, но старые темы и аккаунты мы постарались сохранить максимально аккуратно.

    Форум не связан с магазинами и сервисами – мы ничего не продаём и не даём «рекламу под видом совета». Отвечают обычные участники и модераторы, которые следят за порядком и качеством подсказок.

    Если вы у нас впервые, загляните на страницу о форуме и правила – там коротко описано, как задать вопрос так, чтобы быстро получить ответ. Чтобы создавать темы и писать сообщения, сначала зарегистрируйтесь, а затем войдите под своим логином.

    Не знаете, с чего начать? Создайте тему с описанием проблемы – подскажем и при необходимости перенесём её в подходящий раздел.
    Задать вопрос Новые сообщения Как правильно спросить
    Если пришли по старой ссылке со старого Tehnari.ru – вы на нужном месте, просто продолжайте обсуждение.

4А-32-2 У4 ЛОМО и 1А20 с рупорами

Собрал сегодня второй корпус, надо будет закупаться клеем и перебрать их на клей, но это уже на следующих выходных.
Также в разработке шипы и пятаки для ас.
Помещение маленькое целиком в кадр не помещаются)
 

Вложения

  • PIC_0317.webp
    PIC_0317.webp
    25.2 KB · Просмотры: 160
  • PIC_0323.webp
    PIC_0323.webp
    24.4 KB · Просмотры: 122
  • PIC_0315.webp
    PIC_0315.webp
    23.1 KB · Просмотры: 146
Чем фанеру распускаете?
 
На циркулярной пиле, листы были 1500х1500 неудобно было пилить, кое как втроём распустили.
 
Просто состыковано все хорошо, поэтому спросил. У меня ручная циркулярка похуже рез делает, хотя диск не болтается и сама не старая мало работали.
 
А Вы по направляющей режьте, тогда точно ровный срез будет.
 
Дело продвигается в перёд, медленно но верно.
Были изготовлены 8 шипов для ас, позже для них будут сделаны пятаки.
 

Вложения

  • PIC_0327.webp
    PIC_0327.webp
    39.8 KB · Просмотры: 248
  • PIC_0336.webp
    PIC_0336.webp
    70.8 KB · Просмотры: 146
  • Безымянный.png.webp
    Безымянный.png.webp
    15.9 KB · Просмотры: 260
Потихоньку работа продвигается, токарка по шипам закончена.
Начал усилять корпуса распорками, бруски 60х60мм.
Пока просто приставил распорки не закрепляя, правильно ли? и куда ещё распорок добавить?
 

Вложения

  • PIC_0009.webp
    PIC_0009.webp
    53.5 KB · Просмотры: 58
  • PIC_0012.webp
    PIC_0012.webp
    42.7 KB · Просмотры: 52
  • PIC_0003.webp
    PIC_0003.webp
    43.1 KB · Просмотры: 49
  • PIC_0004.webp
    PIC_0004.webp
    24.1 KB · Просмотры: 59
  • PIC_0006.webp
    PIC_0006.webp
    21.8 KB · Просмотры: 51
Вот сюда лучше распорку, самое прослабленное место(ну или изнутри панель тут усилить второй полосой фанеры, дсп)
ломо.webp
 
Получается где образовалась тонкая перемычка нужно усилить бруском, и между этим бруском и установить распорку к другой распорке или задней стенке.
 

Вложения

  • PIC_0005m.webp
    PIC_0005m.webp
    20.4 KB · Просмотры: 42
Да, можно и так.
 
Установил сегодня распорки, усилил ослабленное место бруском, и соединил его с поперечной распоркой корпуса.
Вот думаю стоит ли усиливать заднюю стенку бруском, как на последнем фото?
Какие ещё будут рекомендации по корпусу?
 

Вложения

  • PIC_0013.webp
    PIC_0013.webp
    28.1 KB · Просмотры: 148
  • PIC_0015.webp
    PIC_0015.webp
    30 KB · Просмотры: 137
  • PIC_0017.webp
    PIC_0017.webp
    47.6 KB · Просмотры: 51
  • PIC_0019.webp
    PIC_0019.webp
    44.4 KB · Просмотры: 58
  • PIC_0018.webp
    PIC_0018.webp
    24.4 KB · Просмотры: 52
Лучше врезать брус вот так и к нему привинчивать заднюю стенку...
ломо.webp
 
Вань, на морде вклеивай еще бруски, так же как ты сделал на перемычке между динамиками, фанера у тебя тонкая, по этому усиливай по максимуму, чтобы исключить паразитный резонанс. По поводу задней стенки нормальное решение.
 
Можно еще и так (морда усилится)
ломо.webp
 
Понятно завтра продолжу усиливать всё это дело.
А фанеру самую толстую брал 20мм больше у насtehno015 в городе нет

Там внизу уже распорка стоит посередине, получается в том же месте установить ещё две распорки, тогда окна между ними совсем небольшие будут, мешать звуку не будет?
 

Вложения

  • PIC_0019.webp
    PIC_0019.webp
    46.1 KB · Просмотры: 53
Не будет, еще наполнителя набьешь и все ОК.
 
Забегая вперёд, какой наполнитель взять, Из того что легко достать синтепон, вата аптечная ( но дороговато получается) Ватин, 3 мм примерно, у нас продаётся как ветошь.
Так же есть магазин авто звука, где есть поролон разной формы.
Может что ещё поискать?
 
Последнее редактирование:
Вот такие пирамидки хорошо работают на стенках колонок(от переотраженки и стояков).
поролон1.webp
А набить, да что под рукой будет, хоть базальтовой ватой(урсой) средней плотности (30-40кг/м куб).
 
Там внизу уже распорка стоит посередине
Вань, ты просто наклей поперечные бруски на переднюю стенку и всё (связывать с боками дополнительно не надо.)
По поводу наполнителя, оклеиваешь ватином стены, а дальше (если всё нормально отстроено) ничего более не надо, разве что чуть-чуть подправить звук мешочком с ватой, подвешенным в центре корпуса.
 
Сегодня Установил дополнительные распорки, и затарился крепежом
Ели нашёл забивные гайки, для крепления динамиков, по всему городу катался. Кое как нашёл нигде даже не слыша ли о таких гайках.
Сразу докупил саморезов и клея чтоб уж точно хватило.
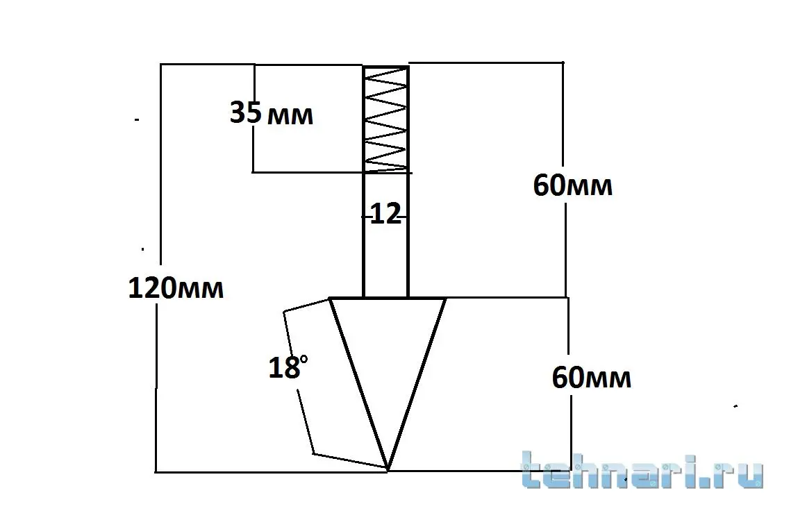
Взял ещё шайбы и гайки для шипов.
 

Вложения

  • PIC_0021.webp
    PIC_0021.webp
    48.8 KB · Просмотры: 60
  • PIC_0025.webp
    PIC_0025.webp
    52.2 KB · Просмотры: 129
  • PIC_0023.webp
    PIC_0023.webp
    33.9 KB · Просмотры: 63
  • PIC_0028.webp
    PIC_0028.webp
    89.6 KB · Просмотры: 129
  • PIC_0030.webp
    PIC_0030.webp
    106.9 KB · Просмотры: 76
  • PIC_0033.webp
    PIC_0033.webp
    64.5 KB · Просмотры: 52
  • PIC_0022.webp
    PIC_0022.webp
    25.6 KB · Просмотры: 47
  • Like
Реакции: WHS
Назад
Сверху