• Добро пожаловать на компьютерный форум Tehnari.ru. Здесь разбираемся с проблемами ПК и ноутбуков: Windows, драйверы, «железо», сборка и апгрейд, софт и безопасность. Форум работает много лет, сейчас он переехал на новый движок, но старые темы и аккаунты мы постарались сохранить максимально аккуратно.

    Форум не связан с магазинами и сервисами – мы ничего не продаём и не даём «рекламу под видом совета». Отвечают обычные участники и модераторы, которые следят за порядком и качеством подсказок.

    Если вы у нас впервые, загляните на страницу о проекте и правила – там коротко описано, как задать вопрос так, чтобы быстро получить ответ. Чтобы создавать темы и писать сообщения, сначала зарегистрируйтесь, а затем войдите под своим логином.

    Не знаете, с чего начать? Создайте тему с описанием проблемы – подскажем и при необходимости перенесём её в подходящий раздел.
    Задать вопрос Новые сообщения Как правильно спросить
    Если пришли по старой ссылке со старого Tehnari.ru – вы на нужном месте, просто продолжайте обсуждение.

Акустическая система Microlab M-890

Фильтр нижних частот — Википедия
по читал я это. если честно так и нечего не понял. смотри а вот что я нашёл в самом низу Расчёт фильтров акустических систем там вводить надо. я проста понять не могу у меня на пример есть колонки вега 50 ват. вот в них стоит плата из за которой один динамик высокие частоты выдаёт другой низкие. вот и почему нельзя сделать так с этим сабом?
 
эм, то что стоит в веге это кроссовер, разделитель полос, тебе же нужен элементарный ФНЧ который ставиться на вход УНЧ. ты определился чем раскачивать сабик будешь?
 
эм, то что стоит в веге это кроссовер, разделитель полос, тебе же нужен элементарный ФНЧ который ставиться на вход УНЧ. ты определился чем раскачивать сабик будешь?

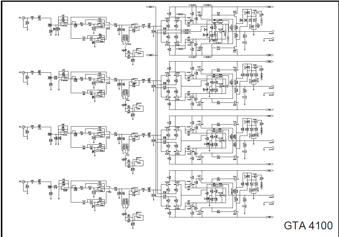
у меня есть вот такой усилитель машинный blaupunkt gta-4100 где на этот уселок можно инструкцию найти? в нете везде облазил то вирус то платное смс. дело в том что не знаю как его подсоединить и он в роди не работает. по поводу его можно писать в этой теме? или другую со сдавать?
 
у меня есть вот такой усилитель машинный blaupunkt gta-4100 где на этот уселок можно инструкцию найти? в нете везде облазил то вирус то платное смс. дело в том что не знаю как его подсоединить и он в роди не работает.
Как подключить blaupunkt gta-4100 - Поиск в Google
 

подсоединил плюс к плюсу минус на корпус сгорели эти 2 обведённые красным

blaupunkt1.webp

что делать?
 
Менять транзисторы, что ж еще... выходы УНЧ были замкнуты наверное, да?

я цешкой проверял все эти транзисторы. из них 8 нормальные. а те которые обведены красным. все 6 они такое ощущения что замкнутые. то есть у каждого из этих 6 у них 3 ножки пропускают ток. не одна ножка не занижает. значит они все 6 сгоревшие? вот эти 6

blaupunkt2.webp
 
надо смотреть схему УНЧ... есть?
 
Последнее редактирование модератором:
тебя за подобное размещение файлов накажут модераторы...
По УНЧ, у тебя вышибло A1266 и IRFZ44 транзисторы?
 
тебя за подобное размещение файлов накажут модераторы...
По УНЧ, у тебя вышибло A1266 и IRFZ44 транзисторы?

можешь на плати показать где находятся A1266 и IRFZ44 транзисторы?
 
Да неее...что-то опять вроде не то говоришь...Кидай фото крупным планом.
 
Что-то я ничего не понимаю... либо схема не на тот УМ либо это китай-сборка, по схеме в БП Q7,Q8,Q9,Q10 стоят мосфеты IRZF44, на плате же какая то неразбериха...
 
Усилок подделка, либо схема неверная.
 
Что-то я ничего не понимаю... либо схема не на тот УМ либо это китай-сборка, по схеме в БП Q7,Q8,Q9,Q10 стоят мосфеты IRZF44, на плате же какая то неразбериха...

я писал что он бу. на этих всех 4 канифоль свежая может их при ведущий хозяин поставил? там все 4 должны стоять IRZF44?
 
Назад
Сверху