Смотрите видео ниже, чтобы узнать, как установить наш сайт в качестве веб-приложения на домашнем экране.
Примечание: Эта возможность может быть недоступна в некоторых браузерах.
Получается предварительный не выдаёт?Попробуйте закоротить крест-накрест:
Посмотреть вложение 462495.
Сумеете? Это что-бы понять - предварительный канал не выдаёт положенный уровень сигнала или оконечный не в порядке.
Теперь не работает правая.
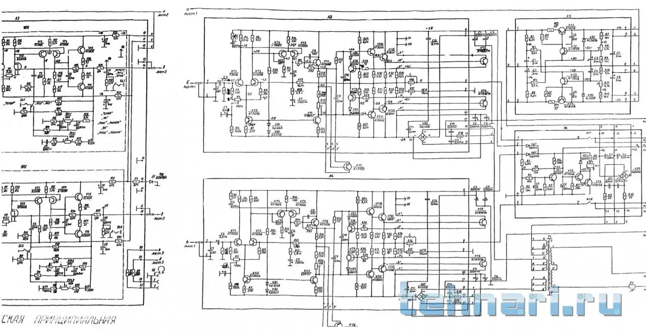
. Посмотреть вложение Амфитон-У-002 (электрические схемы) (2).zip.В догонку:
Посмотреть вложение 462502,Посмотреть вложение 462503
где находятся предварительные каналы. Только - аккуратно!
... Фотки бы вот как то бы ещё отправлять, и мне и вам было бы проще.
,
.... но с входа ЗС хрепит и этот канал, как будто перегрузка.
Так вроде ничего сложного. Получилось же в этот раз фото вставить.
Посмотреть вложение 462510,Посмотреть вложение 462511.
Заходите на форуме помогут. Да, всё таки хотелось бы увидеть марку транзисторов выхода, те которые стоят на радиаторе. Пластмассовые крышки на винтиках, сами транзисторы снимать/выпаивать для этого не нужно. Просто мне известно три модификации этого усилителя, различаются выходными усилителями (УМ), ну и соответственно нумерация элементов на печатных платах будет отличатся. В предварительных тоже. (предварительные одинаковые).
Было бы желание, и в схемах разбираться начнёте.
Насколько мне известно, там могут стоять только КТ818ГМ и КТ819ГМ. Или я чего-то не знаю?Да, всё таки хотелось бы увидеть марку транзисторов выхода, те которые стоят на радиаторе.
КТ818ГМ и КТ819ГМ.
,
,
КТ864А и КТ865А ставили уже не в Амфитон 002, а в Амфитон 202, по моемуКогда искал схему для профилактики/ремонта усилителя (открывал как-то тему), то вот:
Посмотреть вложение 462513,Посмотреть вложение 462514,Посмотреть вложение 462515
Посмотреть вложение 462516
КТ864А и КТ865А ставили уже не в Амфитон 002, а в Амфитон 202, по моему
,
,
Вот ещё, разнобой какой-то
.Походу изгалялись как хотели:
Посмотреть вложение 462526,Посмотреть вложение 462527,Посмотреть вложение 462528
А ведь у ТС на выходе КТ819ГМ/КТ818ГМ , а стоит КТ315 а не КП303 (VT1).
Да, вроде нормальный разнобой. Ничего криминального не видно.
В предварительном, замеры не делали?
Замеры не делал, не может до меня дойти как и куда тыкать*
![]()
Замеры не делал, не может до меня дойти как и куда тыкать*
![]()
Вроде наметил. Разбираться по фото - ещё то "занятие". Замеры производить относительно "общего" провода (точки - обозначил), можно относительно "шасси" (корпус усилителя). У ,Вас, мультиметр - ставте предел измерения постоянного напряжения, "чёрный" на корпус ("общий"), "красный" - на плату (измерять). Полярность мультиметр должен выбрать сам.
,
,
.
Как-то так. Пробуйте. Аккуратно.