• Добро пожаловать на компьютерный форум Tehnari.ru. Здесь разбираемся с проблемами ПК и ноутбуков: Windows, драйверы, «железо», сборка и апгрейд, софт и безопасность. Форум работает много лет, сейчас он переехал на новый движок, но старые темы и аккаунты мы постарались сохранить максимально аккуратно.

    Форум не связан с магазинами и сервисами – мы ничего не продаём и не даём «рекламу под видом совета». Отвечают обычные участники и модераторы, которые следят за порядком и качеством подсказок.

    Если вы у нас впервые, загляните на страницу о форуме и правила – там коротко описано, как задать вопрос так, чтобы быстро получить ответ. Чтобы создавать темы и писать сообщения, сначала зарегистрируйтесь, а затем войдите под своим логином.

    Не знаете, с чего начать? Создайте тему с описанием проблемы – подскажем и при необходимости перенесём её в подходящий раздел.
    Задать вопрос Новые сообщения Как правильно спросить
    Если пришли по старой ссылке со старого Tehnari.ru – вы на нужном месте, просто продолжайте обсуждение.

Автопреобразователь, помогите разобраться

  • Автор темы Автор темы jmd36
  • Дата начала Дата начала
Феррит подозрительно выглядит. Я так понимаю он не крашеный т.к. фаски ты говорил сам снимал. Так почему он серо-голубой? Феррит ли это?

это фото такое получилось, он серый на нем даже магнитопроницаемость была указана 3000, я ж вам писал уже как только купил его
 
а осцилографа у меня нет чтоб проверить микру

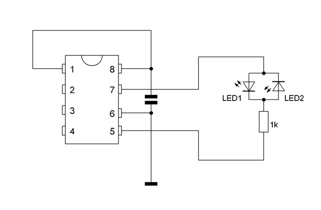
Для проверки генерации микросхемы собираем цепь из двух встречно-параллельных диодов и подключаем через резистор 1 кОм к выводам 5 и 7.

проверка генерации 2.webp


Должны светиться оба светодиода.


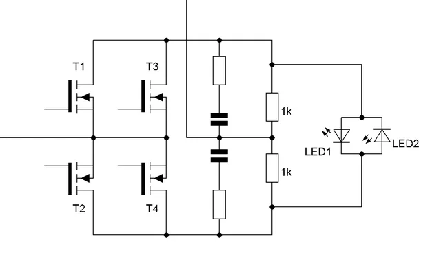
Для проверки работы ключей вместо трансформатора впаиваем два резистора 1 кОм, по одному на место каждой полуобмотки. Затем цепь из двух встречно-параллельных диодов подключаем к крайним выводам резисторов

проверка генерации.webp

Также должны светиться оба светодиода.
 
Для проверки генерации микросхемы собираем цепь из двух встречно-параллельных диодов и подключаем через резистор 1 кОм к выводам 5 и 7.

Посмотреть вложение 162275


Должны светиться оба светодиода.


Для проверки работы ключей вместо трансформатора впаиваем два резистора 1 кОм, по одному на место каждой полуобмотки. Затем цепь из двух встречно-параллельных диодов подключаем к крайним выводам резисторов

Посмотреть вложение 162276

Также должны светиться оба светодиода.

буду проверять,как проверю отпишусь,а только один вопрос сопротивление сколько ватт брать?
 
Для проверки генерации микросхемы собираем цепь из двух встречно-параллельных диодов и подключаем через резистор 1 кОм к выводам 5 и 7.

Посмотреть вложение 162275


Должны светиться оба светодиода.


Для проверки работы ключей вместо трансформатора впаиваем два резистора 1 кОм, по одному на место каждой полуобмотки. Затем цепь из двух встречно-параллельных диодов подключаем к крайним выводам резисторов

Посмотреть вложение 162276

Также должны светиться оба светодиода.

Мощность любая.

если завтра на оаботе буду свободен попробую проверить и тогда отпишусь
 
провел сегодня эти опыты,на микре диоды горели ярко, на плечах тускло, и кстати я не нашел резисторы на 1 ком, взял 1,2 ком
 
на микре диоды горели ярко, на плечах тускло, и кстати я не нашел резисторы на 1 ком, взял 1,2 ком

При опыте с плечами не забыл последовательно с диодами резистор убрать?
 
При опыте с плечами не забыл последовательно с диодами резистор убрать?

не забыл убрал,только щас в голову пришло ресторы надо было впаивать: плече- резисто- резистор плече, или плече- резистор- средняя точка- резистор - плече?
 
Последнее редактирование:
так этг че опять транзюки сгорели?я так разорюсь если постоянно их покупать
 
не забыл убрал,только щас в голову пришло ресторы надо было впаивать: плече- резисто- резистор плече, или плече- резистор- средняя точка- резистор - плече?

Схемы я для чего рисовал?


так этг че опять транзюки сгорели?

Пока нет причин так считать. Возможно выхода микросхемы не хватает для раскачки полевиков.
 
Схемы я для чего рисовал?




Пока нет причин так считать. Возможно выхода микросхемы не хватает для раскачки полевиков.

короче я не правильно припоял резсторы при проверке транзюков, я не припоял их к средней точке, в понедельник приеду на работу припояю резисторы к плечам и средней точке, проверю и отпишусь
 
перепоял резисторы на плечах, подсоединил диоды, горят ярко как и на микре, я теперь вообще не могу понять в чем проблема
 
и еще померял напругу на плечах без транса, в одно 12.3 в другом 9.4, а когда подключаю транс сразу накаляеться лампа и греються транзюки, и померял сопротивление на плечах транса получилось 0.9 ом
 
Какие номиналы частотозадающей цепочки R2 и С1?

Размеры кольца напиши.

и еще померял напругу на плечах без транса, в одно 12.3 в другом 9.4

В каких именно точках мерил?
 
с1-102(1n),r2-22k,настроена на частоу 30 кгц,кольцо 32*16*8 магнитопроницаемость 3000, 2 штуки склеенных вместе, а мерял на плечах первички где подсоеденяеться транс
 
Просчитал транс, меньше 5 витков на плечо не получается. Учитывая возникшие у тебя проблемы, намотай первичку по 7 витков на плечо.

И еще. Из этого кольца на 30 кГц все равно больше 200 Вт не выжать, поэтому я бы удалил из каждого плеча по одному IRFZ44N, а у оставшихся резисторы в затворе на 47 Ом заменил бы на 20...24 Ом. Это обеспечит более резкие фронты переключения полевиков, что улучшит их управляемость и снизит тепловыделение.
 
Просчитал транс, меньше 5 витков на плечо не получается. Учитывая возникшие у тебя проблемы, намотай первичку по 7 витков на плечо.

И еще. Из этого кольца на 30 кГц все равно больше 200 Вт не выжать, поэтому я бы удалил из каждого плеча по одному IRFZ44N, а у оставшихся резисторы в затворе на 47 Ом заменил бы на 20...24 Ом. Это обеспечит более резкие фронты переключения полевиков, что улучшит их управляемость и снизит тепловыделение.

так а 7 витков в плече если мотать в 4 жилы не влезет, и еще вторичку так 9 витков и оставлять?так и что вся проблема в трансе?
 
Первичку мотай в 2 жилы, а вторичку в одну жилу 16+16 витков.
 
Первичку мотай в 2 жилы, а вторичку в одну жилу 16+16 витков.

щас перемотаю, подключу отпишусь, ток транзюки я выпоял, а вот сопротивлений на 20 ом нет, пока оставить эти можно?
 
Назад
Сверху