Смотрите видео ниже, чтобы узнать, как установить наш сайт в качестве веб-приложения на домашнем экране.
Примечание: Эта возможность может быть недоступна в некоторых браузерах.
Добро пожаловать на компьютерный форум Tehnari.ru. Здесь разбираемся с проблемами ПК и ноутбуков: Windows, драйверы, «железо», сборка и апгрейд, софт и безопасность. Форум работает много лет, сейчас он переехал на новый движок, но старые темы и аккаунты мы постарались сохранить максимально аккуратно.
Форум не связан с магазинами и сервисами – мы ничего не продаём и не даём «рекламу под видом совета». Отвечают обычные участники и модераторы, которые следят за порядком и качеством подсказок.
Если вы у нас впервые, загляните на страницу о проекте, чтобы узнать больше. Чтобы создавать темы и писать сообщения, сначала зарегистрируйтесь, а затем войдите под своим логином.
По два параллельно 47ом сделай.
У тебя либо есть в схеме какой-то косяк. Либо кольцо из какого-то непонятного феррита. Попробуй на трансе от БП компа сделать.
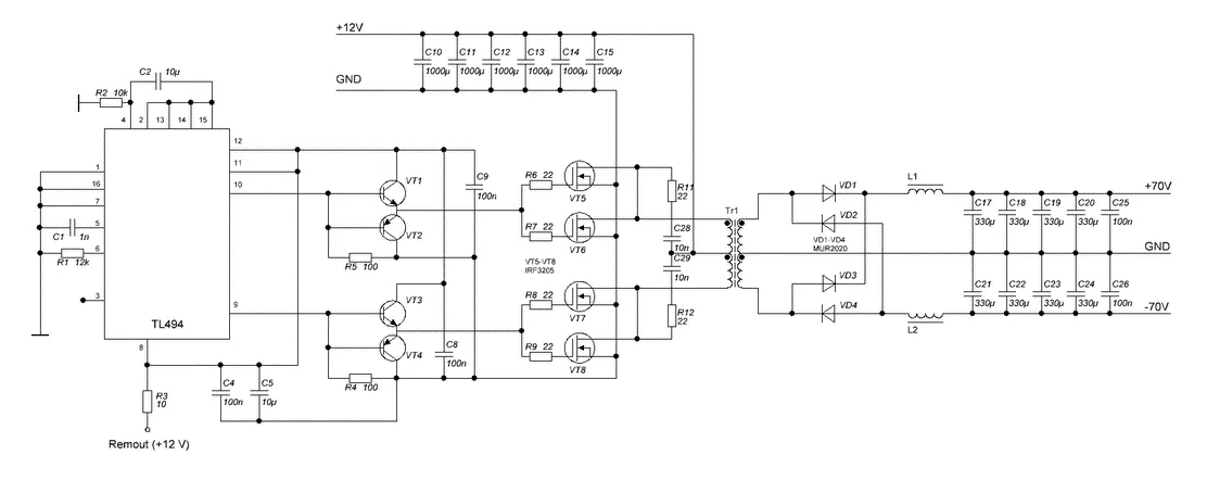
Даже не знаю что сказать. Схема рабочая, за исключением одной ошибки, про которую 100 раз говорилось - выводы микросхемы 1 и 8 должны быть соединены. Правильно собранная из исправных деталей на трансе БП компа эта схема не может не работать. У тебя явно есть где-то косяк, что-то ты не так делаешь. Нет никакой гарантии, что в новой схеме ты не повторишь этой же ошибки.


Раз уж решил начать сначала, давай сделаем так. Сергей собирал отличный преобразователь, думаю он поможет разъяснить некоторые моменты.
Посмотреть вложение 163336
Вот схема
Посмотреть вложение 163335
и печатки Посмотреть вложение 163337
С ней и начнем работать. В этой схеме ТЛ494 заменяем на ИР2153. Транзисторы перед полевиками BD139/BD140. Эти транзисторы улучшают управление полевиками и снижают их нагрев.
Транс у него на трех кольцах, но если мощность больше 200Вт не нужна, то можно использовать транс от БП компа и по одному полевику в плечо.
Для каких целей нужен преобразователь, какой усилок собираешься питать от него?
Вопросами не достал, можешь задавать дальше. Но разрабатывать печатку нет времени. Выложи фотки того что сделано, желательно поподробней, посмотрю на досуге, может увижу что.
Выложи lay-файл по которому плата делалась. А то фотки ни с одним рисунком печатки не сходятся.
На конденсаторе С1 что написано?