Автопреобразователь, помогите разобраться

  • Автор темы Автор темы jmd36
  • Дата начала Дата начала
никаких прогнозов не можете сказать??
 
Криминала не нашел. Либо между дорожками есть замыкание или разрыв, либо какой-то из элементов неисправен. Прозвони дорожки и проверь мультиметром все резисторы на соответствие сопротивлений. И поищи в нете как полевые транзисторы проверять.
 
Криминала не нашел. Либо между дорожками есть замыкание или разрыв, либо какой-то из элементов неисправен. Прозвони дорожки и проверь мультиметром все резисторы на соответствие сопротивлений. И поищи в нете как полевые транзисторы проверять.

транзисторы я проверял, рабочие, перед впайкой проверял каждое сопротивление, я сегодня или завтро выложу печатку, немного переделанную, вас попрошу ее просмотреть
 
вот попытался переделать печатку под себя,с того бп который вы мне скинули,и теперь нимогу подключить транзюки к микре,помогите пожалуйста,только не смейтесь сильно с того что я намудрил
 

Вложения

  • эксперимент.webp
    эксперимент.webp
    72.8 KB · Просмотры: 71
  • ПН1.webp
    ПН1.webp
    31.7 KB · Просмотры: 724
  • Печатк1а.webp
    Печатк1а.webp
    124.1 KB · Просмотры: 74
  • 33333333нный.webp
    33333333нный.webp
    79.5 KB · Просмотры: 131
вот попытался переделать печатку под себя,с того бп который вы мне скинули,и теперь нимогу подключить транзюки к микре,помогите пожалуйста,только не смейтесь сильно с того что я намудрил

не понял чего вы хотели добиться переделывая печатку? Уменьшить плату на 2см. Овчинка выделки не стоит. Собирай по проверенной печатке
 
не понял чего вы хотели добиться переделывая печатку? Уменьшить плату на 2см. Овчинка выделки не стоит. Собирай по проверенной печатке

я конечно извеняюсь,но читайте прежде тему чем попросту давать ненужные советы
 
я конечно извеняюсь,но читайте прежде тему чем попросту давать ненужные советы
прочитал так и не понял зачем переделывать печаткуtehno015
Под два транзистора вместо 4? Так проще их просто не впаивать. Допустим 2 средних или два крайних
 
прочитал так и не понял зачем переделывать печаткуtehno015
Под два транзистора вместо 4? Так проще их просто не впаивать. Допустим 2 средних или два крайних

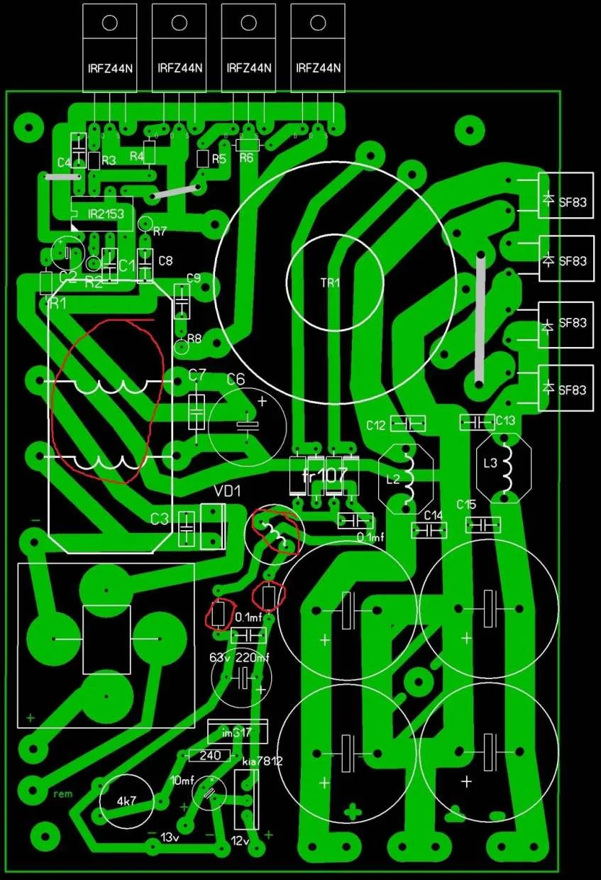
суть не в том,просто 4 транзюка мне не надо,т.к. мощность мне нужна не большая,синфазный дросель на входе безполезен,для улучшения переключения полевиков ставяться еще доп транзюки которые также снижают тепловыделение полевиков,и у меня бок где то был в печатке вот и решил немного переделать под себя
 
суть не в том,просто 4 транзюка мне не надо,т.к. мощность мне нужна не большая,синфазный дросель на входе безполезен,для улучшения переключения полевиков ставяться еще доп транзюки которые также снижают тепловыделение полевиков,и у меня бок где то был в печатке вот и решил немного переделать под себя

1. 4 транзистора не надо поставь два.
2. синфазный дросель на входе бесполезен- ставь перемычки
3. просто добавь транзисторы да и всё
 
1. 4 транзистора не надо поставь два.
2. синфазный дросель на входе бесполезен- ставь перемычки
3. просто добавь транзисторы да и всё

ты такой простой, тупо взять сверху налепить!, я так не люблю да и не эстэтично, просто нужна помощь при их подключению к этой микре
 
ты такой простой, тупо взять сверху налепить!, я так не люблю да и не эстэтично, просто нужна помощь при их подключению к этой микре

Где написано что сверху. Вообще то то ирка должна потянуть два транзистора
 
Где написано что сверху. Вообще то то ирка должна потянуть два транзистора

вы печатку смотрели которую я делаю, я перед полевакима еще 4 транзистора ставлю для лучшего переключения полевиков
 
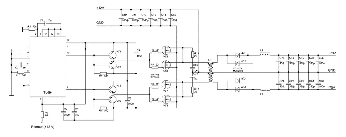
Сергей, насколько я понял ты собрался делать преобразователь по предложенной Андреем Azziop схеме. Тогда причем здесь ирка? Там TL.

Не мне тебе давать советы, но по-моему ты только усложняешь себе задачу: не разобрался с одной платой (схемой) и собрался делать другую. Думаешь повезёт? Схема-то рабочая и ничего сложного в ней нет.

Мне сдаётся у тебя кольца левые. Как феррит может быть серым? Он же черный.
 
Сергей, насколько я понял ты собрался делать преобразователь по предложенной Андреем Azziop схеме. Тогда причем здесь ирка? Там TL.

Не мне тебе давать советы, но по-моему ты только усложняешь себе задачу: не разобрался с одной платой (схемой) и собрался делать другую. Думаешь повезёт? Схема-то рабочая и ничего сложного в ней нет.

Мне сдаётся у тебя кольца левые. Как феррит может быть серым? Он же черный.

С платой то все понятно,я понимаю как она работает,но мне просто надоело искать в ней косяк,а Андрей предложил немного просто ее переделать,убрать 2 полевика и перед ними поставить 4 транзистора,которые обеспечат лучшее переключение полевиков и меньшее их тепловыделение,вот и вся переделка(а ну и убрал синфазный дросель(сказали что он безполезен) и реле,вот и вся переделка,но у меня трудность их подключить к ирке).А насчет ферита я не знаю на нем и маркировка была и магнитопроницаемость указана была,щас уже конечно не разобрать,просто покрывал его лентой пропитанной лаком(такой обмотки двигателе мотают)
 
ладно никто не хочет помочь,буду сам мозговать,или тогда вообще лучше соберу денег и куплю готовый,а то я смотрю на форуме я уже всем надоел со своими проблемами((((
 
Вроде бы речь шла обИли тут тоже проблемы возникли?

да у меня сложности подключение транзисторов,перед полевиками,у меня не хватает мозгов подключить их к микре,наброски печатки в 264 посте
 
спасибо всем за помощ, кто откликнулся, дальше буду сам мудрить рас уж всем это надоело(((((
 
Думаю стоит подождать Андрея, он свою мысль продолжит :)
 
Назад
Сверху