• Добро пожаловать на компьютерный форум Tehnari.ru. Здесь разбираемся с проблемами ПК и ноутбуков: Windows, драйверы, «железо», сборка и апгрейд, софт и безопасность. Форум работает много лет, сейчас он переехал на новый движок, но старые темы и аккаунты мы постарались сохранить максимально аккуратно.

    Форум не связан с магазинами и сервисами – мы ничего не продаём и не даём «рекламу под видом совета». Отвечают обычные участники и модераторы, которые следят за порядком и качеством подсказок.

    Если вы у нас впервые, загляните на страницу о проекте, чтобы узнать больше. Чтобы создавать темы и писать сообщения, сначала зарегистрируйтесь, а затем войдите под своим логином.

    Не знаете, с чего начать? Создайте тему с описанием проблемы – подскажем и при необходимости перенесём её в подходящий раздел.
    Задать вопрос Новые сообщения Как правильно спросить
    Если пришли по ссылке со старого Tehnari.ru – вы на нужном месте, просто продолжайте обсуждение.

Был проигрыватель Радиотехника ЭП-101

Статус
В этой теме нельзя размещать новые ответы.
Да нет, все нормально. Спасибо за конструктив. Статью и раньше читал. Путь эволюционный прошел самостоятельно. Можно было принять на веру, но у меня свой путь, мне нужно было все попробовать самому, проверив на практике все варианты.
Полностью согласен с написанным.
 
возможно это проблема моих 072, но по постоянке каждая имеет свой режим . схема изменилась с учетом этого и остального. Постоянки на выходе нет.
 

Вложения

  • nnrv1rmaa.GIF
    nnrv1rmaa.GIF
    12.7 KB · Просмотры: 67
описание корректора Андронникова Линкс_04, из 600 поста. Повторять авторское надо до мелочей, но режим самоизоляции, домашние даже выйти из дома не дают.
Написано доступным языкам, загнал схему в симулятор, да, с фильтром rmaa на входе получаем на выходе, ровную ачх. Но, в макетике на 072, это работает, но хреново звучит и пришла идея, переставить фильтр. К удивлению это работает.
 

Вложения

  • nnrv2rmaa.GIF
    nnrv2rmaa.GIF
    12.8 KB · Просмотры: 55
Ну не знаю? Таким интегратором на входе, ты просто гладишь характеристику как утюгом и все ... :(
 
ы просто гладишь характеристику как утюгом
в оригинальной схеме утюг стоит после первого микроба, фильтр после него. У меня он на входе, обвязка первого микроба одинаковая с оригиналом, так что ничего лишнего не режет. Разница в том, что зачем усиливать, чтобы потом резать. 072 в таком варианте хватает, а в оригинале нужен супер микроб. Работающий прикол, не посягающий на основы мироздания.
 
Но, в макетике на 072, это работает, но хреново звучит

У 072 довольно слабый выход, а на высоких частотах у 220нФ сопротивление совсем малое и получается что выход ОУ нагружен сопротивлениями в цепи ООС менее чем 2кОм. Возможно из-за низкоомной нагрузки искажения вылазят. Попробуй эту емкость в 10 раз уменьшить, а сопротивления в цепи ООС увеличить в 10 раз.


Разница в том, что зачем усиливать, чтобы потом резать.

Если резать высокие до первого ОУ, то шумы этого ОУ идут далее в полном объеме. Если же рез высоких будет после ОУ, то вместе с высокими подрежется и шум ОУ.
 
У 072 довольно слабый выход,
это да, попробую варианты. В любом случае 072 потому, что она есть и варианты которые пробовал, сравниваются на ней а в этом случае тут шумы не бросаются на ух.
послушаю немного, определюсь.
 
Итог для 072. Не может она делать два дела, линейное усиление ее максимум.
Из всех вариантов остался этот. Мягко чисто без рези. Осталось причесать и на этом все, это максимум возможного для этого микроба. Последнее что можно сделать, поднять питание да максимального, но чуть позже.
 

Вложения

  • nnrv3rmaa.GIF
    nnrv3rmaa.GIF
    12.9 KB · Просмотры: 50
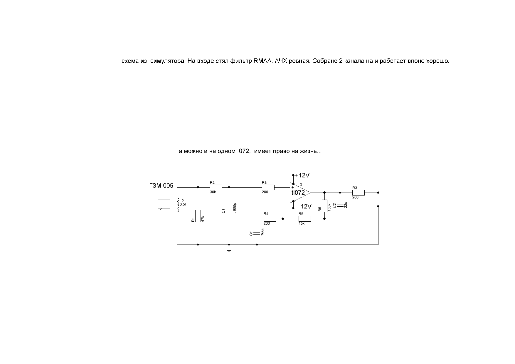
ан нет, выбрасываем лишнее, с фильтром на входе это можно сделать. Появилась версия на одиночном 072 микробе, сейчас на прослушке. На входе и выходе кондеров нет и это плюс...
 

Вложения

  • nnrv4rmaa.GIF
    nnrv4rmaa.GIF
    20 KB · Просмотры: 61
доводка после прослушки и продолжим...
 

Вложения

  • nnrv5rmaa.GIF
    nnrv5rmaa.GIF
    13.8 KB · Просмотры: 55
Во втором фильтре просто нет надобности, входным интегратором, ты на прочь режешь верхушку. Второму фильтру не с чем работать. Попробуй убери конденсатор обратной на обратной связи и увидишь, что ничего не изменилось ...
А зачем шунтируешь головку 47k, какой смысл, чё много выдает ?... :)))
 
Попробуй убери конденсатор обратной на обратной связи и увидишь
так нельзя, если делать по стандарту riaa. 47k стандартная нагрузка гзм005, вот и пусть на нее работает иначе артефакты на звуке. На входе 072 стоят полевики и его входным можно пренебречь. Смотрим пост 599 и 600. Для формирования ачх нужно 3180 и 318, это делает 072 с обратной связью. Осталось малость 75, где ее ставить ? возможны варианты, их три или четыре. Для 072 лучше спереди, это опытным путем, перепробовав в железе все варианты. Конечно проще купить приличный микроб и закрыть вопрос. Для сравнения использована схема линкс 04 ссылка на это в 600 посте. В симуляторе сразу две схемы , линкса и моя, это удобно и наглядно.
 
сейчас собираю утроитель, детальки запаял, буду пробовать. Это для питания микросхемы корректора. Сам проигрыватель работает от стандартного внешнего блока ~ 9 вольт и на корректоре всего +- 12 вольт, маловато, решил добавить, до +- 16.
 
Запустил, питание 072 сделал +-17.5 и это совсем другое дело, звук резко меняется в лучшую сторону. Впрочем, об этом написано в статье про Линкс.
 

Вложения

  • питание корректора.GIF
    питание корректора.GIF
    9.2 KB · Просмотры: 69
вот теперь пожалуй все, разве, что убрать модульность, а с другой стороны какой смысл, ну поигрался, результат есть. Надо и в остальных поделках загнать 072 на максимальное питание. С шумом все нормально, незаметен.
 
ан не точка. Перекидываем кондеры на выход и тоже вполне ничего и на слух даже поживее, но питание 072 близко максимальному 36V, подключено +- 17.5. Одно но, кондер на выходе должен быть приличного качества.
 

Вложения

  • 072 класическое включение фильтр на выходе.GIF
    072 класическое включение фильтр на выходе.GIF
    11.9 KB · Просмотры: 53
поиск золотого ключика продолжился, благодаря больничному на тех кто старше 65 лет. Ждать идеального усиления то 072 при ку 100 и с коррекцией в ос было наивной ошибкой. Но можно и проще, две 072 и с ку по 10, тут гораздо чище звук и по шумам явный плюс. Пока слушаю и напрашивается балансный вход в первой 072.
 

Вложения

  • 2х072v1.GIF
    2х072v1.GIF
    13.8 KB · Просмотры: 65
Похвалю себя. Это редкий случай когда, результат радует. Все на месте.
 
пришлось уменьшить усиление в первом каскаде, избыточно и заменить конденсатор с1 на к73-9 490n и уменьшить сопротивление R4 .
 

Вложения

  • 2х072v2.GIF
    2х072v2.GIF
    13.8 KB · Просмотры: 64
вчера было отлично, а сегодня похрипывает на форте. Не стабильно работает, причина ? Хз. Слабое звено в первом каскаде усиления, облегчаю ему жизнь, переношу фильтр с выхода на вход и пока стало стабильнее...
 

Вложения

  • 2х072v3.GIF
    2х072v3.GIF
    14.2 KB · Просмотры: 51
Статус
В этой теме нельзя размещать новые ответы.
Назад
Сверху