- Регистрация
- 27 Ноя 2010
- Сообщения
- 28,167
- Реакции
- 681
- Баллы
- 0
Смотрите видео ниже, чтобы узнать, как установить наш сайт в качестве веб-приложения на домашнем экране.
Примечание: Эта возможность может быть недоступна в некоторых браузерах.
Добро пожаловать на компьютерный форум Tehnari.ru. Здесь разбираемся с проблемами ПК и ноутбуков: Windows, драйверы, «железо», сборка и апгрейд, софт и безопасность. Форум работает много лет, сейчас он переехал на новый движок, но старые темы и аккаунты мы постарались сохранить максимально аккуратно.
Форум не связан с магазинами и сервисами – мы ничего не продаём и не даём «рекламу под видом совета». Отвечают обычные участники и модераторы, которые следят за порядком и качеством подсказок.
Если вы у нас впервые, загляните на страницу о проекте, чтобы узнать больше. Чтобы создавать темы и писать сообщения, сначала зарегистрируйтесь, а затем войдите под своим логином.
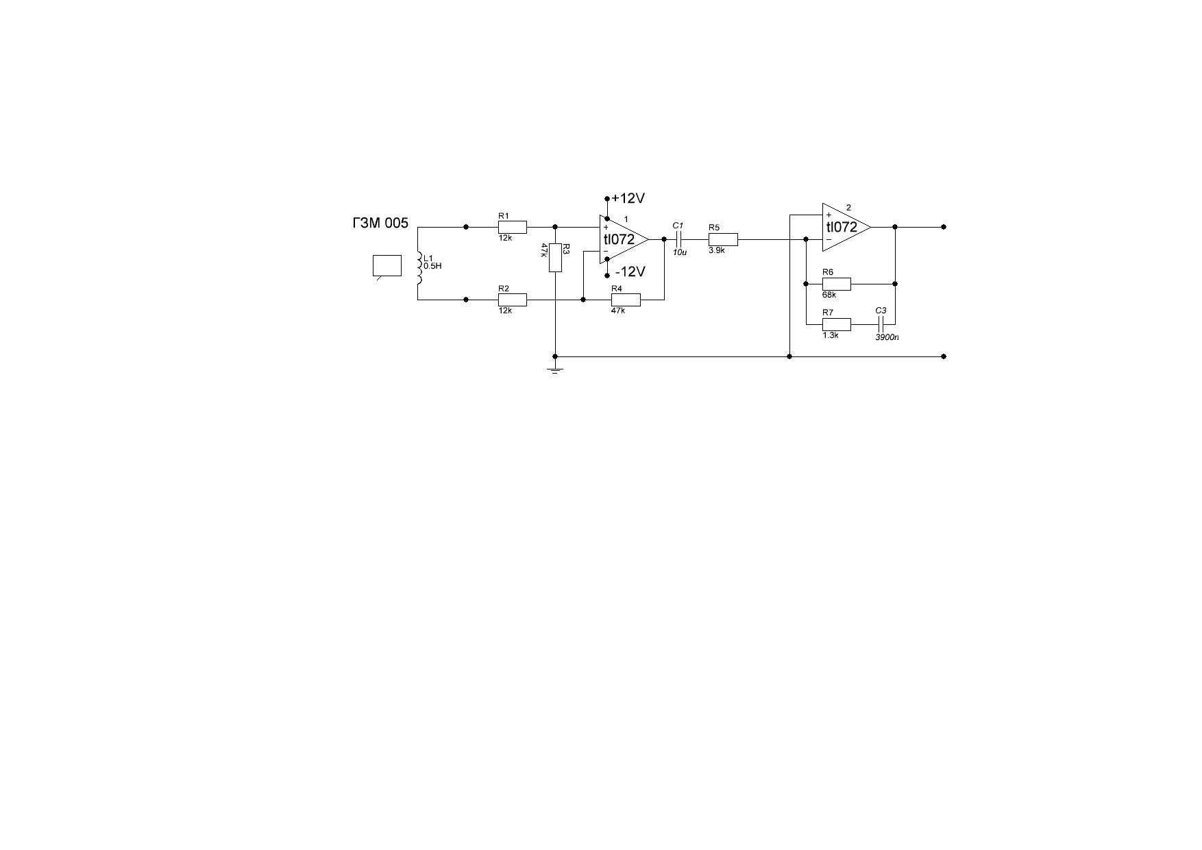
тут не все так просто, величина этого резистора зависит от индуктивности головки и подбирается в зависимости от нее, для получения ровной ачх.на входе поставил бы R1 - 10k
Ну тады дело хозяйское, однако ...тут не все так просто, величина этого резистора зависит от индуктивности головки и подбирается в зависимости от нее, для получения ровной ачх.
3 мВ - тьфу ты, тогда все нормально ...

не все просто, надо вставить последовательно с генератором индуктивность (равной паспортной величине головки звукоснимателя), тут ачх делает она. В этом прикол. Ачх ровная как стол, если применять фильтр RIAA.У этого фонокорректора подъем ниже 350 Гц, при чем не плавный а резкий ...
__________________
у меня их нет, только 072. Кстати, у них (у 082 тоже) на выходе стоит 100 ом и резистор можно не ставить. В симуляторе ms14, 072 и 082, без разницы, как это на деле надо пробовать. Все детали из загашника, пробую из того что есть.Кстати, а почему не TL082
Понятно, ну этот фильтр точно аудиофильский
Вот за это я и не признаю ЛТСпейс. Команда мультисима отказалась от 4-го знака после запятой при вычислении искажений. В МС10 было 4 знака, в более поздних версиях 3 знака. Люди понимают, что высчитать можно хоть 50 знаков после запятой, расчеты стерпят, но к реальности это никакого отношения не имеет. А ЛТС без зазрения совести рисует аж 5 знаков после запятой. Я уже не говорю о том, что ЛТС предназначен для моделирования импульсных источников питания, усилители не его конек. Ну это как для лечения людей ветеринара вызывать. Вроде как и ничего противоречащего, ведь люди тоже животные.Десятые доли при тысячном порядке, это нонсенс ...
Хорошая мысль. Намерить можно что угодно, а надо то, что надо. Пару дней мерю ачх и пока только проблемы. Возможно все в голове гзм 005, другой нет для сравнения. Идет резкая окраска звука, но это можно победить, балансным подключением. Ясный чистый звук. Это первый каскад тут коррекции нет, можно посмотреть ачх гзм 005, сигнал подаю через фильтр RMAA и тут выясняется: низ до 1000 герц ровный, а после начинается подъем аж до 20 килогерц. Вторым каскадом режу его и получается ровная ачх. Что самое интересное даже убитые пластинки можно слушать.Если так мыслить, то все мультиметры/осциллографы/генераторы надо выкинуть
уж лет как пять пользуюсь симулятором, сначала в нем, а потом в живую и так несколько раз... пока не получится путное.Чукча ничего не понял, однако
Это все понятно и правильно ...уж лет как пять пользуюсь симулятором, сначала в нем, а потом в живую и так несколько раз... пока не получится путное.
В симуляторе нет головки ГЗМ-005 (5mV), а она индуктивна ...
Андрей, это все понятно и козе, или чё, пытаешься с умничать ? ...Не надо делать жизнь сложнее чем она есть на самом деле. При соблюдении условий подключения ГЗМ (тут главное чтоб входное сопротивление корректора соответствовало требованиям головки) мы можем рассматривать ГЗМ как линейный источник сигнала. А коррекция в усилителе связана с коррекцией применяемой при записи, в фонокорректоре применена коррекция обратная коррекции записи, для восстановления линейной АЧХ исходного сигнала.
уже писал. гзм индуктивность, величина известна (паспортные данные). Сигнал с генератора подаем через индуктивность, на выходе будет сигнал иметь неровную ачх, она далеко не ровная, подъем на низах и спад верха, сильно зависит от величины индуктивности. Причем в симуляторе и живьем, показания одинаковые.как он в симуляторе рассматривает свою ГМЗ
Причем в симуляторе и живьем, показания одинаковые.