• Добро пожаловать на компьютерный форум Tehnari.ru. Здесь разбираемся с проблемами ПК и ноутбуков: Windows, драйверы, «железо», сборка и апгрейд, софт и безопасность. Форум работает много лет, сейчас он переехал на новый движок, но старые темы и аккаунты мы постарались сохранить максимально аккуратно.

    Форум не связан с магазинами и сервисами – мы ничего не продаём и не даём «рекламу под видом совета». Отвечают обычные участники и модераторы, которые следят за порядком и качеством подсказок.

    Если вы у нас впервые, загляните на страницу о проекте, чтобы узнать больше. Чтобы создавать темы и писать сообщения, сначала зарегистрируйтесь, а затем войдите под своим логином.

    Не знаете, с чего начать? Создайте тему с описанием проблемы – подскажем и при необходимости перенесём её в подходящий раздел.
    Задать вопрос Новые сообщения Как правильно спросить
    Если пришли по ссылке со старого Tehnari.ru – вы на нужном месте, просто продолжайте обсуждение.

Был проигрыватель Радиотехника ЭП-101

Статус
В этой теме нельзя размещать новые ответы.
хотелось большего, но шнурковать и ставить эксклюзивные детали не мой путь. Но в инете есть все, главное созреть до понимания чего ищем.
Часть 1.
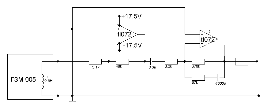
В журнале радио хобби номер 4 за 2006 год страница 13, есть заметка И. Пугачева, о работе гзм-128 на маленькую нагрузку, в его случае 2.604 ком. Подробности в статье. Схему прилагаю.
 

Вложения

  • 632177172_4200613.jpg.c91d5c13f63ad0089556768fe7448b15.webp
    632177172_4200613.jpg.c91d5c13f63ad0089556768fe7448b15.webp
    34.9 KB · Просмотры: 46
Часть 2.
Идея неплоха. Только у меня голова другая гзм-005 и ее индуктивность тоже. Подобное пробовал, но не так. Неплохо симулируется. Осталось попробовать, но 072 так работает, но это не звук, далеко ему до сд. Задача извернуться на том, что есть. Мало того, один канал по постоянке на выходе получился почти 3 вольта, а другой в нулях. Подбирать? Тоже не вариант. Главная непонятка зачем давить сигнал на землю и второе, 072 лучше в инверте, а в первом каскаде это очень заметно.

Прикол в том, что не нужно делать 75 мкс, это происходит на входе микроба при работе моей головы на 5.1 ком. Схему скоро прикреплю. Прослушка результата.
Наверно закажу ОРА1642 они совсем не дорогие и потом сравню с тем, что есть.
 
деталей минимум и кондер неполярный электролит, однако весьма убедительно. Завтра проведу демонстрацию , посмотрим, что скажут.
 

Вложения

  • 2х072v15.GIF
    2х072v15.GIF
    6.3 KB · Просмотры: 47
Силумин всегда был слабым звеном. Сломалась опора тонарма. Это конец?
 
Не теперь жизнь, ради жизни... Это про вертушку. Уже сделал, прикрепил на стальную пластинку. Вполне ничего получилось.
 
Почитал соображения Бокарева, на форуме в инете (опуская каком), в теме о корректоре его имени. Наиболее интересная, что на входе (для ГЗМ) оптимальным будет 10-20 ком, а не 47 ком. При этом 75 мкс нужно изменять в меньшую сторону в плоть до полного удаления. Влияет индуктивность головки. На симуляторе это хорошо видно, как и лучшая работа при применении пассивной коррекции АЧХ, но это требует применения микробов лучше 072.
 
выглядит примерно так.
 

Вложения

  • 2х072v16.GIF
    2х072v16.GIF
    6.9 KB · Просмотры: 54
Это называется по месту и лучший вариант для 072, возможно можно и лучше, но на мой взгляд это их предел возможного и поднадоело возиться с 072, пусть останутся как уровень 1. Детали коррекции АЧХ такие исключительно из-за того что такие есть. Теперь есть OPA 1642 и OPA2132. Пассив лучше по простой причине, царапины и дефекты пластинки слышны меньше и менее заметны, да и на ух, приятней слушать.
 

Вложения

  • 2х072v19.GIF
    2х072v19.GIF
    7 KB · Просмотры: 31
Корректор остался прежний, в основе схема пост 669, а гзм005 заменил на ortofon 1s.
иголка в гзм явно поизносилась, тут лучше.
 
Смотрится стремно, но работает. Старую толи выкинуть или может кому нужна? возможно есть смысл удалить проставку.
 
Ortofon 1s прижился, главное пропала хриповатость и появилась прозрачность и ясность. В итоге выглядит так, работает на 072 и можно сказать, что спелись с ортофоном, очень недурственно, радует. Переход на другие микробы притормозил, если и буду делать, то на другой платке и по другому конструктиву. Режим кз нравится по сравнению с опробованными, лучший.
 

Вложения

  • 2х072 ort v1.GIF
    2х072 ort v1.GIF
    6.9 KB · Просмотры: 49
посмотрев на даташит OPA1642, там схемка корректора, убрав один кондер и уменьшив входной резистор с 47 до 5 ком получил, что хотел. Но пробовать буду сначала OPA2132, они в привычном корпусе.
 

Вложения

  • 1хOPA2132 ort v2.GIF
    1хOPA2132 ort v2.GIF
    5.2 KB · Просмотры: 36
развел платку и запаял, включил. OPA2132 рядом с 072 не лежала. Хорошо звучит, без дискотечного флера. Схема выше постом, но номиналы деталей немного другие, под те которые есть. С шумами полный порядок, вполне рабочий вариант. Слушаю.
 

Вложения

  • 1хOPA2132 ort v3.GIF
    1хOPA2132 ort v3.GIF
    5.3 KB · Просмотры: 39
смена лидера, плод симулятора, под моим руководством. OPA2132 вполне по плечу вытянуть усиление. Слушаю.
 

Вложения

  • 1хOPA2132 ort v4.GIF
    1хOPA2132 ort v4.GIF
    5.3 KB · Просмотры: 40
Пора подвести итоги, тема подзатянулась. Что осталось от исходника? Верхняя панель с гордым названием и это пожалуй все. Корпус по высоте усох на половину. Тонарм приведен к шаблону. ГЗМ-005 заменена на ortofon 1s и жалею, что не с этого начал, отсюда череда схем. Транс из корпуса удален, он внешний на 9 вольт, в корпусе выпрямитель для питания привода (+-12) и корректора (+- 17.5), другой привод (генератор), череда разных корректоров.

Что в итоге. Главное, почти два года был занят этим, класс.

Проигрыватель жив и работает, радует и не напоминает жертву развитого социализма от Рижского завода. На железной панели под диском, бумажная бирка со штампом отк, 1984 год. Попробую последнюю схему с OPA1642 и на этом все.
 
окончательный вид схемы, не макетный. Подробности опускаю.
 

Вложения

  • 1хOPA2132 ort v4a.GIF
    1хOPA2132 ort v4a.GIF
    5.8 KB · Просмотры: 64
так выглядит ачх на елвисе.
 

Вложения

  • Снимок экрана 2020-09-12 134300.png.webp
    Снимок экрана 2020-09-12 134300.png.webp
    53.4 KB · Просмотры: 44
Как оказалось спектр и звук это разные вещи. Аналогичный спектр имеет и схема на которой пока остановился. Если и есть разница то в нюансах. Завтра продемонстрирую свой выбор своим домашним. Что поражает, это легкость с которой работает OPA1642 и совпадение результата с симулятором. Все очень просто делаешь ачх в полку (прямую линию) и это будет лучший вариант на ух. Фона и шума нет, даже если ухо в колонку. Насколько результат повторим, это вопрос. Возможно это просто удачное сочетание того что было под рукой, из б/у деталей, где нет аудиофильских и эксклюзива. Усиление чуть больше 100. Конденсатор 100u, электролит и его полярность в разных каналах разная, но с этм просто, где неправильно, то просто перевернуть. Зависит от самого микроба, заранее не угадаешь.
 

Вложения

  • 1хOPA2132 ort v4d.GIF
    1хOPA2132 ort v4d.GIF
    6.1 KB · Просмотры: 34
Последнее редактирование:
чистим перышки. при постоянке в 6-7 мв безродный электролит 100u непредсказуем, убираем и ставим на выход там учитывая ку будет 600-700, а это совсем другое дело и заодно охватываем его ос. Полярность по месту.
 

Вложения

  • 1хOPA2132 ort v4f1.GIF
    1хOPA2132 ort v4f1.GIF
    6.6 KB · Просмотры: 35
Статус
В этой теме нельзя размещать новые ответы.
Назад
Сверху