• Добро пожаловать на компьютерный форум Tehnari.ru. Здесь разбираемся с проблемами ПК и ноутбуков: Windows, драйверы, «железо», сборка и апгрейд, софт и безопасность. Форум работает много лет, сейчас он переехал на новый движок, но старые темы и аккаунты мы постарались сохранить максимально аккуратно.

    Форум не связан с магазинами и сервисами – мы ничего не продаём и не даём «рекламу под видом совета». Отвечают обычные участники и модераторы, которые следят за порядком и качеством подсказок.

    Если вы у нас впервые, загляните на страницу о форуме и правила – там коротко описано, как задать вопрос так, чтобы быстро получить ответ. Чтобы создавать темы и писать сообщения, сначала зарегистрируйтесь, а затем войдите под своим логином.

    Не знаете, с чего начать? Создайте тему с описанием проблемы – подскажем и при необходимости перенесём её в подходящий раздел.
    Задать вопрос Новые сообщения Как правильно спросить
    Если пришли по старой ссылке со старого Tehnari.ru – вы на нужном месте, просто продолжайте обсуждение.

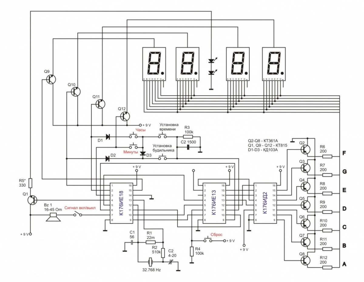
Часы на отечественных элементах

Вряд ли, но я бы проверил сами диоды на исправность и плату на наличие соплей.
 
Валер, можно попросить тебя переделать эту схему? Тут нужно резисторы на 820 Ом убрать и транзисторы Q2-Q8 переделать под p-n-p. Я пытался сам сделать, где-то часа два мучался, так и не сделал:) Наверное нужно видео уроки скачивать
 
Извиняюсь, вот она
 

Вложения

  • Схема-часов.webp
    Схема-часов.webp
    47 KB · Просмотры: 900
Так это надо в Corel Draw делать.
 
Готово, только исправлений на самом деле больше.

Схема часов с общим анодом.webp
 
Спасибо, быстро ты:) А чем можно еще настраивать кроме частотомера?
 
Без частотомера долго будешь настраивать.
 
А осциллографом можно? Он вроде тоже пол это заточен
 
Валер, ну вот фото моих часов, качество плохое из-за фотовспышки, пришлось отключить, потому что она засвечивает индикаторы. Цветочки для скрытия всех моих косяков. :D Сегодня конкурс был, 2 место из-за несоответствия школьной программе (электронику не изучаем пока) и высокого уровня для 7 класса даже хотели исключить из-за того что я был вне конкуренции :)) Спасибо огромное за схему и поддержку, без тебя бы я не справился. Летом планирую термометр туда добавить, главное детали найти:)
 

Вложения

  • 100_1567.webp
    100_1567.webp
    49.1 KB · Просмотры: 706
ты в 7 классе учишься и сам часы собрал?? ну ты молоток)) а я боюсь взяться за них, где нить накосячу ни че не получится..
респект тебе!!! )))
 
Молодец, Кирилл! Так держать!
 
Спасибо Валер, теперь надо что-нибудь на МК попробовать собрать:)
 
ты в 7 классе учишься и сам часы собрал?? ну ты молоток)) а я боюсь взяться за них, где нить накосячу ни че не получится..
респект тебе!!! )))
И тебе спасибо:) Я тоже раньше боялся, с виду сложно, а начнешь собирать-так все легко становится!
 
Теперь делай часы на ATmega8.
 
Нет, часы уже есть:) Хочу лампу настроения и термометр, все по прайсу в Кемерово есть, вот только датчик... не знаю. найду ли я его?
 
kirmav - молодец!!! я в 7 классе мигалки да пищалки паял... :tehnari_ru_159:

Валерий, спасибо тебе за толковый ответ и схему часов разобрался я с ними, к176ие13 вылетела вот из за этого и моргали при подстройке часов и минут, под заказ эту микруху ждал вот и долго получилось по времени определять неисправность, оказывается их уже не производят(
Еще раз спасибо!!!
 
Спасибо всем! У меня тоже были проблемы с микрухами, только с К176ИЕ18, не хотел рассказывать, но чего скрывать? В общем, вставил я ее не той стороной, она, конечно нагрелась, и, минут через 15 задымилась, пока меня не было:)) Нужно быть внимательнее :D
 
Привет народ подскажите подойдёт ли этот индикатор для часов?" Светодиодн. индикатор 2 разряда RL-D0821SBAW/D15(красный, ОА, статика)
0.8" (20.3mm), серый фон" я так понимаю высота индикатора будет 2.3см??? Где тут указано андоный или катодный он?И еще вопрос на схеме указан кварц на 32.768 Hz? а в моем магазине такой Кварцевый резонатор 32.768KHz(12.5pf/20ppm)? Подойдёт? Подскажите чем можно заменить диоды на схеме, я так понимаю замена не будет очень критичной?
 
Последнее редактирование:
Привет народ подскажите подойдёт ли этот индикатор для часов?
Да, подойдет. Он с общим анодом (ОА)
И еще вопрос на схеме указан кварц на 32.768 Hz? а в моем магазине такой Кварцевый резонатор 32.768KHz(12.5pf/20ppm)? Подойдёт?
Такой и нужен, там указано 32768Hz, а если перевести в килогерцы, то будет 32.768kHz
Подскажите чем можно заменить диоды на схеме, я так понимаю замена не будет очень критичной?
Критичной не будет, подойдут любые маломощные диоды, например КД522 или 1N4001
 
Можно ли в схеме применить КТ315б?
 
Назад
Сверху