• Добро пожаловать на компьютерный форум Tehnari.ru. Здесь разбираемся с проблемами ПК и ноутбуков: Windows, драйверы, «железо», сборка и апгрейд, софт и безопасность. Форум работает много лет, сейчас он переехал на новый движок, но старые темы и аккаунты мы постарались сохранить максимально аккуратно.

    Форум не связан с магазинами и сервисами – мы ничего не продаём и не даём «рекламу под видом совета». Отвечают обычные участники и модераторы, которые следят за порядком и качеством подсказок.

    Если вы у нас впервые, загляните на страницу о форуме и правила – там коротко описано, как задать вопрос так, чтобы быстро получить ответ. Чтобы создавать темы и писать сообщения, сначала зарегистрируйтесь, а затем войдите под своим логином.

    Не знаете, с чего начать? Создайте тему с описанием проблемы – подскажем и при необходимости перенесём её в подходящий раздел.
    Задать вопрос Новые сообщения Как правильно спросить
    Если пришли по старой ссылке со старого Tehnari.ru – вы на нужном месте, просто продолжайте обсуждение.

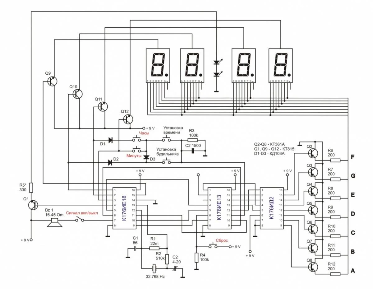
Часы на отечественных элементах

Да, можно.
 
И чем они отличаются (интересно)?
Буква указывает коэффициент усиления. У КТ315Б он больше. Когда я собирал часы, то использовал Q9-Q12 КТ315, а Q1-Q8 КТ361. На транзисторах Дарлингтона часы отказались работать.
 
В этой схеме транзисторы работают в ключевом режиме и коэффициент усиления не играет большой роли.
 
Валер, а почему на КТ972 и КТ973 они у меня отказались работать? Может это особенность транзисторов Дарлингтона? Но у тебя же работают...
 
Работают и ничего. Может они меня просто бояться? :)
 
Я даже не знаю как это объяснить. :tehnari_ru_325:
 
Я даже не знаю как это объяснить.
Может из за конструкции транзистора? Ведь они сдвоенные с общим коллектором, а в конструкции указано, что между коллектором и эмиттером-резистор.
 
Прочитал всю тему и жаль не обнаружил измененной схемк под индикаторы с общим анодом. Валер плз если не трудно выложи измененную принципиалку под общий анод и плату спс зарание
 
Сейчас несколько занят, но на днях сделаю.
 

Вложения

  • Плата часов с общим анодом.webp
    Плата часов с общим анодом.webp
    34.9 KB · Просмотры: 418
  • Плата часов с общим анодом.rar
    Плата часов с общим анодом.rar
    84.3 KB · Просмотры: 197
  • Схема часов с общим анодом.webp
    Схема часов с общим анодом.webp
    54.3 KB · Просмотры: 1,648
Не помню чтобы я это рисовал... :(
 
Спаял вроде все проверил даю 9в питания ииии... глухо как в танке
Индикаторы не светяться ни 1 питание приходит на микрухи = ( печаль
 
Спаял вроде все проверил даю 9в питания ииии... глухо как в танке
Индикаторы не светяться ни 1 питание приходит на микрухи = ( печаль
Можно фото платы со стороны деталей и дорожек?
 
доброго времени суток, вопрос таков: нашел в гараже старые стрелочные часы "стрела" а вот привод у этого циферблата электрический, стоит катушка 2,3 кОм, ротор при подаче напряжения проворачивается и стрелка сдвигается на 1 минуту, причем для следующего поворота требуется обратная полярность. Собственно сам вопрос может кто подскажет как это организовать?
 

Вложения

  • DSC02995.webp
    DSC02995.webp
    89.5 KB · Просмотры: 99
А какое необходимо напряжение для перемещения стрелки?
 
Понятно. Скорее всего, надо что-то на микроконтроллере делать.
 
Назад
Сверху