Cобираю УНЧ 2.1 на 180 ватт

конеш,конеш будем разбираться :)
 
ну вот я думаю работать будет
 

Вложения

  • усилитель.GIF
    усилитель.GIF
    3.8 KB · Просмотры: 187
Как ты думаешь, что будет, если на базу транзистора подать 12В? Во первых он откроется на всю катушку и два открытых транзистора в двух плечах закоротят питание, если раньше не сгорят от чрезмерного тока базы.
 
дак я не нарисовал там диоды стоят они ограничивают напругу
 
и как так они все вместе откроются микруха же поочередно их открывает
 
дак я не нарисовал там диоды стоят они ограничивают напругу

Диоды там совсем для другого. Они защищают микросхему от индукции в катушке громкоговорителя.

Данчик, если не знаешь принципы работы радиодеталей, не надо экспериментировать.


и как так они все вместе откроются микруха же поочередно их открывает

Как раз установленные тобой стабилизаторы их и откроют. Сразу оба.
 
а вот тут такой же случай
 

Вложения

  • Копия 73991863.webp
    Копия 73991863.webp
    34.9 KB · Просмотры: 1,605
ну как тогда это испарвить???чтоб мощность была таже ,но без косякокв
 
Никак. Как вариант, снизить питание до 25...27В и вместо ТДА2050 применить ЛМ1875. Здесь выложен усилитель Tale 2, по такому принципу сделан. Как раз составные транзисторы применены.
 
но ведь тда2050 на +-25 вольт работает почему бы его не использовать и мощность понизится с уменьшением питания знать бы скок ватт будет
 
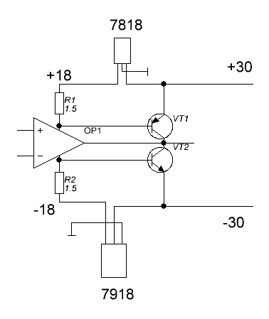
а как насчет этой схемы???из книжки вроде должна работать
 

Вложения

  • ус.gif
    ус.gif
    4.9 KB · Просмотры: 536
есть кое какая идея щя нарисую
 
а кстати почему будет ниже я собирал мосфет усилитель пускал и подавал звук без микрухи прямо на кондеры звук шел почему бы не использовать так же тока место тл поставить тда
 

Вложения

  • мосфит.webp
    мосфит.webp
    55.5 KB · Просмотры: 79
ну вот как??
 

Вложения

  • усилок.GIF
    усилок.GIF
    5.8 KB · Просмотры: 224
Намотал наконецто трансформаторы стока возни было с косой мотал от рамы намагничивания кинескопа провод был всего 0.4мм ну ниче не поделать провода не было больше намотал,а так трансформаторы получились вроде ничего,норм.
 

Вложения

  • траф.webp
    траф.webp
    71 KB · Просмотры: 61
Данчик, у тебя нет элементарных знаний, а ты пытаешься схемы переделывать. Все твои идеи - чушь собачья. Возьми готовую схему и не парь людям мозги.
 
Назад
Сверху