• Добро пожаловать на компьютерный форум Tehnari.ru. Здесь разбираемся с проблемами ПК и ноутбуков: Windows, драйверы, «железо», сборка и апгрейд, софт и безопасность. Форум работает много лет, сейчас он переехал на новый движок, но старые темы и аккаунты мы постарались сохранить максимально аккуратно.

    Форум не связан с магазинами и сервисами – мы ничего не продаём и не даём «рекламу под видом совета». Отвечают обычные участники и модераторы, которые следят за порядком и качеством подсказок.

    Если вы у нас впервые, загляните на страницу о форуме и правила – там коротко описано, как задать вопрос так, чтобы быстро получить ответ. Чтобы создавать темы и писать сообщения, сначала зарегистрируйтесь, а затем войдите под своим логином.

    Не знаете, с чего начать? Создайте тему с описанием проблемы – подскажем и при необходимости перенесём её в подходящий раздел.
    Задать вопрос Новые сообщения Как правильно спросить
    Если пришли по старой ссылке со старого Tehnari.ru – вы на нужном месте, просто продолжайте обсуждение.

И вот опять тупик...

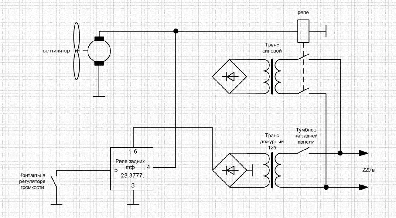
Даже без обширных знаний можно решить вопрос с кнопкой без фиксации (это когда "нажал-отпустил - включилось", "нажал-отпустил - выключилось"). Я проблему решил используя реле управления противотуманками для "жигулей" - паспорт 23.3777. При питании в 12В эта штуковина после размыкания кнопки управления сохраняет на выходе 12В, вторичное замыкание контактов обесточивает выход. На выход было навешено реле на 12В, управляющее подачей 220 на усилитель.
Простенько и бюджетно. Цена вопроса 150р.
 
Не при повороте, а нажатием вдоль оси резистора. Его вал уходит на 1мм назад, и замыкает контакт, установленный в корпусе резистора. Многие кассетные автомагнитолы включались именно так, нажатием на ручку РГ.
 
Ну я же написал, нажимаешь на ручку регулятора громкости как на кнопку, в переменном резисторе (тот что со старой автомагнитолы) замыкается контакт, контакт подаёт сигнал на вход триггера, он переключается, включает реле. Отпускаешь ручку, реле остаётся втянутым, усилитель работает. Нажимаешь на ручку ещё раз, опять в переменном резисторе замыкается контакт, контакт подаёт сигнал опять на вход триггера, он опять переключается, и выключает реле. Усилитель не работает. Ну вот так детально.
А хоть примерно наводки есть с какой магнитолы можно такое извлечь, не сочтите за наглость,( да и такой переменный резистор подойдет под мою плату-???
 
На вскидку не скажу, но я такие извлекал из штатных кассетных магнитол и радиоприёмников автомобилей Toyota. Завтра дома поищу, сфотографирую, где-то пара должна ещё быть. А свою плату ты пока ещё не демонстрировал.
 
Может что-то для себя почерпнёте: http://www.tehnari.ru/f170/t63008/#post659155
Если быть честным, это второй усилитель над которым я глотаю слюнки-))) мне к сожалению такого не собрать, открою секрет, из рабочего места у меня табуретка, из инструмента, отвертка, плоскогубцы, ножовка по металлу, и дрель,
 
Если быть честным, это второй усилитель над которым я глотаю слюнки-))) мне к сожалению такого не собрать, открою секрет, из рабочего места у меня табуретка, из инструмента, отвертка, плоскогубцы, ножовка по металлу, и дрель,

Если быть честным :), этого достаточно ;). Паяльник с принадлежностями для пайки обойдётся рублей в 100-150.

А вот и искомый элемент: Новая серия переменные резисторы Bourns с реле давления | Microchip PIC32 по-русски
 
теперь мне просто нужно будет подобрать такое под свою 94-ю ??
 
Начинайте. Было бы желание и терпение. Потихоньку докупите необходимое, в том числе и из инструмента. Богов здесь нет. Все с чего-то начинали. Это тоже мой первый усилитель. Глаза боятся, ну и т.д. ;)
 
теперь как я понимаю, на такую кнопку 220 не включишь,??? у меня будет стоять второй трансформатор на 12 вольт, для питания вентилятора, можно либо схематично либо как-то подробней с этим реле, но как сделать так чтоб включал сразу два трансформатора-?
 
Блин на вашем фоне знаний, чувствую себя Геной Букиным-)
 
второй трансформатор на 12 вольт
вот он дожен включаться выключателем на задней панели, и быть постоянно включенным. А реле будет включать силовой транс усилителя, и другой группой, вентилятор. Или установить два реле.
 
А схемку с таким реле и кнопкой может кто сварганить ??? если не трудно.
 
что-то я не могу понять в чем это прикол ??? с этим драйвером.
 
Для rusik5000. Примерно така схема должна быть.
 

Вложения

  • схема.webp
    схема.webp
    185.4 KB · Просмотры: 85
Последнее редактирование:
Назад
Сверху