Как подключить ультраяркий светодиод на 5 вольт?

  • Автор темы Автор темы werat12
  • Дата начала Дата начала
может сделать через 2 провода юсби? 1 на светики другой на вентили?

или же, вентили поставить на обычное питание от сетки -или мобилки а не юсби..(так и батарею не будет жрать...)
 
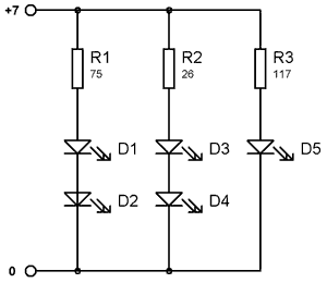
а какой нужно резистор если без кулеров соединять 6 светиков последовательно?
 
Не получится последовательно, в USB всего пять вольт, так что только параллельно, иначе напряжения не хватит.
 
спасибо Валерий! еще 1 если можно выложите схемку!
 
Схема:
 

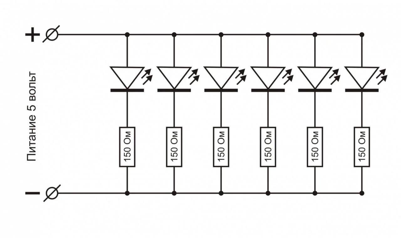
Вложения

  • светодиоды.webp
    светодиоды.webp
    25.8 KB · Просмотры: 29,811
так должно быть?
 

Вложения

  • beginner54-8.gif
    beginner54-8.gif
    3.4 KB · Просмотры: 2,190
Спасибо большое вам!!!
 
я соединил паралельно.поставил резисторы на 20 ом.горит супер уже 2 недели.
 
Двадцать ом маловато будет.
 
я соединил паралельно.поставил резисторы на 20 ом.горит супер уже 2 недели.

это на сверхяркие.


а на обычные я поставил 100ом(4 шт сд) паралельно и паралельно подключил кулер.всё от юсб.
 
При резисторе 20 Ом и питании 5 вольт, ток через светодиод будет 100 миллиампер, в таком режиме он долго не прослужит, да и нагрузка на USB великовата. У сверхярких ток порядка 20 миллиампер, но даже производители рекомендую из использовать с током 17-18 миллиампер.
 
а сколько вообще в USB тока?
 
Максимум 500 миллиампер.
 
всего то...
 
А ты что хотел? USB-утюг? :))
 
:D ну нет,просто я хотел много светиков спаять)очень много)
 
Ну 10 штук можно без проблем повесить.
 
купи дешевый зарядник для сотика, он как раз на 5 вольт и ток порядка 300милиампер, для питания подсветки самое то.
 
А можно светодиод подключить напрямую к usb без резистора??? если да то какой светик выбрать.
 
Нет, нельзя. Резистор к светодиоду обязателен.
 
Назад
Сверху