- Регистрация
- 23 Июл 2012
- Сообщения
- 4,803
- Реакции
- 186
- Баллы
- 0
Хочу в авто поставить медиаплеер. Питание 5 вольт 1500 мА.
Вот где, сцуко, люди находят такие плееры, которые при 5В потребляют 1500 мА?
Смотрите видео ниже, чтобы узнать, как установить наш сайт в качестве веб-приложения на домашнем экране.
Примечание: Эта возможность может быть недоступна в некоторых браузерах.
Добро пожаловать на компьютерный форум Tehnari.ru. Здесь разбираемся с проблемами ПК и ноутбуков: Windows, драйверы, «железо», сборка и апгрейд, софт и безопасность. Форум работает много лет, сейчас он переехал на новый движок, но старые темы и аккаунты мы постарались сохранить максимально аккуратно.
Форум не связан с магазинами и сервисами – мы ничего не продаём и не даём «рекламу под видом совета». Отвечают обычные участники и модераторы, которые следят за порядком и качеством подсказок.
Если вы у нас впервые, загляните на страницу о форуме и правила – там коротко описано, как задать вопрос так, чтобы быстро получить ответ. Чтобы создавать темы и писать сообщения, сначала зарегистрируйтесь, а затем войдите под своим логином.
Хочу в авто поставить медиаплеер. Питание 5 вольт 1500 мА.
Пакет включает в себя 100-240V адаптер питания
Куда адаптер питания дели? Или это ворованный плеер?
А токи какие?
Стабилитроны типа Д815 или КС147, КС156, КС170
Или микросхемные регулируемые стабилизаторы типа LM317L, LM317T
http://www.tehnari.ru/f114/t85733/
Преобразователь с 5 до 12 Вольт, мощность 2 Ватта ...Что значат цифры 5-12/2W?
А вот в этом поможет только производитель, мелкосерийное устройство, черный ящик ...Как его подключать?
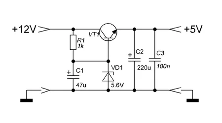
Вот однополярный стабилизатор на 5 вольт до 100 мА
Посмотреть вложение 128504
Транзистор КТ815Г/КТ817Г
Стабилизатор на 7 вольт делается точно также, только стабилитрон VD1 ставится на 7.5 вольт, а резистор R1 на 820 ом. Все конденсаторы на 16В.
Либо собирать на LM.
только у меня 12 переменки, а после выпрямителя будет гдето 14 В
Сопротивления резисторов только изменятся. Для 5 вольт 1.8 кОм, для 7 вольт 1.5 кОм.