• Добро пожаловать на компьютерный форум Tehnari.ru. Здесь разбираемся с проблемами ПК и ноутбуков: Windows, драйверы, «железо», сборка и апгрейд, софт и безопасность. Форум работает много лет, сейчас он переехал на новый движок, но старые темы и аккаунты мы постарались сохранить максимально аккуратно.

    Форум не связан с магазинами и сервисами – мы ничего не продаём и не даём «рекламу под видом совета». Отвечают обычные участники и модераторы, которые следят за порядком и качеством подсказок.

    Если вы у нас впервые, загляните на страницу о форуме и правила – там коротко описано, как задать вопрос так, чтобы быстро получить ответ. Чтобы создавать темы и писать сообщения, сначала зарегистрируйтесь, а затем войдите под своим логином.

    Не знаете, с чего начать? Создайте тему с описанием проблемы – подскажем и при необходимости перенесём её в подходящий раздел.
    Задать вопрос Новые сообщения Как правильно спросить
    Если пришли по старой ссылке со старого Tehnari.ru – вы на нужном месте, просто продолжайте обсуждение.

Колонки для телефона Nokia

Вот простая схема на микросхеме LM386. Имеет выходную мощность 1 ватт, питается от 4 до 12 вольт. Для стереоуслителя надо собрать два канала.
 

Вложения

  • lm386.webp
    lm386.webp
    21.8 KB · Просмотры: 650
  • LM386-2.webp
    LM386-2.webp
    39.3 KB · Просмотры: 922
а звук будет мощнее чем у телефона а то соберу а громкость будет такая же как у телефона?!
 
Естественно громче.
 
а ты видел когда нибудь схему которая в колонках для телефона?
 
вот это подойдет? NK046, Усилитель НЧ 0, 7, Вт LM 386.
 

Вложения

  • 275551622.webp
    275551622.webp
    19.4 KB · Просмотры: 254
Похоже, что это одно и тоже.
 
наверно дороговато обойдется если брать вот такой набор ( 2 набора ) . Легче наверно всё самому купить и собрать.
 
Лучше купить микросхемы LM386N-4 и собрать самому.
 
В наборе есть плата. А плата это качество.
 
Плату можно и самому сделать.
 
ну да можно плату и в домашних условиях сделать.
 
Если делать с нуля, то это выльется в кучу дополнительных покупок - текстолит, реактивы, фотобумага...
 
Зачем? Такую простую плату можно и руками нарисовать.
 
ну тогда мне осталось разжувать насчет деталей для схемы а то я пришел в магазин их покупать а мне сказали что их надо ище как то расписать чтоб им легче было искать!!!
 
да не плату долго и мучительно делать я все это сделаю на твердом картоне))
 
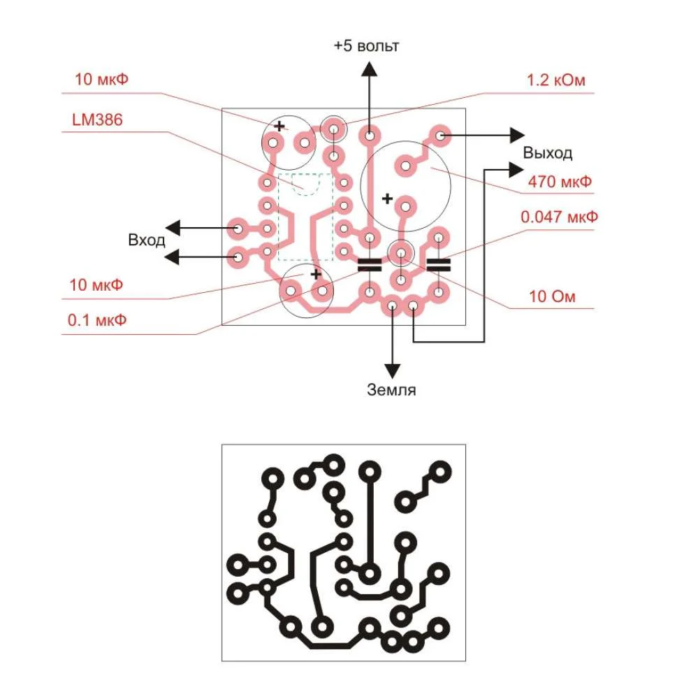
вход я так понял это для джека 3.5 мм (сигнал 1,2) . Земля для джека (общий) и для напряжения(тока) . Выход для динамиков.
 
а как соединять между собой два уселителя для получения стерео?
 
Микросхема LM386N-4 - 2 штуки
Конденсатор 10 мкФ на 16 вольт - 4 штуки
Конденсатор 470 мкФ на 16 вольт - 2 штуки
Конденсатор 0.1 мкФ - 2 штуки
Конденсатор 0.047 мкФ - 2 штуки
Резистор 0.25 ватта 1.2 кОм - 2 штуки
Резистор 0.25 ватта 10 Ом
 
о спасибо большое))
 
Назад
Сверху