• Добро пожаловать на компьютерный форум Tehnari.ru. Здесь разбираемся с проблемами ПК и ноутбуков: Windows, драйверы, «железо», сборка и апгрейд, софт и безопасность. Форум работает много лет, сейчас он переехал на новый движок, но старые темы и аккаунты мы постарались сохранить максимально аккуратно.

    Форум не связан с магазинами и сервисами – мы ничего не продаём и не даём «рекламу под видом совета». Отвечают обычные участники и модераторы, которые следят за порядком и качеством подсказок.

    Если вы у нас впервые, загляните на страницу о проекте, чтобы узнать больше. Чтобы создавать темы и писать сообщения, сначала зарегистрируйтесь, а затем войдите под своим логином.

    Не знаете, с чего начать? Создайте тему с описанием проблемы – подскажем и при необходимости перенесём её в подходящий раздел.
    Задать вопрос Новые сообщения Как правильно спросить
    Если пришли по ссылке со старого Tehnari.ru – вы на нужном месте, просто продолжайте обсуждение.

Лабораторный двухполярный БП своими руками

  • Автор темы Автор темы DDREDD
  • Дата начала Дата начала
Такой шунт если я правильно понимаю вносит большие искажения в результат измерений.
Да нет, нормально, схема же вместе с ним спроектирована и программа видать под него заточена :D

С виду хорошо получилось, где то у меня подобный дисплей валялся, а то и два:D
 
Назрел технический вопрос!!!
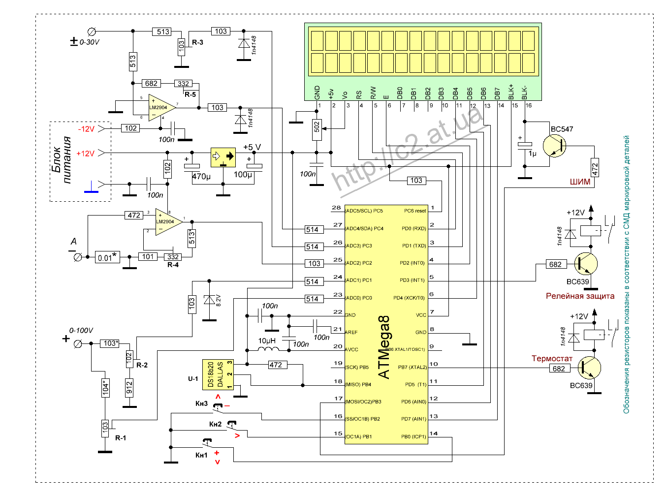
Если не городить отдельный блок питания то на трансформаторе который будет использоваться в в схеме есть отдельная обмотка на 13В переменки. Соответственно после выпрямления будет в районе 19В постоянки. Если я этим напряжением запитаю вольтметр, то не сдохнет ли стабилизатор 7805? На схеме с включенной подсветкой амперметр показывает 350мА и стабилизатор довольно таки быстро и ощутимо греется.
Вопрос: Отделаюсь ли я прилепив больший по размерам радиатор на стабилизатор или все таки ставить ещё один маленький трансик?
 

Вложения

  • DSC_0615.webp
    DSC_0615.webp
    113.4 KB · Просмотры: 1,615
  • DSC_0616.webp
    DSC_0616.webp
    67.3 KB · Просмотры: 2,195
  • DSC_0617.webp
    DSC_0617.webp
    62.7 KB · Просмотры: 1,074
смотай с 13в обмотки или намотай дополнительную обмотку на имеющийся транс.
 
смотай с 13в обмотки или намотай дополнительную обмотку на имеющийся транс.
Да я затупил, после того как написал пост пошел размотал транс и тоже решил намотать дополнительную обмотку (так как 13 вольтовая находится под силовой лень разматывать)
 
Соответственно после выпрямления будет в районе 19В постоянки. Если я этим напряжением запитаю вольтметр, то не сдохнет ли стабилизатор 7805?
У нее максимальное входное напряжение 35В, так что нормально. Правда при таком перепаде и токе потребления на стабе будет выделяться 5Вт тепла. Исходя из этого считаем необходимое тепловое сопротивление радиатора.
 
Сегодня перемотал трансформатор. Добавил вторичку на 8,5В переменки (примерно 12В постоянки) проводом 0,5мм.
Запитал от этой обмотки вольтметр и куллер с регулятором оборотов все вроде работает. Стабилизатор 7805 греется, но в принципе рука держит значит около 35-40 С, с заменой радиатора думаю все станет лучше.
Регулировка для куллера была выдрана из комповского БП и в общем то работает нормально :)
Немного греются диоды (диодный мост) но думаю не страшно.
 

Вложения

  • DSC_0618.webp
    DSC_0618.webp
    86.3 KB · Просмотры: 1,139
  • DSC_0619.webp
    DSC_0619.webp
    126.7 KB · Просмотры: 970
  • DSC_0620.webp
    DSC_0620.webp
    40.6 KB · Просмотры: 1,401
  • DSC_0621.webp
    DSC_0621.webp
    123.7 KB · Просмотры: 1,935
  • DSC_0624.webp
    DSC_0624.webp
    35.4 KB · Просмотры: 902
Сань, здорово получается!!! Как в прочем все твои проекты... В какой бюджет примерно обойдется этот БП?
 
В какой бюджет примерно обойдется этот БП?
1300р из них половина суммы это экран и atmega8, транс достался на холяву.


Чувствую проект опять встанет...
Нервы заканчиваются а с ними и энтузиазм :(
Как уже предупреждали, судя по всему невозможно подключить вольтамперметр к двухполярному питанию что меня просто убило.
По отдельности каналы работают
DSC_0625.webp
Что делать не знаю, пошел депресовать...
 
А почему невозможно?
 
А почему невозможно?
Как я понял потому что не вольтметр не амперметр не показывают отрицательные величины. Даже если я извращаюсь и все это подключаю то отрицательные плечи всегда показывают ноли :(
 
Хм, я может чего то не понимаю но ведь относительно общей точки главное не полярность а потенциал.Тоесть поидее должно показывать кпримеру +12 и +12 а не +12 и -12?
 
Я вот тоже так думал изначально но косяк вот в чем:
У нас есть + общий и -
Подключаем один вольтметр к + (то есть плюс + вольтметра на + бп а минус вольтметра на общий) то когда мы попытаемся подключить второй вольтметр то у нас общий будет положительным относительно минуса(-). Значит по логике мы должны на общий подключить плюс (+) от второго вольтметра, но там уже находится минус от первого вольтметра и получается замыкание и он нифига не показывает. А если мы оставим минус вольтметра на общем а положительный провод подключим на минус то вольтметр должен показать отрицательное напряжение, но там тоже ноли :(
 
Ну тогда новый собирать или просить автора доделать прошивку для отрицательных напряжений.
 
Уже написал письмо
Он ответил что отрицательное измерение можно реализовать по типу этой схемы
6619162.gif
Но что делать с отрицательным амперметром и прошивкой я не понял. Надежда тлеет...
Потихоньку думаю о двух схемах с сегментными индикаторами но опять же не уверен в отрицательных измерениях. Если не найду и не пропадет запал то сделаю на двух схемах с положительными индикаторами - лучше чем ничего :)
 
Покрасил корпус, только на фотке заметил что не прокрасил заднюю часть лицевой панели а она выглядывает, придется перекрасить :))
 

Вложения

  • DSC_0627.webp
    DSC_0627.webp
    83.7 KB · Просмотры: 1,184
  • DSC_0628.webp
    DSC_0628.webp
    86.3 KB · Просмотры: 1,013
  • DSC_0629.webp
    DSC_0629.webp
    72 KB · Просмотры: 1,651
  • DSC_0630.webp
    DSC_0630.webp
    79.4 KB · Просмотры: 2,588
Потихоньку думаю о двух схемах с сегментными индикаторами но опять же не уверен в отрицательных измерениях.
С двумя индикаторами будет работать, но только каждый нужно запитать от отдельного источника питания.
 
С двумя индикаторами будет работать
Ну что будут работать это понятно, я имел ввиду что на сигментниках не попадалось схемы чтобы показывала именно минус ) а так две схемы которые показывать будут свой канал это я сделаю, ну уж на этот раз не хочу так обломаться (
 
Да... Молодчина, землячок! ;)
 
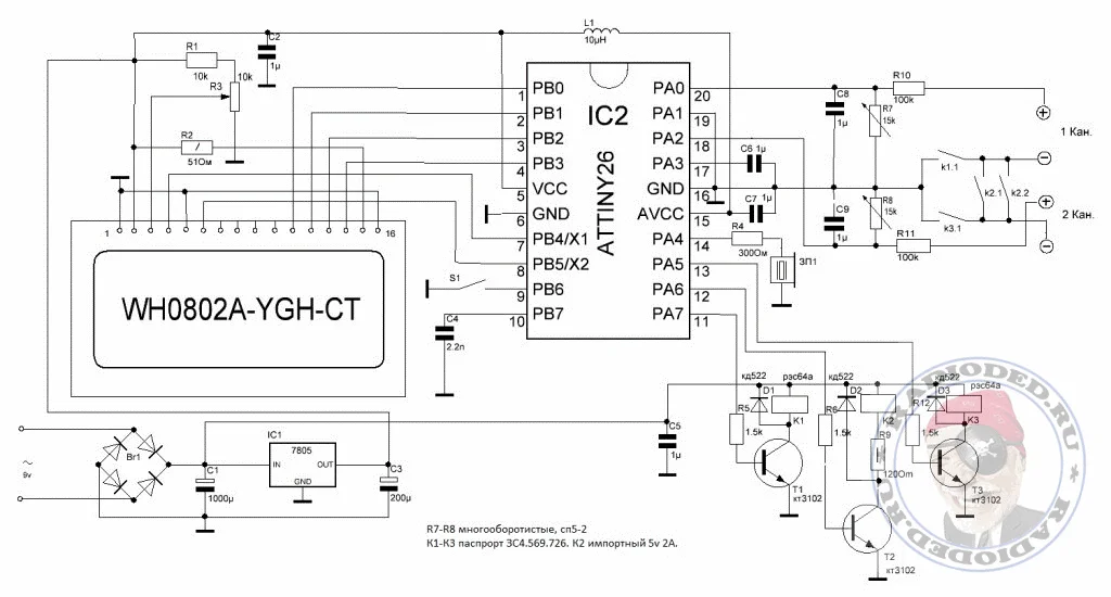
А вот эту статью смотрел? Там правда только вольтметр на дисплее.
Вольтметр, реализован на микроконтроллере «attiny26» и буквенно-цифровом LCD-дисплее "WH0802A-YGH-CT".

Cхема цифрового вольтметра на микроконтроллере ATtiny26
voltmeter_big.webp
В однополярном режиме измерения, измеряемое напряжение подается на входы АЦП микроконтроллера одновременно, через замкнутые контакты реле К1 - К2 и делители.

В двух полярном режиме, измеряемое напряжение подается поочерёдно. Контакты реле К2 разомкнуты, а реле К1 и К3срабатывая поочередно подключают к микроконтроллеру для измерения первый или второй каналы. Выбор режима измерения осуществляется кратковременным нажатием на кнопку s1. На дисплее в одно полярном режиме первый и второй каналы обозначаются римскими цифрами I и II, в двух полярном знаками + и –
Результат измерения в двух полярном режиме обновляется на дисплее примерно в полсекунды, - c такой же частотой переключаются реле К1 и К3.

Если напряжение по любому из каналов станет меньше одного вольта, допустим вследствие короткого замыкания, сработает звуковой сигнал и символы на дисплее начну мерцать. Программа написана в графической среде Algorithm Builder.
 
Назад
Сверху