• Добро пожаловать на компьютерный форум Tehnari.ru. Здесь разбираемся с проблемами ПК и ноутбуков: Windows, драйверы, «железо», сборка и апгрейд, софт и безопасность. Форум работает много лет, сейчас он переехал на новый движок, но старые темы и аккаунты мы постарались сохранить максимально аккуратно.

    Форум не связан с магазинами и сервисами – мы ничего не продаём и не даём «рекламу под видом совета». Отвечают обычные участники и модераторы, которые следят за порядком и качеством подсказок.

    Если вы у нас впервые, загляните на страницу о проекте, чтобы узнать больше. Чтобы создавать темы и писать сообщения, сначала зарегистрируйтесь, а затем войдите под своим логином.

    Не знаете, с чего начать? Создайте тему с описанием проблемы – подскажем и при необходимости перенесём её в подходящий раздел.
    Задать вопрос Новые сообщения Как правильно спросить
    Если пришли по ссылке со старого Tehnari.ru – вы на нужном месте, просто продолжайте обсуждение.

Мини УНЧ

  • Автор темы Автор темы EVO_X
  • Дата начала Дата начала
впринципи аперационник можно и как унч включить но смысл?
смысл... далеко ходить не станем, TDA2030 является ни чем иным как ОУ, другое дело какую мощность ОУ выдаст. чаще всего маломощные идут на предусилители, в цепи ФНЧ :)
И чё я 2822 сжог????
Вероятнее всего она погорела.

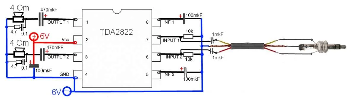
Вот схемка стерео для 2822(DIP8)
48804d1314964533-tda2822-8_iiio.webp
когда то делал портативную АС на ней, питал 2 акб от телефонов (последовательно соединеных) раскачивал 2 динамика 4 Ом 3 Вт от компьютерных колонок, жильцы дома (возле которого были обычно посиделки по ночам) водичкой нас поливали из-за того что музыка спать мешает. :D
 
резисторы най ду и соберу!
 
А тда 2822 обязательно с резисторами??
Если проблема найти сопротивления...
tea2025b_2.webp
TEA2025 модернизированная схема включения, мощность у нее примерно равная с 2822. Питание тоже одинаковое, но есть ряд небольших замечаний, аппетит у нее чуть по выше чем у 2822 (250мА против 200мА у 2822) но это не точные цифры, давно это было, уже не помню, так же мне она не понравилась тем что у нее с НЧ немного напряжно, 2822 выдает бас по лучше. но это всё как говориться на вкус и цвет.. :)
 
Если проблема найти сопротивления...
Посмотреть вложение 119992
TEA2025 модернизированная схема включения, мощность у нее примерно равная с 2822. Питание тоже одинаковое, но есть ряд небольших замечаний, аппетит у нее чуть по выше чем у 2822 (250мА против 200мА у 2822) но это не точные цифры, давно это было, уже не помню, так же мне она не понравилась тем что у нее с НЧ немного напряжно, 2822 выдает бас по лучше. но это всё как говориться на вкус и цвет.. :)

в мостовом режиме она неплохо нч выдаёт, хватает чтобы полностью полностью исчерпать ход подвижной системы 10гд. то есть 3 хороших ватта в ней точно есть.
 
в мостовом режиме она неплохо нч выдаёт, хватает чтобы полностью полностью исчерпать ход подвижной системы 10гд. то есть 3 хороших ватта в ней точно есть.
Не в данном случае, чтобы ей выдать 2.5вт (паспортных) ей нужно и питание соответствующее, если так качать портативную АС батарейки от телефона на 15 минут (в лучшем случае) хватит :)
 
в мостовом режиме на полную она минимум час играет) это только от двух батарей 800мач)
 
Всё зависит от нагрузки на выходе. :)
 
... может с динамиком поменьше дольше проработает)
Размеры динамика не причём, если слушать при одинаковом положении регулятора громкости. Потребление зависит только от сопротивления динамика.
 
  • Like
Реакции: WHS
понятно, значить потребление будет одинаковое а кпд разный)
 
Вот так??(рисую на компе плохо:tehnari_ru_942:)
 

Вложения

  • Безымянный.webp
    Безымянный.webp
    16 KB · Просмотры: 75
Вопрос, а это что? если БП то зачем после диодного моста еще выпрямители?
 
диоды после моста, в некоторых случаях используются для понижения напряжения)
 
диоды после моста, в некоторых случаях используются для понижения напряжения)
ну я ж не знал что и к чему :) но для зарядки акб (на мой взгляд) проще использовать огранечительный резистор. :) ну да ладно, умолкаю. :)
 
Так что лучше диоды или резистор????:tehnari_ru_837:
 
рисую на компе плохо
Для этого есть хорошая программка - Splan
Так что лучше диоды или резистор?
Резистор служит, в какой-то мере, источником тока, что, обычно, нужно при зарядке, а диоды просто ограничивают напряжение.
поэтому всё зависит от назначения. Резисторы ставить для ограничения в блок питания усилителя нельзя.
 
Последнее редактирование:
Для этого есть хорошая программка - Splan
Резистор служит, в какой-то мере, источником тока, что, обычно, нужно при зарядке, а диоды просто ограничивают напряжение.
поэтому всё зависит от назначения. Резисторы ставить для ограничения в блок питания усилителя нельзя.

Так для зарядки лучше резистор???
 
обьясняю на пальцах. например имеем источник питания 9В 1А, если (как у вас по схеме) дополнительные выпрямители, то получим (в зависимости от количества выпрямителей) например 6В 1А т.е. напряжение мы уменьшили, а ток так и остался без изменений. В случае с резистором мы уменьшаем силу тока.
 
Назад
Сверху