• Добро пожаловать на компьютерный форум Tehnari.ru. Здесь разбираемся с проблемами ПК и ноутбуков: Windows, драйверы, «железо», сборка и апгрейд, софт и безопасность. Форум работает много лет, сейчас он переехал на новый движок, но старые темы и аккаунты мы постарались сохранить максимально аккуратно.

    Форум не связан с магазинами и сервисами – мы ничего не продаём и не даём «рекламу под видом совета». Отвечают обычные участники и модераторы, которые следят за порядком и качеством подсказок.

    Если вы у нас впервые, загляните на страницу о форуме и правила – там коротко описано, как задать вопрос так, чтобы быстро получить ответ. Чтобы создавать темы и писать сообщения, сначала зарегистрируйтесь, а затем войдите под своим логином.

    Не знаете, с чего начать? Создайте тему с описанием проблемы – подскажем и при необходимости перенесём её в подходящий раздел.
    Задать вопрос Новые сообщения Как правильно спросить
    Если пришли по старой ссылке со старого Tehnari.ru – вы на нужном месте, просто продолжайте обсуждение.

Моя мечта

Нарисовал печатку, проверьте, пожалуйста!

Если что не правильно, исправте
 

Вложения

  • Мікшер_плата.webp
    Мікшер_плата.webp
    87.1 KB · Просмотры: 87
  • Микшер_плата.rar
    Микшер_плата.rar
    14.7 KB · Просмотры: 16
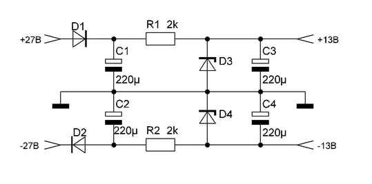
печатная плата стабилизатора
 

Вложения

  • Стабилизатор_микшер.webp
    Стабилизатор_микшер.webp
    40.1 KB · Просмотры: 117
  • Стабилизатор_микшер.rar
    Стабилизатор_микшер.rar
    4.9 KB · Просмотры: 17
  • Микшер БП.webp
    Микшер БП.webp
    7.6 KB · Просмотры: 432
А зачем диоды криво разместил? Как-то неаккуратно смотрится.
 
Последнее редактирование:

Вложения

а микшер совсем не понравился

почему не понравился? Печатка плохая? Плохо развел?

и скажите, в стабилизаторе вместо 1n4001 можно испольховать 1n4007 ?
 
Последнее редактирование:
1. Плохо
2. Можно
 
Что не так?
 
Много перечислять...
 
Если по розмещению елементов есть проблемы, то это я знаю, но мне нравится)
Если есть есть ошибки в разводке, то говорите.

А если сделать стабилизатор и микшер на одной плате, то фона не будет? Или лучше делать на разных?
 
1. То, что вам нравится ваша работа, это хорошо! НО это не говорит о том, что всё правильно сделано.
2. Ошибки в разводке проверить не могу, нет принципиальной схемы
3. Если стабилизатор запитан уже постоянным напряжением, то можно
 
Попроверю.... :)
 
Не... так не разводят такие устройства... завтра попробую свой вариант сделать
 
Выходные операционники могут и не понадобиться. Схема нарисована из головы, работоспособность надо проверять, возможно понадобится отладка или некоторые изменения. Возьми картонку, натыкай туда детали и спаяй проволочками. Заработает, отладишь, устроит - тогда уже на плате сделаешь.
 
Выходные операционники могут и не понадобиться.

Выходной ОУ нужен...Будет работать как предуселиитель...

Собрал я вчера "на картонке"...Не работает(((..
Микрофонов вообще не слышно, а звук с линейного входа очень тихий...Когда берешся за микрофон слышится некий фон (наверно землю не правильно подключил...)
Может лучше все-таки плату развести и там попробовать, хотя сегодня буду еще мучать микшер...
 
Вот набросал платку, это не окончательный вариант, заготовка, можно подвигать детали, изменить размеры, разделить, но общую компоновку желательно сохранить
 

Вложения

  • mix.zip
    mix.zip
    7.9 KB · Просмотры: 28
Спасибо огромное !!!
Но вместо переменных резисторов R1 И R2 надо постоянные на 47к...

Зачем столько конденсаторов на питании? Это со стабилизатора?
 
Последнее редактирование:
вместо переменных резисторов R1 И R2 надо постоянные
Ну ставьте постоянные, всё в ваших руках
Зачем столько конденсаторов на питании?
Если рядом будет стабилизатор, то электролиты можно не ставить, а плёнку возле микросхем обязательно оставить
 
Назад
Сверху