• Добро пожаловать на компьютерный форум Tehnari.ru. Здесь разбираемся с проблемами ПК и ноутбуков: Windows, драйверы, «железо», сборка и апгрейд, софт и безопасность. Форум работает много лет, сейчас он переехал на новый движок, но старые темы и аккаунты мы постарались сохранить максимально аккуратно.

    Форум не связан с магазинами и сервисами – мы ничего не продаём и не даём «рекламу под видом совета». Отвечают обычные участники и модераторы, которые следят за порядком и качеством подсказок.

    Если вы у нас впервые, загляните на страницу о проекте, чтобы узнать больше. Чтобы создавать темы и писать сообщения, сначала зарегистрируйтесь, а затем войдите под своим логином.

    Не знаете, с чего начать? Создайте тему с описанием проблемы – подскажем и при необходимости перенесём её в подходящий раздел.
    Задать вопрос Новые сообщения Как правильно спросить
    Если пришли по ссылке со старого Tehnari.ru – вы на нужном месте, просто продолжайте обсуждение.

Мультивибратор

  • Автор темы Автор темы Jeller
  • Дата начала Дата начала
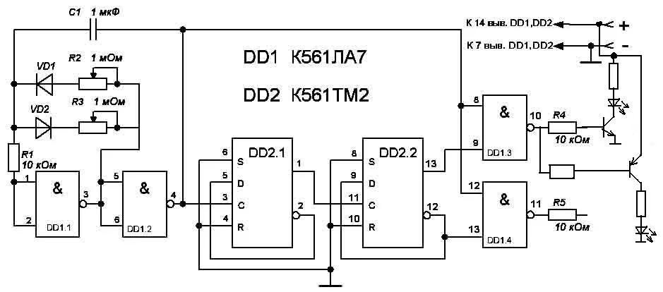
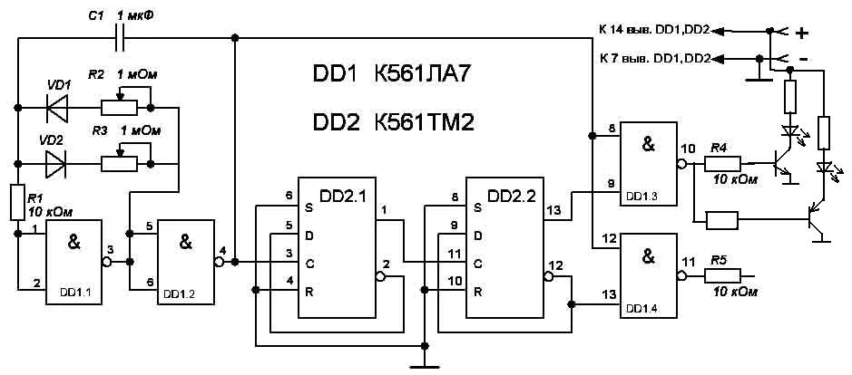
Электролитический конденсатор нежелательно ставить, если ставить, то как можно на большее напряжение. Плюс к выходу 4 микросхемы.
Частота будет меняться как изменением длительности импульса, так и изменением паузы. Сначала выставляют нужную длительность вспышек, изменяя длительность импульсов, а потом нужную частоту их повторения, изменяя паузу между импульсами.
Резисторы R4, R5 ограничительные в базах транзисторов. Без них транзистор может сгореть. Рассчитывается аналогично как рассчитываются резисторы для светодиодов.
С К561ЛА7 выходные импульсы инвертированы, поэтому на выходе для правильной работы следует ставить p-n-p транзисторы, что очень неудобно. Поэтому лучше поставить ЛЕ5.
 
Привет Света, спасибо за ответ!
Я собрал мигалку, заработала сразу. Только её мерцания не совсем похожи на мерцания проблескового маячка полицейской машины. На выход поставил КТ315, с 4-мя светодиодами и резистором 240 Ом в коллектор. Эмиттер на общий провод.
Переменные резисторы по 100 кОм, конденсатор 4,7 мкф.
Сначала выставляют нужную длительность вспышек, изменяя длительность импульсов
Это выставлять каким резистором?
С К561ЛА7 выходные импульсы инвертированы, поэтому на выходе для правильной работы следует ставить p-n-p транзисторы
Может быть поэтому у меня мигание не совсем похоже на мигание оригинального маячка? Нужно поставить, например, КТ361?
следует ставить p-n-p транзисторы, что очень неудобно.
Почему не очень удобно?
 

Вложения

  • 94863819.webp
    94863819.webp
    34.5 KB · Просмотры: 1,082
Привет Света, спасибо за ответ!
Я собрал мигалку, заработала сразу. Только её мерцания не совсем похожи на мерцания проблескового маячка полицейской машины. На выход поставил КТ315, с 4-мя светодиодами и резистором 240 Ом в коллектор. Эмиттер на общий провод.
Переменные резисторы по 100 кОм, конденсатор 4,7 мкф.

Это выставлять каким резистором?

Может быть поэтому у меня мигание не совсем похоже на мигание оригинального маячка? Нужно поставить, например, КТ361?

Почему не очень удобно?

Люди... ответьте пожалуйста...
 
Может быть поэтому у меня мигание не совсем похоже на мигание оригинального маячка?
Только её мерцания не совсем похожи на мерцания проблескового маячка полицейской машины.
Это выставлять каким резистором?
Их в схеме всего 2. Одним регулируется время горения светодиодов, вторым - время НЕ горения. (Длительность и скважность)
На выход поставил КТ315, с 4-мя светодиодами и резистором 240 Ом
Св.диоды последовательно? Чему равен ток в этой цепи? Сколько вольт питание схемы? Поэкспериментируйте с переменными сопротивлениями и емкостью, прояснится зависимость "частота-скважность". Удачи.
 
Не помогло :(
 
Всё вопрос снят. Разобрался . Когда допустим T1 насытился , т.е. его коллектор стянулся к земле . Т2 в отсечке и на его коллекторе потенциал равен напряжению питания (т.к. в отсечки очень большое сопротивление). Если коллектор Т1 стянулся к земле то и стянулась к земле левая обкладка С1 которая с прошлого раза была заряжена до Еп , а правая заряжена до 0,8(Uбэнас) . Напряжение на конденсаторе не может измениться мгновенно и тогда не смотря на то что левая обкладка стянулась к земле она по прежнему равна Еп , и тогда понятно , что к базе приложено напряжение 0,8 - Еп , и транзистор Т2 надёжно заперт. Капец блин два часа сидел тупил. В книге немного не понятно написали , где я подчеркнул .

Приветствую, хочу дать один совет:
- конденсатор в цепи очень часто удобно рассматривать как источник.
- реактивный элемент, берущий и отдающий.
- Он непременно отдаст, хотите вы этого или нет, часто не тогда когда
нужно...:tehnari_ru_942:
 
Привет Света, спасибо за ответ!
Я собрал мигалку, заработала сразу. Только её мерцания не совсем похожи на мерцания проблескового маячка полицейской машины. На выход поставил КТ315, с 4-мя светодиодами и резистором 240 Ом в коллектор. Эмиттер на общий провод.
Переменные резисторы по 100 кОм, конденсатор 4,7 мкф.

Это выставлять каким резистором?

Может быть поэтому у меня мигание не совсем похоже на мигание оригинального маячка? Нужно поставить, например, КТ361?

Почему не очень удобно?

Помогите :tehnari_ru_942:
 
С К561ЛА7 выходные импульсы инвертированы, поэтому на выходе для правильной работы следует ставить p-n-p транзисторы.
C pnp транзисторами не работает tehnobanka Подпаял КТ361 со своим базовым резистором и к нему свой светодиод с резистором - светодиоды постоянно светятся. А на КТ315 мигают как положено. В чём проблема?
 

Вложения

  • Мигалка. 2 импульса.webp
    Мигалка. 2 импульса.webp
    28.3 KB · Просмотры: 551
Светодиод должен стоять в коллекторе p-n-p транзистора.
 
Переместил светодиод с резистором в коллектор, и отключил базы КТ361. Включаю - светодиоды КТ315-ых мигают. Подключаю КТ361 - ВСЕ светодиоды (два у КТ315 и два у КТ361) горят непрерывно. :tehnari_ru_325:
 
Что неверно?
 
Ну почему мой вопрос игнорируется?
 
Ну почему мой вопрос игнорируется?

Схему с студию как Вы их подключили...
С КТ361 должно работать инверсно, если светят постоянно, то где то ошибка.
 
Отключил базы КТ361. Включаю - светодиоды КТ315-ых мигают. Подключаю КТ361 - ВСЕ светодиоды (два у КТ315 и два у КТ361) горят непрерывно. В чём ошибка? Схему добавил.
 

Вложения

  • Мигалка. 2 импульса. Кура.webp
    Мигалка. 2 импульса. Кура.webp
    28.7 KB · Просмотры: 1,312
я на МК делал, если есть программатор, то сборка не составит труда)))
если будет желание, можно будет и перекомпилировать под дешевую tiny13 :)
http://www.tehnari.ru/f115/t60259/index10.html#post688861
 
Назад
Сверху