• Добро пожаловать на компьютерный форум Tehnari.ru. Здесь разбираемся с проблемами ПК и ноутбуков: Windows, драйверы, «железо», сборка и апгрейд, софт и безопасность. Форум работает много лет, сейчас он переехал на новый движок, но старые темы и аккаунты мы постарались сохранить максимально аккуратно.

    Форум не связан с магазинами и сервисами – мы ничего не продаём и не даём «рекламу под видом совета». Отвечают обычные участники и модераторы, которые следят за порядком и качеством подсказок.

    Если вы у нас впервые, загляните на страницу о форуме и правила – там коротко описано, как задать вопрос так, чтобы быстро получить ответ. Чтобы создавать темы и писать сообщения, сначала зарегистрируйтесь, а затем войдите под своим логином.

    Не знаете, с чего начать? Создайте тему с описанием проблемы – подскажем и при необходимости перенесём её в подходящий раздел.
    Задать вопрос Новые сообщения Как правильно спросить
    Если пришли по старой ссылке со старого Tehnari.ru – вы на нужном месте, просто продолжайте обсуждение.

Музей раритетных радиоэлементов отечественного производства

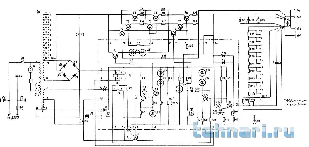
Насколько я помню,в них гальваническая развязка стоит
Гальваническая развязка присутствует в блоках питания обоих серий.
Однако Б5-7, Б5-8 собраны по классической трансформаторной схеме, поэтому
эти блоки намного лучше
, а Б5-47, Б5-48 импульсные. Со всеми вытекающими отсюда прелестями.
 
Вот, кстати, схемы на эти БП
 

Вложения

  • Б5-7 схема.png.webp
    Б5-7 схема.png.webp
    52.8 KB · Просмотры: 1,653
  • Б5-48.png.webp
    Б5-48.png.webp
    42.2 KB · Просмотры: 255
Всем привет! Вот часть моей коллекции
 

Вложения

  • P_20170105_163658_HDR.webp
    P_20170105_163658_HDR.webp
    42.9 KB · Просмотры: 208
и сейчас некоторые детали идут в дело
 

Вложения

  • P_20170105_163852_HDR.webp
    P_20170105_163852_HDR.webp
    46.3 KB · Просмотры: 221
Если детали отвечают всем требованиям,то почему бы и не пускать их в дело)
 
в3.webp
Вот еще одни старички)))
 
Посмотреть вложение 326164Посмотреть вложение 326165Посмотреть вложение 326166

Не знаю как насчет раритетных деталей, осенью был на одном пункте по прием металлолома, привезли на бомбежку приборы, с одного из наших заводов, забрал все, что мог! Рочти все рабочие! Кое где пылюка да грязюка была, но оттер, почистил. Теперь надо что-то с ними делать...

Дааа,для любого фантаст-фильма-обстановка секретной лаборатории :ku-y:tehnobanka
 
Когда то было и сокретно,когда то и лаборатории были.....В одном корпусе только 9 ЭТЛ было!А этих корпусов не мало.И то же было....
 
20170105_214649.webp
Вот интересная лампочка,с надписью "Опытная".
 
Реле РЭС55А.
 

Вложения

  • 56.webp
    56.webp
    78.4 KB · Просмотры: 123
Реле РЭС6.
 

Вложения

  • 57.webp
    57.webp
    68.8 KB · Просмотры: 173
Реле РГК14.
 

Вложения

  • 58.webp
    58.webp
    55.6 KB · Просмотры: 188
Ещё реле. Название плохо читается...
 

Вложения

  • 59.webp
    59.webp
    62.8 KB · Просмотры: 218
Реле РЭС9.
 

Вложения

  • 60.webp
    60.webp
    52.2 KB · Просмотры: 170
Назад
Сверху