• Добро пожаловать на компьютерный форум Tehnari.ru. Здесь разбираемся с проблемами ПК и ноутбуков: Windows, драйверы, «железо», сборка и апгрейд, софт и безопасность. Форум работает много лет, сейчас он переехал на новый движок, но старые темы и аккаунты мы постарались сохранить максимально аккуратно.

    Форум не связан с магазинами и сервисами – мы ничего не продаём и не даём «рекламу под видом совета». Отвечают обычные участники и модераторы, которые следят за порядком и качеством подсказок.

    Если вы у нас впервые, загляните на страницу о проекте, чтобы узнать больше. Чтобы создавать темы и писать сообщения, сначала зарегистрируйтесь, а затем войдите под своим логином.

    Не знаете, с чего начать? Создайте тему с описанием проблемы – подскажем и при необходимости перенесём её в подходящий раздел.
    Задать вопрос Новые сообщения Как правильно спросить
    Если пришли по ссылке со старого Tehnari.ru – вы на нужном месте, просто продолжайте обсуждение.

Настройка трактов магнитофона

  • Автор темы Автор темы Дим
  • Дата начала Дата начала
2. приборный контроль - это спектрограмма свип-сигнала?
3. нууу.... м-р Фикс разрабатывает платы и воплощает их в жизнь, а я спрашиваю, что такое свип-сигнал...)) Думаю, всяк сверчок знай свой шесток)) Но хотелось бы на том, что есть, выжать максимум.

А на эти вопросы ответьте, пожалуйста.
 
Я понял, в чём беда. Вы не сразу отвечаете на мои вопросы или же совсем не отвечаете. А я нуждаюсь в КОНКРЕТНЫХ ПОШАГОВЫХ ответах. Ну представьте, что вы объясняете слабоумному)))
 
Это ж на слух, а он у меня не музыкальный.
Совсем не обязательно обладать музыкальным слухом, чтобы определить наличие или отсутствие в записи высоких частот. Главное не быть глухим. tehno001
 
Оценивайте и давайте дальнейшие рекомендации.
АЧХ по декам и каналам практически одинакова, осталась разница уровней по декам и каналам, надо бы их выровнять. Почитайте инструкцию по ремонту на стр. 61 http://www.tehnari.ru/f114/t246663/index21.html#post2389588
 

Вложения

  • Hot_RS_декаА.webp
    Hot_RS_декаА.webp
    33.2 KB · Просмотры: 95
  • Hot_RS_декаБ.webp
    Hot_RS_декаБ.webp
    32.5 KB · Просмотры: 77
Ай да Пушкин, ай да сукин сын!!))) (это я про себя). Я всё прекрасно понимаю: необходимы инструментальные методы настройки, необходима теоретическая подготовка и т.д. И понимаю, что мои методы похожи как если бы пьяный дворник ржавым кухонным ножом удалял бы аппендицит)) Но нет у меня ни соответствующего инструментария, ни соответствующей теоретической подготовки, и мой преклонный возраст не позволяет надеяться, что всё это когда-либо у меня появится)))
 
Ну так будем выравнивать уровни?... почитайте всё же инструкцию, там ничего сложного нет,... или на этом и закончим?:)
 
или на этом и закончим?
Ни в коем разе! Всё только начинается!))))

А перед выравниванием уровней ответьте на вопрос:
в деке А изначально стояла 3Д24.120 (R секц=200 Ом), которую я заменил на Д810 (R секц=240 Ом), причём никаких мероприятий по согласованию не проводил. Хочу выяснить - необходимы ли эти мероприятия или можно оставить так как есть?

А, понял) На стр. 61 как раз описаны мероприятия при замене головок.
 
Возможно, надо корректировать АЧХ, но у вас никаких приборов нет, так что оставьте как есть
 
Подскажите, пожалуйста-где эти точки находятся?
 

Вложения

  • Безымянный.webp
    Безымянный.webp
    68.9 KB · Просмотры: 190
Что поделать.. Ради одного аппарата покупать ВСЕ необходимые приборы? Не поймут-с..)))
Думаю, что для моего уровня и осциллограф из ПК вполне подойдёт)
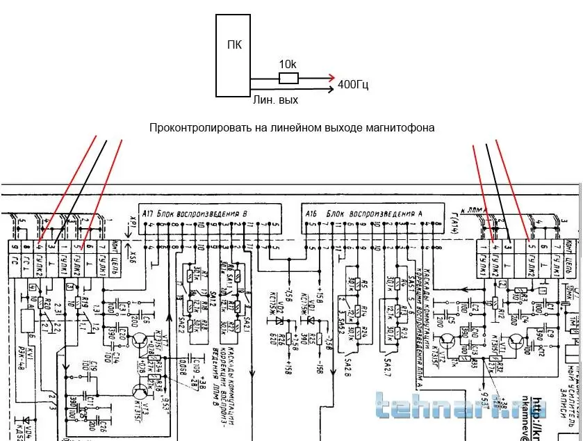
Вот схема.
 

Вложения

Друзья, давайте перед отстройкой трактов ещё раз совместными усилиями настроим работу индикаторов как записи, так и воспроизведения. И ПОШАГОВО, битте..))))
 
Выровняете усиление воспроизведения по каналам и по декам, и потом по нему подстроите индикаторы
 
Ну так в инструкции всё написано, схему я вам дал, что конкретно не понятно?
 
Вот эту операцию как выполнить?
 

Вложения

  • Безымянный.webp
    Безымянный.webp
    47.9 KB · Просмотры: 184
Показания индикаторов привязаны только к "базовому" уровню - 500 мВ, 400 Гц и не зависят в каком режиме находится магнитофон, запись или воспроизведение.
PS. Абсолютно напрасно произведена замена головки - 810 хорошая МГ, но теперь потеряны реперные точки...
 

Похожие темы

Назад
Сверху