- Регистрация
- 27 Ноя 2010
- Сообщения
- 28,167
- Реакции
- 681
- Баллы
- 0
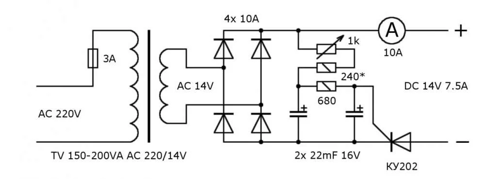
Да, это переменный резистор он регулирует ток заряда, 240 Ом обыкновенный
резистор, звездочка указывает, что его надо подбирать. Когда 1 кОм выкручен
полностью, т.е. 1 кОм, 240 Ом подбирается таким, чтобы ток заряда стремился
к нулю. Это может быть 180, 220, 240, 270 Ом. Чтобы настроить зарядное, в качестве
нагрузки включаешь фарную авто лампочку 12в, обе нити, ближний и дальний ...
резистор, звездочка указывает, что его надо подбирать. Когда 1 кОм выкручен
полностью, т.е. 1 кОм, 240 Ом подбирается таким, чтобы ток заряда стремился
к нулю. Это может быть 180, 220, 240, 270 Ом. Чтобы настроить зарядное, в качестве
нагрузки включаешь фарную авто лампочку 12в, обе нити, ближний и дальний ...