- Регистрация
- 28 Мар 2011
- Сообщения
- 3,345
- Реакции
- 111
- Баллы
- 63
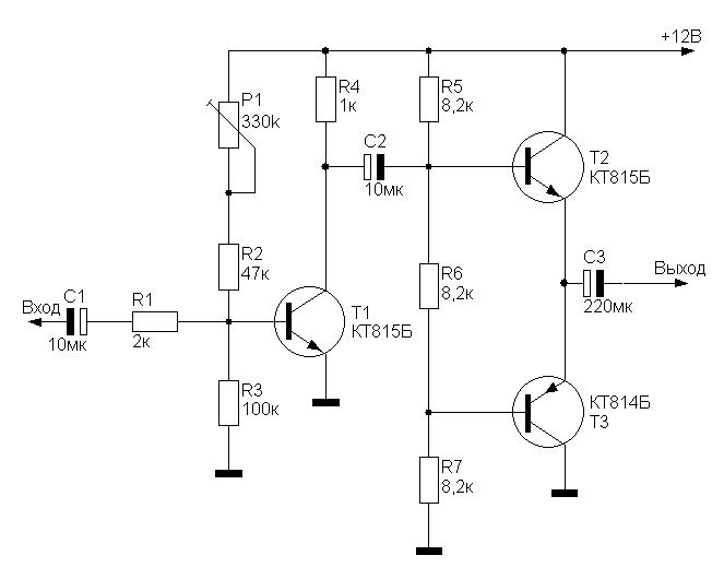
Да вот простая схема: Посмотреть вложение 74947
В каком класе трудится этот схема?
Какая настройка?
Вых мощность?
Смотрите видео ниже, чтобы узнать, как установить наш сайт в качестве веб-приложения на домашнем экране.
Примечание: Эта возможность может быть недоступна в некоторых браузерах.
Добро пожаловать на компьютерный форум Tehnari.ru. Здесь разбираемся с проблемами ПК и ноутбуков: Windows, драйверы, «железо», сборка и апгрейд, софт и безопасность. Форум работает много лет, сейчас он переехал на новый движок, но старые темы и аккаунты мы постарались сохранить максимально аккуратно.
Форум не связан с магазинами и сервисами – мы ничего не продаём и не даём «рекламу под видом совета». Отвечают обычные участники и модераторы, которые следят за порядком и качеством подсказок.
Если вы у нас впервые, загляните на страницу о проекте, чтобы узнать больше. Чтобы создавать темы и писать сообщения, сначала зарегистрируйтесь, а затем войдите под своим логином.
Да вот простая схема: Посмотреть вложение 74947
В каком класе трудится этот схема?
Какая настройка?
Вых мощность?
Какой класс и настройка незнаю, но могу сказать что PMPO этого усилочка где-то 250-300 мВт...В каком класе трудится этот схема?
Какая настройка?
Вых мощность?
А усь нужен обязательно на транзюках?
Для чего он будет использоваться, если не секрет? Мож лучше была б ТДА 2822...
сегодня собрал за 5 мин тда 7056 .звук нормальный вата 3 выдаёт .на первое время норм должно быть.
Если собирать качественный трех-ваттный транзюковый усь, то по соотношению "качество и мощность \ запчасти, то лучше собрать ватт на 10, по кол-ву запчастей одинаково выйдет, а если для портативной колоночки - для этого созданы микросхемы. Да и КПД у микробов выше, т.к. транзисторный 3х-ваттник будет питаться 9-ю вольтами, а микруха будет служить Вам верой и правдой на 3-х, 4-х...
Да и можно с двух микрух достоиный аппарат собрать! На ТДА 2822 сделать мини сабик, а на другои ТДА-шке помощнее (там уже сами на своё усмотрение) усилитель, ватт на пять стерео звука, получиться неплохая, а главное миниатюрная колоночка которую можно будет брать с собой куда угодно...
И перед друзьями можно похвастаться - где сейчас можно найти сабвуфер, который помещается в карман?:tehnari_ru_889: