mezko
Новые
- Регистрация
- 5 Фев 2014
- Сообщения
- 473
- Реакции
- 40
- Баллы
- 0
Запустил защиту, работает прекрасно. Схема называется DEF 2017, автор Nem0. Переделал плату немного под себя, собрал, включил - всё отлично, защита работает, индикация показывает, ложных срабатываний не наблюдал. Если кому интересно, могу дать схему и исправленную более компактную печатку под защиту с индикацией.



Блоки питания для защиты, и светодиодов расположил в нишах радиаторов (на фото видно).


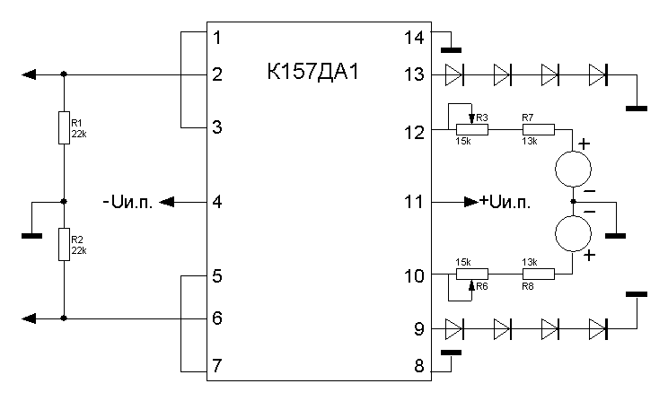
Осталось причесать провода, сделать переднюю панель, закрепить все незакреплённые платы, и соорудить драйвер для индикаторов. Схема будет состоять из пикового индикатора на AN6884 из поста 21, а собственно управлять стрелками вместо LM358 будет К157ДА1 по такой схеме:

Раньше собирал уже всё это дело на макетке, работало. Вчера включил - не хочет) Буду разбиратся, но печатку уже начинаю.
Пока что мой монстр выглядит вот так:

Слушаю его в перерывах между тем, как ковыряюсь в нём)) Окончательно буду всё крпеить и собирать после того, как внедрю индикаторы в переднюю панель. Тогда можно будет уже прикрутить платы ТБ, ПУ, БП мощника, преда, и драйвера стрелок, а так же трансформатор.



Блоки питания для защиты, и светодиодов расположил в нишах радиаторов (на фото видно).


Осталось причесать провода, сделать переднюю панель, закрепить все незакреплённые платы, и соорудить драйвер для индикаторов. Схема будет состоять из пикового индикатора на AN6884 из поста 21, а собственно управлять стрелками вместо LM358 будет К157ДА1 по такой схеме:

Раньше собирал уже всё это дело на макетке, работало. Вчера включил - не хочет) Буду разбиратся, но печатку уже начинаю.
Пока что мой монстр выглядит вот так:

Слушаю его в перерывах между тем, как ковыряюсь в нём)) Окончательно буду всё крпеить и собирать после того, как внедрю индикаторы в переднюю панель. Тогда можно будет уже прикрутить платы ТБ, ПУ, БП мощника, преда, и драйвера стрелок, а так же трансформатор.






