Semi234
Новые
- Регистрация
- 20 Апр 2012
- Сообщения
- 51
- Реакции
- 0
- Баллы
- 0
а что металическую тоже можна?труба для водопровода подойдёт только если медная чем толще тем лучше .
Смотрите видео ниже, чтобы узнать, как установить наш сайт в качестве веб-приложения на домашнем экране.
Примечание: Эта возможность может быть недоступна в некоторых браузерах.
Добро пожаловать на компьютерный форум Tehnari.ru. Здесь разбираемся с проблемами ПК и ноутбуков: Windows, драйверы, «железо», сборка и апгрейд, софт и безопасность. Форум работает много лет, сейчас он переехал на новый движок, но старые темы и аккаунты мы постарались сохранить максимально аккуратно.
Форум не связан с магазинами и сервисами – мы ничего не продаём и не даём «рекламу под видом совета». Отвечают обычные участники и модераторы, которые следят за порядком и качеством подсказок.
Если вы у нас впервые, загляните на страницу о проекте, чтобы узнать больше. Чтобы создавать темы и писать сообщения, сначала зарегистрируйтесь, а затем войдите под своим логином.
а что металическую тоже можна?труба для водопровода подойдёт только если медная чем толще тем лучше .
Ну да эт я понял, ток где взять чтот потходящяе не знаюеё лучше сделать из медной трубки .или из провода большого сечения.
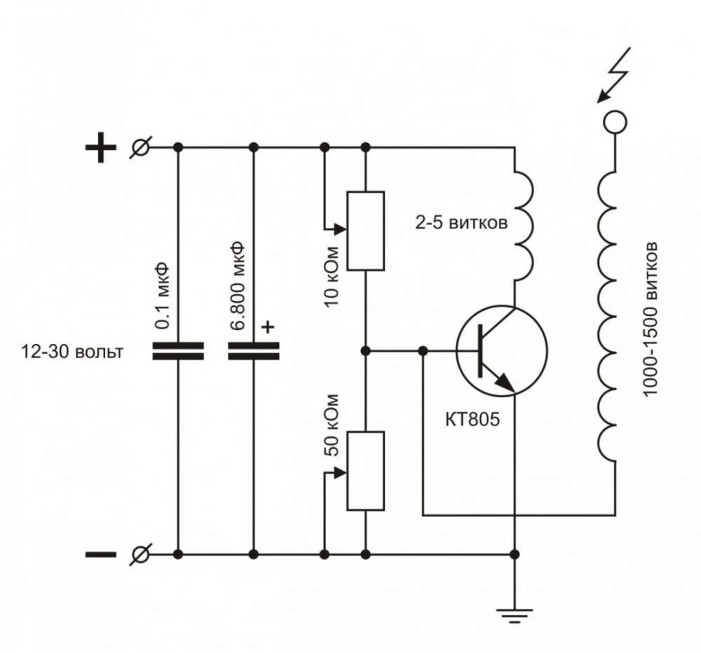
Какой именно? Укажи, пожалуйста, номер.на схеме блокинг-генератора на входе електролит стоит,
Давай будем писать яснее. На каком именно входе? По питанию? Тебе трудно написать номера? Тогда словами подробнее..на входе 2 конденсатора
Извини, я ошибся схемой. Если у тебя хороший БП (имею в виду фильтрацию) то можно без обоих. Но лучше с ними.какой номер?
А почему нет? Через амперметр, чтобы видеть зарядный ток. Удачи.Можно ли дрель 4,8 В заряжать 6 Вольтовой зарядкой?