• Добро пожаловать на компьютерный форум Tehnari.ru. Здесь разбираемся с проблемами ПК и ноутбуков: Windows, драйверы, «железо», сборка и апгрейд, софт и безопасность. Форум работает много лет, сейчас он переехал на новый движок, но старые темы и аккаунты мы постарались сохранить максимально аккуратно.

    Форум не связан с магазинами и сервисами – мы ничего не продаём и не даём «рекламу под видом совета». Отвечают обычные участники и модераторы, которые следят за порядком и качеством подсказок.

    Если вы у нас впервые, загляните на страницу о проекте, чтобы узнать больше. Чтобы создавать темы и писать сообщения, сначала зарегистрируйтесь, а затем войдите под своим логином.

    Не знаете, с чего начать? Создайте тему с описанием проблемы – подскажем и при необходимости перенесём её в подходящий раздел.
    Задать вопрос Новые сообщения Как правильно спросить
    Если пришли по ссылке со старого Tehnari.ru – вы на нужном месте, просто продолжайте обсуждение.

Перемотка ТС 180

Да это точно, исправил. Вот тогда, когда перед тем как отмотать лишние провода, я выяснил (25В) и отматал, потом как обычно припаял на место. А потом когда стал замерять тестером, и вот что стал показывать: 24.6В или 24.7В на первом и на второй катушке. Вобщем +/- 0.2. Это нормально, можно так оставить?
И как там Вы говорили сделать перемычку, так же как и на первичкой (220В)?
И можно тебя попросить: сможешь нарисовать дорожки БП чтобы мне потом на текстолит перенести? Это как в теме у Валерий про усилителя, а то не соображаю как правильно рисовать.
 
24.6В или 24.7В на первом и на второй катушке. В общем +/- 0.2.
В обще то это +/-0.1 !!! Можно !!! Когда большой разброс, это разница в громкости
каналов, но при таком различии, ты никогда не услышишь разницы ...
Также припаиваешь перемычку и меряешь на свободных концах напряжение,
оно должно быть 53В, относительно перемычки половина, если 53В нет, значит
опять закон подлости, непопал с фазировкой, поменяй концы одной обмотки ... :)
 
51.1 или 51.2 показывает, или мультиметр такой, раз показывает то одно потом другие цифры.
 
Тестер такой, а так нормально все, главное чтобы было примерно
одинаково ... :)
 
Так что, пойдет?
Если да, то теперь надо как бы мне понять, с чего начинать т.е. подключение - соединение. Или у Валерий спрашивать в теме "Самодельные усилители"?
И можно тебя попросить: сможешь нарисовать дорожки БП чтобы мне потом на текстолит перенести? Это как в теме у Валерий про усилителя, а то не соображаю как правильно рисовать.:tehnari_ru_325:
 
На сначало приобрести детали для БП, потому что размеры деталей
бывают разные !!! Печатка рисуется под размер деталей ...
Надо четыре диода на 5А, КД203, Д242 или Д246, к ним небольшие
П-образные радиаторы. Можно купить готовый (плоский) 10А мост
и закрепить его хомутом к радиатору, все по разному делаю.
Посмотри, как делает Валерий ??? Далее надо электролитический
конденсатор 10000 mF 63V или 2х4700 mF 63V или 2х6800 mF 63V.
Конденсатор 0.1 mF (любой) ... :tehnari_ru_953:
 
4 - диода (сверхбыстрые)купил 8шт.
Диодный мост (как говорил Валера) 25А,купил.
Кондер 22000mF/50V (как на схеме у Валерии) купил 2шт.
Кондер на всякий случай 10000mF/63V купил 1шт.
Кондер 0.1mkF купил.
Радиаторы длина 30мм,высота 50мм, шир.30мм. - 6шт.
:tehnari_ru_889: :)
 
Пробовал нарисовать, не получается блин у меня :tehnari_ru_325:
Вот посмотри, на фото обозначил на трансе, что это?
И вот посмотрел у Валеры схему БП, может так кондеры припаять?
:tehnari_ru_942:
 

Вложения

  • БП_5.webp
    БП_5.webp
    48.5 KB · Просмотры: 757
А вот и транс, подскажи пжл каким проводом подключать по схеме БП которую ты выложил (или этот, предыдущии пост).
 

Вложения

  • P1000278.webp
    P1000278.webp
    118.6 KB · Просмотры: 5,062
Что не понятно ???
 

Вложения

  • БП_5.webp
    БП_5.webp
    24.9 KB · Просмотры: 1,495
Вот, как я нарисовал, получается двухстороний текстолит у меня.
Там где идет дорожка от перемычки и от провода серого цвета(предыдущее фото транса), дорожки идут прямо к точке? Т.е. не касаются других дорожек?
Или не правильно?
 

Вложения

  • P1000280.webp
    P1000280.webp
    39.2 KB · Просмотры: 364
А не легче все это соединить проводами и все, зачем печатка,три детали ??? :)
У тебя конденсаторы 0.1 mF последовательно, нет смысла, их надо подключать
параллельно каждому электролиту или один на полностью на 50 Вольт ... :)
 
А не легче все это соединить проводами и все, зачем печатка,три детали ??? :)
У тебя конденсаторы 0.1 mF последовательно, нет смысла, их надо подключать
параллельно каждому электролиту или один на полностью на 50 Вольт ... :)

Я посмотрел еще раз на рисунок БП у Валеры, вроде бы так нарисовано.
А 0.1mF значит один подойдет (как у тебя на рисунке)?
И если проводами соединять, у меня даже ума не хватит чтоб их расположить в корпусе грамотно.
 
И если проводами соединять, у меня даже ума не хватит чтоб их расположить в корпусе грамотно.
Причем тут корпус, берешь просто не фольгированный текстолит, сверлишь
где надо отверстия, размещаешь детали и соединяешь проводами, это
называется навесной монтаж !!! :)
 
Так я правильно нарисовал рисунок схему?
Где идет провод от перемычки и от провода серого цвета(предыдущее фото транса), провода идут прямо к точке?
P.S. Первый раз так делаю и сильно волнуюсь. Это последнее что осталось сделать. Потом все это соединять надо. Буду просить помощи у Валеры. Ты не злишься из за того что много вопросов задаю :tehnari_ru_102: :tehnari_ru_159:
 
Серый и Голубой, это переменка на диодный мост, а с перемычки общий провод ... :)
 
А диодный мост он где ??? Это ни БП ??? :)

Черт, не могу фото загрузить!!! Опять проблема с Инетом. Может у тебя Skype есть? Быстрее будет.
А то постоянно проблемы с загрузкой файла.
 
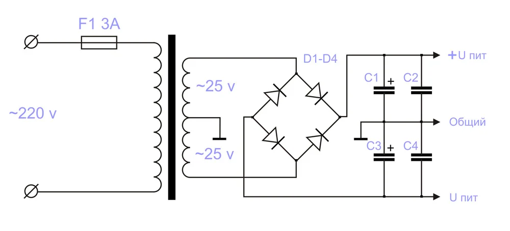
F1(предохранитель) - 3A 250V
C1,C3 - 22000uF
C2,C4 - 0.1uF
диодный-мост 25А, 100В MB251 (KBPC2501),
 

Вложения

  • 003.webp
    003.webp
    14.6 KB · Просмотры: 1,818
Назад
Сверху