Смотрите видео ниже, чтобы узнать, как установить наш сайт в качестве веб-приложения на домашнем экране.
Примечание: Эта возможность может быть недоступна в некоторых браузерах.
Добро пожаловать на компьютерный форум Tehnari.ru. Здесь разбираемся с проблемами ПК и ноутбуков: Windows, драйверы, «железо», сборка и апгрейд, софт и безопасность. Форум работает много лет, сейчас он переехал на новый движок, но старые темы и аккаунты мы постарались сохранить максимально аккуратно.
Форум не связан с магазинами и сервисами – мы ничего не продаём и не даём «рекламу под видом совета». Отвечают обычные участники и модераторы, которые следят за порядком и качеством подсказок.
Если вы у нас впервые, загляните на страницу о проекте, чтобы узнать больше. Чтобы создавать темы и писать сообщения, сначала зарегистрируйтесь, а затем войдите под своим логином.
Мне кажется бред. Для импульсников существуют специальные микросхемы управления. Одна из самых простых - IR2153мне нужно сделать импульсный блок питания с блоком регулировки на LM317
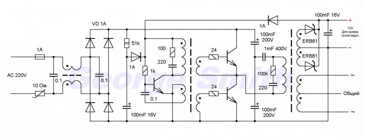
Пожалуйста объясните в вашей схеме блока питания, назначение выделенных элементов, в первую очередь диода VD1. Какую он у вас функцию выполняет (до меня просто не доходит:tehnari_ru_942Хочу БП помощнее, ампер 10 что бы трансформатор тянул. Сам блок регулятора умощить мне труда не составит, лишь бы импульсник у нему приделать. А то даже обычный вентилятор от компьютера перегружает..
Пожалуйста объясните в вашей схеме блока питания, назначение выделенных элементов, в первую очередь диода VD1. Какую он у вас функцию выполняет (до меня просто не доходит:tehnari_ru_942, имея максимальный ток 0.2-0.3 А (как раз на вентилятор может и хватит)
Так же назначение участка схемы обведённого зелёным, ну и последнее - фиолетовым. Зачем они нужны?
Ну это естественно, ведь у него ток до 0,3 Ампера. Уберите его, или если он вам так нужен, надо поставить минимум КД202 или любой диод на ток не менее 2, а если в дальнейшем хотите умощнить свой БП до 6 А, то не менее 10 Ампер и на радиатор. Если оставите этот-же, то вашего БП хватит только на вентилятор от компа.VD1 для защиты от переполюсовки.При сборке он меня спас. Случилось КЗ при проверке и его даже пробило.
Ну это естественно, ведь у него ток до 0,3 Ампера. Уберите его, или если он вам так нужен, надо поставить минимум КД202 или любой диод на ток не менее 2, а если в дальнейшем хотите умощнить свой БП до 6 А, то не менее 10 Ампер и на радиатор. Если оставите этот-же, то вашего БП хватит только на вентилятор от компа.
Зелёный кусок, если вам так хочется, можно оставить, а фиолетовый уберите, так как это просто индикатор перегрузки (у вас он уже есть - зеленый), и он не от чего не защищает.
А насчет витой пары - мотать можно если трансформатор во всех режимах эксплуатации будет оставаться холодным. Если это условие будет соблюдено, то пожалуйста.

И еще, конденсаторы на 0,1, 220 кермика это все нанофарады или микрофарады? И как понять черточки на резисторах?
Прежде, чем делать этот блок питания, почитайте пожалуйста книгу Борисова "Юный радиолюбитель", она вам очень нужна и поможет.И поляризованные конденсаторы все миллифарадные что ли?
К нам зайдите, мы тут за стенкой, восемь страниц уже делаем:tired:А не проше на TL494 сделать импульсник там и ширину импульсов контролировать можно...
- Рассчитать вторичку под соответствующее напряжение.Я хотел бы знать, как сделать что бы на выходе было 20в?
И еще, конденсаторы на 0,1, 220 кермика это все нанофарады или микрофарады? И как понять черточки на резисторах?
Где какие транзисторы располагаются? Цитирую из поста Юрия вышеуказанной темы:"генератор КТ817,
КТ805(М), Выходные 13003-13007 (с барьером Шотки)" А где там стоит барьер Шотки? Чем можно заменить транзисторы 13003? КТ8137А подойдет?
Какие следует использовать диоды в схеме?
Электролитические конденсаторы обозначаются в микрофарадах (100mf= 100 микрофарад)И поляризованные конденсаторы все миллифарадные что ли?
- Рассчитать вторичку под соответствующее напряжение.
- 0.1 это обозначение в микрофарадах, 220 в пикофарадах
Электролитические конденсаторы обозначаются в микрофарадах (100mf= 100 микрофарад)
- Чёрточки на резисторах обозначают мощность рассеивания резистора.
- Слева располагается КТ817 (КТ315), справа два 13003-13007 (барьер Шотки находится внутри этих двух транзисторов, когда он открывается, электроны всей толпой бегут к коллектору или к змиттеру, в зависимости от типа транзистора и направления тока). Эти транзисторы можно заменить любыми из комп. БП АТ, АТХ.
- Диоды слева любые выпрямительные на ток не менее 1А и обр напр. 300 В. (можно также с комповских БП, или мостики), по вторичкам транса диоды импульсные, можно так-же с комповских БП брать из вторичных цепей, напр. FR302? или наши КД213
чтобы правильно читать схемы и маркировки деталей не обязательно иметь красный диплом. в инете полно информации, надо только немного шевелить мазгами.
так что там непонятного в кондерах?