• Добро пожаловать на компьютерный форум Tehnari.ru. Здесь разбираемся с проблемами ПК и ноутбуков: Windows, драйверы, «железо», сборка и апгрейд, софт и безопасность. Форум работает много лет, сейчас он переехал на новый движок, но старые темы и аккаунты мы постарались сохранить максимально аккуратно.

    Форум не связан с магазинами и сервисами – мы ничего не продаём и не даём «рекламу под видом совета». Отвечают обычные участники и модераторы, которые следят за порядком и качеством подсказок.

    Если вы у нас впервые, загляните на страницу о проекте, чтобы узнать больше. Чтобы создавать темы и писать сообщения, сначала зарегистрируйтесь, а затем войдите под своим логином.

    Не знаете, с чего начать? Создайте тему с описанием проблемы – подскажем и при необходимости перенесём её в подходящий раздел.
    Задать вопрос Новые сообщения Как правильно спросить
    Если пришли по ссылке со старого Tehnari.ru – вы на нужном месте, просто продолжайте обсуждение.

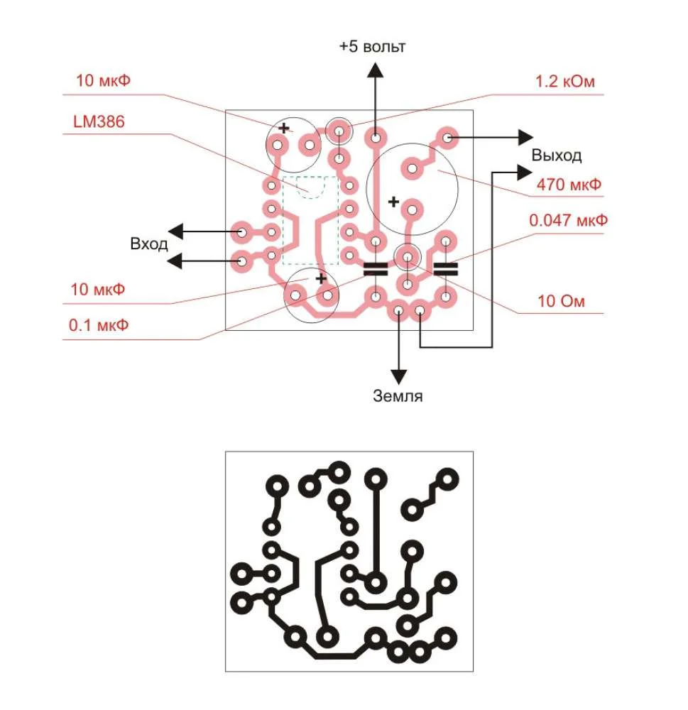
Помогите сделать усилитель

Переменный резистор - 10ком
Резисторы - 1.2ком и 10ом (я так понимаю:D)
кондёры (наверно в микрофарадах) - 0.1 , 10 , 0.05(50Нф) и неподписанный на 7 выводе - неэлектролиты
250мф - электролит
Напряжение зависит от того каким питать собираешься.
 
Как узнать какой вывод у конденсатора плюс и минус если не расписанно.
 
У нового электролитического конденсатора плюсовой вывод длиннее, а напротив отрицательного вывода на корпусе идёт белая полоса.
 
А можно ли микросхему LM386 заменить на 504Р14Б или на вверху написанно HWCAT0077 а внизу написанно csc665op
 

Вложения

  • lm386.webp
    lm386.webp
    21.8 KB · Просмотры: 774
  • LM386-2.webp
    LM386-2.webp
    39.3 KB · Просмотры: 1,297
Я так и не нашёл, что такое 504Р14Б.
 
А на такую микросхему можно заменить, на вверху написанно HWCAT0077 а внизу написанно csc665op, и от куда ты ишешь.
 
Чёт тоже такого не нашёл.
 
Пож. помогите у меня автомагнитола JVS-G527 прыгает при езде, сегодня пока я снег убирал 15 песен послушал не прыгал машина не заведенна, а когда заведу он начинает останавливаться что нужно сделать, или же когда нагреется особенно летом, так что диск даже нельзя тронуть, и он вобще не читает.!? Заранее спасибо.
 
Подскажите можно ли поставить этот усилитель на мобильный телефон, и распишитевсе детали.
 

Вложения

  • 732_1.gif
    732_1.gif
    10.4 KB · Просмотры: 1,509
Это усилитель для магнитной записи, он не может работать на низкоомную нагрузку типа динамиков.
 
Пож. помогите у меня автомагнитола JVS-G527 прыгает при езде, сегодня пока я снег убирал 15 песен послушал не прыгал машина не заведенна, а когда заведу он начинает останавливаться что нужно сделать, или же когда нагреется особенно летом, так что диск даже нельзя тронуть, и он вобще не читает.!? Заранее спасибо.[/QUOВ
Ваша магнитола требует профилактического ремонта,скорее всего запылилась. Не рекомендую пользоваться чистящими дисками. Если будете разбирать сами,не чистите линзу агрессивными жидкостями,ваткой с пинцетом,у JVC пластмасса,не стекло. При сборке обратите внимание на прижим выходной микрухи (должна быть из конюшни LA по моему),там немного по дурацки сделано и с теплоотводящей пастой не переборщите. Еще обратите внимание на смазку салазок,ее не должно быть много,но присутствовать она должна. Также советую прочистить выкидной резиновый валик ваткой с ацетоном,тоже слабое место у JVC. Если кажется слишком сложным чего написал,велкам в радиомастерскую. Удачи
 
Назад
Сверху