• Добро пожаловать на компьютерный форум Tehnari.ru. Здесь разбираемся с проблемами ПК и ноутбуков: Windows, драйверы, «железо», сборка и апгрейд, софт и безопасность. Форум работает много лет, сейчас он переехал на новый движок, но старые темы и аккаунты мы постарались сохранить максимально аккуратно.

    Форум не связан с магазинами и сервисами – мы ничего не продаём и не даём «рекламу под видом совета». Отвечают обычные участники и модераторы, которые следят за порядком и качеством подсказок.

    Если вы у нас впервые, загляните на страницу о форуме и правила – там коротко описано, как задать вопрос так, чтобы быстро получить ответ. Чтобы создавать темы и писать сообщения, сначала зарегистрируйтесь, а затем войдите под своим логином.

    Не знаете, с чего начать? Создайте тему с описанием проблемы – подскажем и при необходимости перенесём её в подходящий раздел.
    Задать вопрос Новые сообщения Как правильно спросить
    Если пришли по старой ссылке со старого Tehnari.ru – вы на нужном месте, просто продолжайте обсуждение.

Помогите собрать усилитель

  • Автор темы Автор темы DUBL
  • Дата начала Дата начала
Думаю 500 ватт хватит.
У моего друга (Сталкер призрак) Стоит дома ламповых капитан, тк вот... притащили мы как-то эту колонку к нему врубили, бахало так, что аш штанины брюк дрыгались. А когда вытащили на улицу оказалось что не такая уж и большая мощность выдаётся - мы врубили на всю и поставили штуку которая давление мериет, оказалось, что (по расщетам) колонка выдовала всего 470 ватт из положенных 1200... Ну тк я теперь вплотную задался целью собрать усилитель какой нибудь, хотябы на 1000 ватт... Ищу схему, буду очень благодарен за любой совет!!!
 
Ну тк я теперь вплотную задался целью собрать усилитель какой нибудь, хотябы на 1000 ватт... Ищу схему, буду очень благодарен за любой совет!!!
Дал ссылку в личный кабинет.
 
Ну без соответствующих знаний и опыта сборка такого усилителя может закончиться печально. АБ класс даже не пытайтесь делать (видел схемы с кучей выходных пар, но это ужас). Здесь 3 варианта: D, G, H класс.
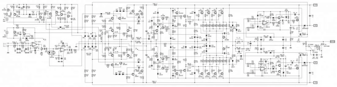
Варианты схем: ASA80, NF481
 
А что вы хотели, дешево не получится.
 
Как-то так:
Посмотреть вложение ASA80.pdf
NF481-mitya_stb.webp
Да и без осцила такие усилители нереально запустить.
Ладно, а если пренебреч качеством сборки, я с качеством звучания не пролечу?
Плохое качество - может вообще не заработать. Мне кажется топикстартеру стоит обратить внимание в сторону готовых решений.
 
Плохое качество - может вообще не заработать. Мне кажется топикстартеру стоит обратить внимание в сторону готовых решений.
Усь конечно сложный, но если вместе делать всё будет супер!!! Андрюх я с тобой!!!
 
Конечно можно еще Д класс, который намного проще будет. Тот же Палник Алексея Королькова
 
Спасибо БРО!!!
 
на этой схеме, на выходе, минус штекера подсоединен к плюсу. это не ОШИБКА?
 

Вложения

  • 0036_1.webp
    0036_1.webp
    25.8 KB · Просмотры: 6,221
собрал я навесным монтажем проверить
собираю предусилитель для микрофона на усилитель
транзисторы поставил 2n5772
у меня в схеме только отсутствует конденсатор на 3300мкф
и как мне выход предусил. подключить на вход усилителя?
то что я обвел на схеме(см. выше) кидать на вход сигнального провода(усилителя) или на землю(будет КЗ)?
 
Это не микрофонный усилитель, это усилитель мощности! Для микрофонного усилителя хватит и одного транзистора
 

Вложения

  • soundpred5.gif
    soundpred5.gif
    9.4 KB · Просмотры: 521
Назад
Сверху