• Добро пожаловать на компьютерный форум Tehnari.ru. Здесь разбираемся с проблемами ПК и ноутбуков: Windows, драйверы, «железо», сборка и апгрейд, софт и безопасность. Форум работает много лет, сейчас он переехал на новый движок, но старые темы и аккаунты мы постарались сохранить максимально аккуратно.

    Форум не связан с магазинами и сервисами – мы ничего не продаём и не даём «рекламу под видом совета». Отвечают обычные участники и модераторы, которые следят за порядком и качеством подсказок.

    Если вы у нас впервые, загляните на страницу о форуме и правила – там коротко описано, как задать вопрос так, чтобы быстро получить ответ. Чтобы создавать темы и писать сообщения, сначала зарегистрируйтесь, а затем войдите под своим логином.

    Не знаете, с чего начать? Создайте тему с описанием проблемы – подскажем и при необходимости перенесём её в подходящий раздел.
    Задать вопрос Новые сообщения Как правильно спросить
    Если пришли по старой ссылке со старого Tehnari.ru – вы на нужном месте, просто продолжайте обсуждение.

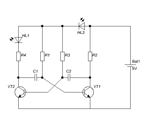
Простой мультивибратор

нет прям ту выложить никак не получается а на ютубе я не зарегистрирован
 
Давайте ссылку на некоммерческий файлообменник, например на файллообменный ресурс Яндекс. Честное слово, мне такого ни разу не встречалось, не буду спокойно спать, пока собственными глазами не увижу.
 
Я в шоке :tehnari_ru_211: У меня такое впечатление от просмотра видео, что светодиоды в некоторые моменты времени вообще в разнобой включаются. Один из светодиодов не гаснет совсем, только яркость свечения меняется... Слушайте, а эти светодиоды при жизни в велосипедном фонаре не мигающими ли были, а?
 
нет там на кнопку нажимаешь и они горят пито фонарик их всего было три
 
да там один плоховато гаснет,подскажите что я неправильно собрал?монтаж выложить смогу но там ничего не разберёшь
 
Лично меня заинтриговал необычный мультивибратор :) Выкладывайте фото, может разберемся, чем обусловлена столь странная работа такой простой схемы. Хотя, я уже ни в чем не уверен...
 
вот фото
 

Вложения

  • Фото0076[1].webp
    Фото0076[1].webp
    54.1 KB · Просмотры: 272
  • Фото0077[1].webp
    Фото0077[1].webp
    86.4 KB · Просмотры: 197
  • Фото0078[1].webp
    Фото0078[1].webp
    43.2 KB · Просмотры: 231
вот с обозначениями
 

Вложения

  • Фото0076.webp
    Фото0076.webp
    83.6 KB · Просмотры: 345
денисссс, Вы меня извините, но я сейчас буду ругаться самыми нехорошими словами :tehnari_ru_281:

Синий проводок, идущий от коллектора транзистора который я обвел кружочком с цифрой один идет к точке, которую я обозначил цифрой 2 (тоже в кружочке)? Так? А светодиод включен между точками 3 и 4, так? Желтый провод + питания? Черный провод - питания? Верно?
 

Вложения

  • Mult.webp
    Mult.webp
    55.8 KB · Просмотры: 72
В таком случае я Вас поздравляю, Вы собрали схему приведенную мною ниже, где оба светодиода конечно же будут вспыхивать и гаснуть вместе, причем верхний светодиод не будет выключатся полностью из-за тока, постоянно протекающего через базы транзисторов и два резистора по 10 кОм.
 

Вложения

  • Multivibrator.webp
    Multivibrator.webp
    5.9 KB · Просмотры: 6,123
да всё верно только наобарот чёрный + а жёлтый - когда поял перепутал назаметил
 
а где я собрал схему неправильно?
 
Я же привел Вашу схему, сравните ее с исходной, что Валерий на первой странице темы разместил. Разве не видно, что правый по схеме светодиод вместо того, чтобы быть включенным в коллекторную цепь правого резистора, включен в цепь питания левой части мультивибратора?

Я разочарован, чесслово... У меня в глазах уже бриллиантовый туман стоял, успел нафантазировать, как мы Нобелевскую премию получаем :tehnari_ru_288: Как нас, нобелевских лауреатов на родине героями встречают :tehnari_ru_232: Мдя... дела... очередная нобелевка обломилась :(
 
понил как исправлю отпишусь
 
перепаял теперь только один светодиод горит и всё вот фото
 

Вложения

  • Фото0079[1].webp
    Фото0079[1].webp
    45.8 KB · Просмотры: 203
  • Фото0080[1].webp
    Фото0080[1].webp
    47.8 KB · Просмотры: 290
вот всё полностью перепаял но почемуто горит один свнтодиод и всё,в чём может быть ошибка?
 

Вложения

  • Фото0082.webp
    Фото0082.webp
    76.1 KB · Просмотры: 240
никто штоль не поможет?
 
Возможно один транзистор неисправен.
 
попробую поменять
 
Назад
Сверху