• Добро пожаловать на компьютерный форум Tehnari.ru. Здесь разбираемся с проблемами ПК и ноутбуков: Windows, драйверы, «железо», сборка и апгрейд, софт и безопасность. Форум работает много лет, сейчас он переехал на новый движок, но старые темы и аккаунты мы постарались сохранить максимально аккуратно.

    Форум не связан с магазинами и сервисами – мы ничего не продаём и не даём «рекламу под видом совета». Отвечают обычные участники и модераторы, которые следят за порядком и качеством подсказок.

    Если вы у нас впервые, загляните на страницу о проекте, чтобы узнать больше. Чтобы создавать темы и писать сообщения, сначала зарегистрируйтесь, а затем войдите под своим логином.

    Не знаете, с чего начать? Создайте тему с описанием проблемы – подскажем и при необходимости перенесём её в подходящий раздел.
    Задать вопрос Новые сообщения Как правильно спросить
    Если пришли по ссылке со старого Tehnari.ru – вы на нужном месте, просто продолжайте обсуждение.

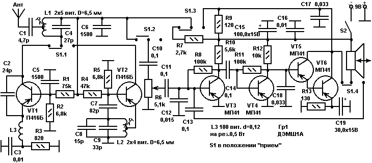
Рабочая ли схема рации?

но они же не слушают никакое радио в районе этих частот!
Я же говорю, что в мометнт переключения будет вормироваться помеха во всем радиочастотном диапазоне.
 
А в настройке она сложна?
 
В этой схеме только один контур требует настройки. Делается это в режиме передачи по максимально отдаваемой мощности в антенну.
В связи с этим, становится понятно, что селективность приемника вообще никакая.
Я бы лучше с изучения приемника начал. Ссылку я дал на первой странице.
 
Последнее редактирование:
Если верхний по схеме стоит по питанию и не сильно "лучит" то нижний создает серьезные радиопомехи.
Николай ну что там может "лучить" при всего лишь 10 мВт. Вот где то валялась подобная, найду по экспериментирую.
 
Николай ну что там может "лучить" при всего лишь 10 мВт. Вот где то валялась подобная, найду по экспериментирую.
Ага.
При включенном радиоприемнике в любом диапазоне, надо позамыкать кварц. Щелчки гарантированы.
 
Дак вы можете посоветовать хорошую схему для начинающих,чтобы можно было насторить не так трудно.
 
а выходной трансформатор в этой схеме где можно взять,просто никак найти немогу,или как сделать самому?
 
а если таковых нет,то где их взять?(трансорматоры)
 
а нельзя прставить что нибудь другое(например унч)вместо трансформатора?или неставить его вобще?
 
Ты собрался собирать радиостанцию и не имеешь понятия как работает АМ передатчик. Почитай профильную литературу и такие вопросы отпадут сами собой.
 
Ну посоветуйте тогда хорошую литературу для прочтения и понимания основных принципов работы.
 
Не, эта точно не будет.
Там на странице вот что:
2013-12-16_19-54-12.webp
 
Все простейшие схемы работают примерно одинаково.
 

Вложения

  • rst06.gif
    rst06.gif
    10 KB · Просмотры: 2,772
незнаю,у меня всё открылось
 
Назад
Сверху