• Добро пожаловать на компьютерный форум Tehnari.ru. Здесь разбираемся с проблемами ПК и ноутбуков: Windows, драйверы, «железо», сборка и апгрейд, софт и безопасность. Форум работает много лет, сейчас он переехал на новый движок, но старые темы и аккаунты мы постарались сохранить максимально аккуратно.

    Форум не связан с магазинами и сервисами – мы ничего не продаём и не даём «рекламу под видом совета». Отвечают обычные участники и модераторы, которые следят за порядком и качеством подсказок.

    Если вы у нас впервые, загляните на страницу о проекте, чтобы узнать больше. Чтобы создавать темы и писать сообщения, сначала зарегистрируйтесь, а затем войдите под своим логином.

    Не знаете, с чего начать? Создайте тему с описанием проблемы – подскажем и при необходимости перенесём её в подходящий раздел.
    Задать вопрос Новые сообщения Как правильно спросить
    Если пришли по ссылке со старого Tehnari.ru – вы на нужном месте, просто продолжайте обсуждение.

Работа в симуляторе

Симулятор не панацея на все случаи жизни и позволяет делать то, что в макете заведомо не работает и личное отношение сводится к тому, что приятно по клавишам постучать, интересно само занятие, но не более того.
 
Симулятор не панацея на все случаи жизни и позволяет делать то, что в макете заведомо не работает и личное отношение сводится к тому, что приятно по клавишам постучать, интересно само занятие, но не более того.

Так то оно так, только немножечко не так. Согласен, не панацея, это инструмент, позволяющий во многих случаях обойтись без макетницы. И оперативно подбирать и настраивать изделие. Да, можно заставить работать то, что заведомо в железе работать не будет, например: маломощный транзистор в симуляторе можно нагрузить до десятков киловатт, и он не сгорит, (хотя есть симуляторы, в которых есть и такая функция) и прочие приколы, но для чего дана голова? Симулятор само собой, но нужно и думать. Я повторяюсь: это инструмент, который в умелых руках дает пользу и облегчает работу. А в неумелых руках и ружье не стреляет, или стреляет не туда.
 
Как в мультисиме анализ по постоянному току на предмет ОБР делается? Область безопастной работы.
 
Как в мультисиме анализ по постоянному току на предмет ОБР делается? Область безопастной работы.

Путем установки пробников.

пробник.png.webp

I(P-P) - максимальный размах изменения тока от минимума до максимума.
I(rms) - среднее значение тока.
I(dc) - постоянная составляющая.

При знании основ симулятора нет никаких проблем с анализом работы схемы в целом и её отдельных элементов.
 
Как в мультисиме анализ по постоянному току
даже в голову такое не приходило, за ненадобностью. Попробую изучить вопрос.
Установка пробников не вариант относительно мультикапа.
 
Симулятор не панацея на все случаи жизни и позволяет делать то, что в макете заведомо не работает

Для того чтобы делать то, что в макете не заработает, симулятор не нужен. Лучше всего подойдет пайнт. Особенно учитывая, что в пайнте нет библиотеки компонентов, и каждую деталь приходится рисовать вручную, то именно пайт позволяет получить максимальное удовольствие в деле
приятно по клавишам постучать, интересно само занятие, но не более того.


Установка пробников не вариант относительно мультикапа.

Да плохому танцору и мультикап не вариант.
А кто хочет, тот и усилитель НАТАЛИ в мультисиме умудряется сделать.
 
даже в голову такое не приходило, за ненадобностью. Попробую изучить вопрос.
Установка пробников не вариант относительно мультикапа.
Это обычно говорят. кто не знает, и для чего это делается.

 
 
Это обычно говорят
Если не знаю, то не знаю. Если будет нужно, узнаю, в чем проблема? У меня это никчемное пенсионерское занятие, а по сему, манией величия не страдаю.
 
А кто хочет, тот и усилитель НАТАЛИ в мультисиме умудряется сделать.
Так, в чем проблема в сделать его мультисиме? Зачем? Мне хватит опыта, просто собрать его.
 
Так, в чем проблема в сделать его мультисиме? Зачем? Мне хватит опыта, просто собрать его.

Можете оценить, как работает этот усилитель? Какие параметры? Коэф. нелинейных искажений, мощность усилителя, какая мощность рассеивается на транзисторах? Стоит его делать? А на симуляторе можно легко получить такие ответы с большой точностью. Даже коэф нелинейных искажений можно измерять. Я делал модели усилителей, и в железе результаты совпадали с моделью с довольно большой точностью.
Этот усилитель хочу сделать. Не сейчас, летом, или подобный. И нужны ответы, которые легко получить при помощи симулятора.

Опыт и у меня есть, но на многие вопросы я нахожу ответ при помощи симулятора.
 

Вложения

  • 2.png.webp
    2.png.webp
    43 KB · Просмотры: 58
А чего только об УНЧ речь? Давайте поговорим и об УВЧ.
circuit (1).png.webp

Сможете "на глаз" определить частотную и фазовую характеристики? А подогнать резонанс на нужную частоту?
 
А чего только об УНЧ речь?
есть простой ответ, остальное, меня это не интересует и по жизни не сталкиваюсь. Уж так сложилось. Компьютеры по работе (но это в прошлом) и усилители как хобби.
 
Я как то привык верить симулятору, вот и буду этим заниматься. Сейчас занимаюсь литературным поиском, ищу хорошую схему, на полевиках на выходе.
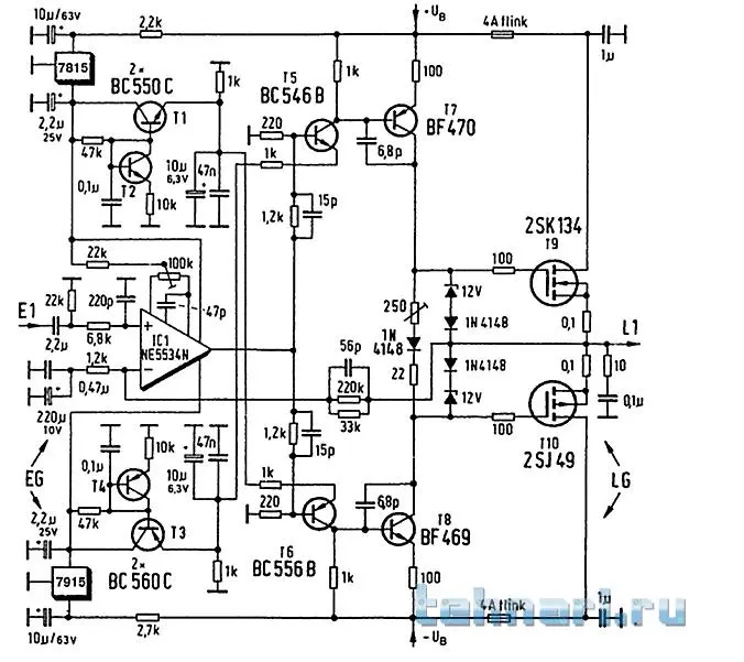
Или вот усилитель, кстати, полевики, согласно мнению специалистов, звучат лучше биполярников, т.к. в они дают нечетных гармоник гораздо меньше, чем дают биполярные транзисторы, а четные гармоники слух не режут, и этим, что нет нечетных гармоник, они напоминают ламповое звучание. И это можно проверить на симуляторе. Сейчас модели полевиков и биполярников очень точны, жаль только, что нельзя фонограмму в симуляторе прослушать.
 

Вложения

  • 1.PNG.webp
    1.PNG.webp
    61.9 KB · Просмотры: 58
Старо как мир... и не более чем пища для размышления, на сабик если заработает.
На симуляторе будет ужас.

Старо, возможно, молоток и топор тоже старые, они еще в каменном веке были, а до сих пор их применяются, не все старое - плохое. Главное удобно, и просто, все стоки полевиков соединены вместе, т.е. можно все выходные транзисторы ставить на 1 радиаторе без изоляции. И я уверен, что симулятор правильно этот усилитель отработает. И, согласно описанию, поищите по ключевым словам: "Усилитель мощности на полевых транзисторах МОСФИТ"( ссылки тут запрещены) параметры совсем не плохие, если выберу его, то скажу результаты, но это будет ближе к лету.
Меня, в общем, интересует мнение тех, кто его собирал.

 
 
Последнее редактирование:
Все, что интересно только одному, не должно занимать место в другом.
Большая просьба к админу убрать тему совсем.
 
Назад
Сверху