- Регистрация
- 5 Июл 2012
- Сообщения
- 579
- Реакции
- 19
- Баллы
- 18
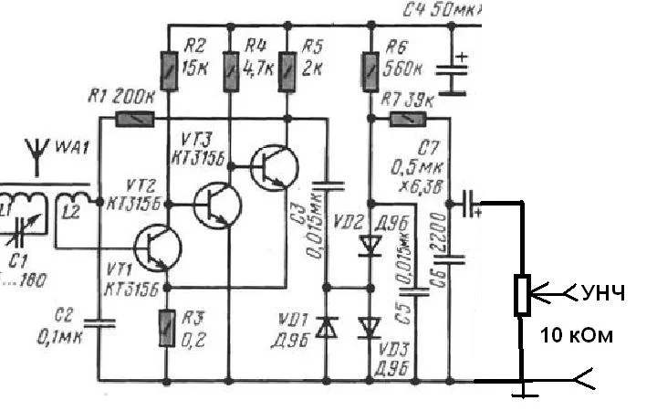
Я думал то катушка связи... Хорошо, а сколько витков надо?Да, в антенне от "России" катушки связи нет, сигнал берётся с отвода контурной катушки, поэтому лучше домотать катушку связи
Слышал что то вроде 1/3 от числа витков основной катушки... Или 1/4... Не помню...
