• Добро пожаловать на компьютерный форум Tehnari.ru. Здесь разбираемся с проблемами ПК и ноутбуков: Windows, драйверы, «железо», сборка и апгрейд, софт и безопасность. Форум работает много лет, сейчас он переехал на новый движок, но старые темы и аккаунты мы постарались сохранить максимально аккуратно.

    Форум не связан с магазинами и сервисами – мы ничего не продаём и не даём «рекламу под видом совета». Отвечают обычные участники и модераторы, которые следят за порядком и качеством подсказок.

    Если вы у нас впервые, загляните на страницу о форуме и правила – там коротко описано, как задать вопрос так, чтобы быстро получить ответ. Чтобы создавать темы и писать сообщения, сначала зарегистрируйтесь, а затем войдите под своим логином.

    Не знаете, с чего начать? Создайте тему с описанием проблемы – подскажем и при необходимости перенесём её в подходящий раздел.
    Задать вопрос Новые сообщения Как правильно спросить
    Если пришли по старой ссылке со старого Tehnari.ru – вы на нужном месте, просто продолжайте обсуждение.

Регулируемый блок питания 0-12 вольт

Нет, снова не умерла...
Значит входное напряжение меньше предельного... У меня 142ЕН6 очень часто вылетала, хотя Uвх было 21 вольт, а ток потребления 1,2 ампера..
 
кстати в том журнале есть сноска на автора так что хозяйна журнала не ругайти , а то он бедалага сейчас наверно икотой заходиться :tehnari_ru_889:
 
форумчане нужна ваша помошь ,
взгляните на плату и помогите ее доработать можно ее как нибудь уменьшить а то у меня она получилась слишком большой и детальки скомпоновать:tehnari_ru_837:
 

Вложения

  • печатка.webp
    печатка.webp
    32 KB · Просмотры: 1,567
  • блок питания от 0-12вольт (200 %).rar
    блок питания от 0-12вольт (200 %).rar
    3.8 KB · Просмотры: 190
схема от блочка питания с регулировкой
 

Вложения

  • блок питания от 0-12вольт.webp
    блок питания от 0-12вольт.webp
    27.6 KB · Просмотры: 5,052
Замечу, что регулирующий транзистор ставить на печатную плату нет смысла, его место на радиаторе.
 
А я бы ещё поставил на выходе защиту от КЗ, увеличил диапазон регулировки до 20 ....30 вольт, поставил вольтметр и амперметр, и сделал бы второе положительное плечо. Получился бы вполне приличный двухполярный , почти лабораторный блок питания. Ну естественно заменил бы транзисторы.
 
А я заменил бы все это дело какой-нибудь элэм или кэрээн и получил бы БП с параметрами значительно лучшими, чем этот.
 
схемку выложите блочка от 0-30 вольт до 3х ампер:tehnari_ru_889:
 
А какой макс. ток держит п213?
 
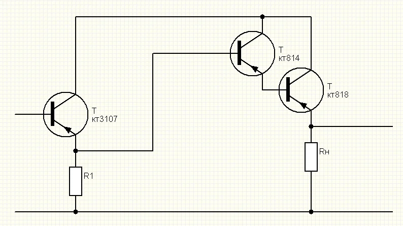
П 213 меняем на составной из КТ 814 + КТ 818, а МП 39 на КТ 3107. Стабилитрон - 2 х кс 515а. Входное U - 35, 40 вольт. Подобрать R 1 ( выставить ток стабилитронов ). Получаем мощный регулируемый стаб. напряжения от 0 до 30 вольт.
 
Саша, все есть абсолютно правильно, но если взять стабилитроны Д816 или Д817,
можно боднимать ток ... :)
 
а можно это пожалуйста на схеме изобразить и рассказать подробней
 
можно боднимать ток
Юра! Можно, конечно, поднимать ток, а можно и не поднимать. Всё зависит от того, какие деталюшки имеются под рукой, ну или что первое взбредёт в голову. Можно и Д 815, 816 и даже 817 г поставить. Эта схемка будет работать в любом варианте.
 
где-то так! если коллектор кт814 электрически соединён с его фланцем,(я точно не знаю) то можно их (кт814 и кт818)-на общий радиатор!
 

Вложения

  • 2012-03-16_092444.webp
    2012-03-16_092444.webp
    33.8 KB · Просмотры: 2,034
Ничего, что у Вас на схеме 814 и 818 параллельно соединены? :)
 
ну я нарисовал то, что Focus 016 говорил выше! я так себе это представляю)..
 
Не знал, спасибо! Думал в параллель! Тогда получается так?
 

Вложения

  • 2012-03-16_123533.webp
    2012-03-16_123533.webp
    26.9 KB · Просмотры: 546
Теперь правильно. Надо только ещё внедрить в схему защиту от КЗ.
 
Назад
Сверху