Смотрите видео ниже, чтобы узнать, как установить наш сайт в качестве веб-приложения на домашнем экране.
Примечание: Эта возможность может быть недоступна в некоторых браузерах.
Добро пожаловать на компьютерный форум Tehnari.ru. Здесь разбираемся с проблемами ПК и ноутбуков: Windows, драйверы, «железо», сборка и апгрейд, софт и безопасность. Форум работает много лет, сейчас он переехал на новый движок, но старые темы и аккаунты мы постарались сохранить максимально аккуратно.
Форум не связан с магазинами и сервисами – мы ничего не продаём и не даём «рекламу под видом совета». Отвечают обычные участники и модераторы, которые следят за порядком и качеством подсказок.
Если вы у нас впервые, загляните на страницу о проекте, чтобы узнать больше. Чтобы создавать темы и писать сообщения, сначала зарегистрируйтесь, а затем войдите под своим логином.




Такой надписи в описании товара я нигде не увидел.Специально выбирал, написано:
Измерьте ток: 10A (прямые измерения, Встроенный шунт).
Такой надписи в описании товара я нигде не увидел.

Вошла-то она вошла, только я смотрю её под Андроидом, а там Алибаба далеко не всё показывает. Будем надеяться, что с шунтом не обманули.Чего-то ссылка на ВА метр не вошла
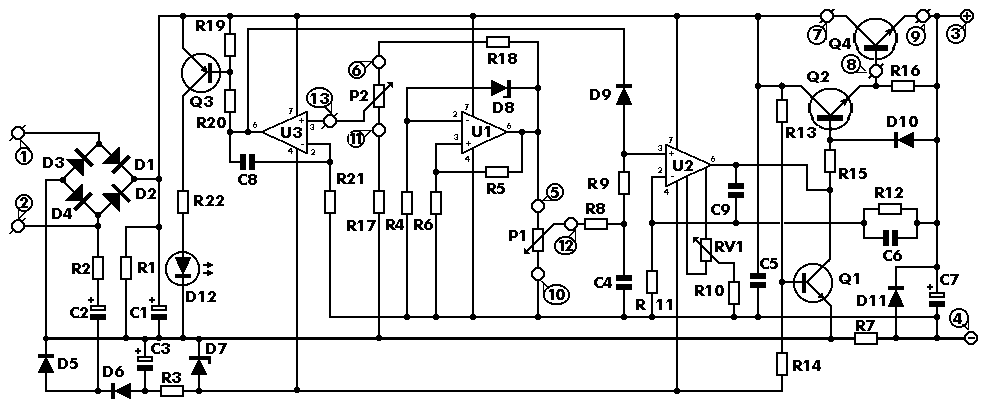
Угу.Блин, видимо совсем не понимаю схему, мощник же Q4?![]()
50 может с принудительным охлаждением и рассеют, а вот 100 уже нет. А у Вас такие мощности вполне возможны.Продавец сказал что радиаторы вытянут по 50вт мощности, кстати.Хотя веры им нет...
Не совсем.Если потенциометр, отвечающий за ток выкрутить в максимум, на плате начинает гореть светодиод d12. Что это значит? Защита?
Типа того. Дословно переводится как рабочий ток не менее 20 мА.Может 20ма это ток потребления прибора?
